2555 john Deere

   / 2555 john Deere #11  
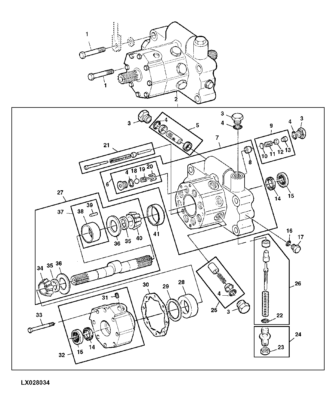
FEL=frt end loader. Valve I referred to is stroke control valve(parts key 26) depending on which hyd pump your tractor has 23CMC or 40CMC.
 

Attachments

  • RXP7969________UN01JAN94.gif
    RXP7969________UN01JAN94.gif
    41 KB · Views: 151

Tractor & Equipment Auctions

1983 Case 580D (A47477)
1983 Case 580D...
Kubota ZG327 (A50120)
Kubota ZG327 (A50120)
FAKE (A52472)
FAKE (A52472)
2025 GREAT DANE FLP-0024-00053 53FT SPREAD AXLE FLATBED (A54607)
2025 GREAT DANE...
2018 JOHN DEERE 410L BACKHOE (A52705)
2018 JOHN DEERE...
2018 INTERNATIONAL 4300 26' REEFER BOX TRUCK (A54607)
2018 INTERNATIONAL...
 
Top