4300 Rock shaft

/ 4300 Rock shaft #1  

currinson

New member
Joined
Feb 14, 2004
Messages
4
I have a 4300 with 400 hrs on it. It has always had a backhoe attached. Last week I purchased a wood chipper. I attached it to the 3 pt hitch and it worked great. I transported it to another job, backed it off the trailer and tried to lower the rockshaft and it wont lower. I did try turning the lock under the seat and it had no effect. What would cause this and how can I manually lower the Rockshaft arms??

Thanks

Erick
 
/ 4300 Rock shaft #2  
currinson,

Welcome to TBN. Hope we can help.

Did you have any weight (like your chipper) on the hitch when you were trying to lower it?

And did you open that "lock" under the seat fully? It's actually a valve to control how fast an implement drops, and only serves as a lock when it's completely closed. If you only open it a little, the fluid can't escape very fast. If you didn't have a lot of weight on the hitch, it might be dropping very slowly giving the appearance of not dropping at all.

Here's a longer explanation:

The rockshaft is the horizontal splined shaft which has the two short arms which pull up on the lower links of your hitch. That shaft is supported by two bushings.

When you pull up on the lever to raise your hitch, a piston is forced out of the rockshaft valve against a pawl splined to the center of the rockshaft.

When you push down on the lever to lower the hitch, a valve opens to allow the hydraulic fluid escape from the cylinder through the "slow drop" valve (the one under the seat).

If your hitch won't drop, then either the fluid can't escape through that slow release valve, the piston is binding the cylinder, or the rockshaft itself can't turn in those bushings.
 
/ 4300 Rock shaft #3  
currinson said:
I have a 4300 with 400 hrs on it. It has always had a backhoe attached. Last week I purchased a wood chipper. I attached it to the 3 pt hitch and it worked great. I transported it to another job, backed it off the trailer and tried to lower the rockshaft and it wont lower. I did try turning the lock under the seat and it had no effect. What would cause this and how can I manually lower the Rockshaft arms??

Thanks

Erick

You did check your Power Beyond return connection to make sure it was tight?

Also, if you try to raise the 3 pt hitch, do you get the hydraulic whine?

Does your FEL work?
 
/ 4300 Rock shaft
  • Thread Starter
#4  
All set guys, I think. After reading your reply I went out and wanted to get more info. I checked the rod for the rate drop and could see that it was moving properly. I unbolted the seat to check the other linkage. After the seat was off I started the machine and she ran fine. I looked at the pawl and the black paint was worn off the top and it was shiney, sure enough the same wear mark was on the bottom of the seat frame. I am wondering if the up travel is set too far? Any way it seems to be working now, thank you for the quick replys. When I had the seat off I noticed the cylindrical shaped part which apears to be a filter. How ofter should I clean this? I just had the hydro oil changed and I dont think this was done. Can I unscrew this now or will I loose all of the hydro oil.

Thank you guys for the help

Erick
 
/ 4300 Rock shaft #5  
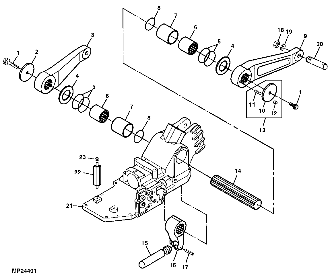
The pawl (that's not really the right term; JD calls it a "crank" or an "arm") on the splined rockshaft on your 4300 should be pointing down (not up toward your seat) according to the parts diagram I'm looking at. In the attached diagram, the "crank" is the part near the bottom labeled 16. So I don't know what part is wearing against your seat frame.

The hydraulic oil filter on your tractor mounts as shown (part 1) in the other attached diagram. I'm not sure what you're seeing under your seat, but I doubt if it's your hydraulic oil filter, so think twice before you unscrew it.

Your owner's manual should have all of this information in it, including the location of those parts and how often they should be cleaned/replaced. Mine calls for cleaning the hydraulic oil screen, replacing the filter, and replacing the oil every 500 hours. If you don't have the owner's manual, you can obtain it from the website described below.

I got the attached parts diagrams from the JD Parts website. You'll have to register to use the site, but it's free. Click on the JD Parts Catalog link to get to the parts diagrams. Or you could click on the "By Model Search" on the left to look up prices for parts that you know about. Here's an example. I looked up your 4300, and if it doesn't have a hydrostatic transmission, then the hydraulic oil filter is part # AM102723, costs $23.63, and my local dealer has three of them in stock. If you have a hydrostatic transmission, it's part #LVA10419 and costs $28.61.
 

Attachments

  • MP24401.gif
    MP24401.gif
    23.1 KB · Views: 1,036
  • MP18945.gif
    MP18945.gif
    7.4 KB · Views: 296
/ 4300 Rock shaft #6  
The filter under the seat is a high pressure filter. It is cleanable. As I remember the interval is every other suction side filter change. This filter was added to help prevent the dreaded drop-recover issue.

Have fun

TEW
 

Marketplace Items

KL480 Ventrac tiller
KL480 Ventrac tiller
2006 Heil DOT 406 Comp Fuel Tanker (A64194)
2006 Heil DOT 406...
2012 FORD F-550 SUPER DUTY (A67714)
2012 FORD F-550...
2011 Kubota ZD326 (A64912)
2011 Kubota ZD326...
2012 Ford F-250 Crew Cab Pickup Truck (A64556)
2012 Ford F-250...
VANTAGE 38' FRAMELESS ALUM DUMP TRAILER (A64278)
VANTAGE 38'...
 
Top