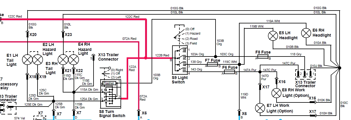
yea, i did notice a serial # break at the bottom, then found a 2nd schematic w/ the correct colors going to the turn/tail lights....but i still seem to have more colors than on either diagram...but then, i realized i was only looking at the lighting schematic, and some of those are not for lights...so i tried to delete my post until i check into further...but i can't!
when i saw the taped off wires, i figured the wires were there for rear work lights and just not used if not equipped. would JD bother making multiple harnesses to leave out a cpl extra wires?