7000 ford sterring problems

/ 7000 ford sterring problems #1  

Diamond C

New member
Joined
Aug 16, 2014
Messages
17
Location
hartwell, ga
Tractor
ford 7000, jd 3130
Anyone got any ideas about a 7000 ford steering, new filter, gets harder to turn the warmer it gets, fluid looks foamy, then its almost like no power at all.
 
/ 7000 ford sterring problems #2  
Sounds like the pump is worn out. Warmer it gets, the thinner the oil. Put a gauge on it. Should be about 2,200 psi or better.
 
/ 7000 ford sterring problems
  • Thread Starter
#3  
Sounds like the pump is worn out. Warmer it gets, the thinner the oil. Put a gauge on it. Should be about 2,200 psi or better.

Like I mentioned and your right the warmer it gets the harder it is to turn, been getting that way for a little while now. I feel sure I can change out the pump, but as far as checking the psi. how would I do that?
 
/ 7000 ford sterring problems
  • Thread Starter
#4  
Also, is there a motor or just a valve body on the steering column?
 
/ 7000 ford sterring problems #5  
Diamond, is it a 7100, straddle mount of transmission seating or 7200, flat deck over the transmission seating.
The first diagram is the column on a 7100. ForumRunner_20140819_203908.png It is a power assist steering box.

The next diagram is of a 7200 steering system, hydrostatic steering system. ForumRunner_20140819_204016.png. It utilizes a steering motor.

Testing the pressure on the pump would be with a gauge adapted to the output on the pump and deadheading it for a few seconds to get the pressure reading.
A possibility on the 7200 is a leak in the steering 'motor' in the front. It is actually a hydraulic cylinder running a rack. The cylinder might be leaking by, but it sounds more like the pump.
 
/ 7000 ford sterring problems
  • Thread Starter
#6  
TractorTech,
I changed the pump did alright for a couple of weeks but now its doing the same thing. Its a straddle mount. Do you think it could be the power assist steering box? If so is something that can be rebuilt?
 
/ 7000 ford sterring problems #7  
What are you using for oil in your power steering? We used to have many Fords, 7000, 7710, 9600, Tw-30, Tw-20, and found that some oils would foam more easily than others creating hard steering. If you aren't already using it, go to auto parts store and get an oil made for power steering. Also, any little leaks will allow air to get in the system and cause foaming.
 
/ 7000 ford sterring problems
  • Thread Starter
#8  
What are you using for oil in your power steering? We used to have many Fords, 7000, 7710, 9600, Tw-30, Tw-20, and found that some oils would foam more easily than others creating hard steering. If you aren't already using it, go to auto parts store and get an oil made for power steering. Also, any little leaks will allow air to get in the system and cause foaming.

I have used a couple of different oil and also trany fluid. What fluid would you recommend? I also have a leak somewhere in the steering column area, can I get a rebuild kit for the power assist motor that is on the steering column?
 
/ 7000 ford sterring problems #9  
Diamond, just to make sure, you have the style with the steering column I sent earlier because there is an earlier version with the power assist cylinder in the nose.
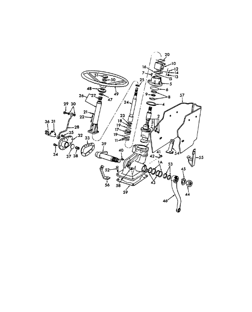
This is the up of the steering column. It is rebuildable. #2 is the piston with #4 as the seal ring. ForumRunner_20141005_080633.png. Shoot your email and I can send you the service manual procedure. It is pretty involved.
 
/ 7000 ford sterring problems
  • Thread Starter
#10  
Diamond, just to make sure, you have the style with the steering column I sent earlier because there is an earlier version with the power assist cylinder in the nose.
This is the up of the steering column. It is rebuildable. #2 is the piston with #4 as the seal ring. View attachment 393363. Shoot your email and I can send you the service manual procedure. It is pretty involved.

mcarey@hartcom.net Please send me any info. By what i have told you do you also think it's the assist motor on the steering column ?
 
/ 7000 ford sterring problems #11  
If the pump is still putting out the correct pressure, then the power assist in the column would be all that it could be. I will send you the info.
 
 
Top