72" MMM. Dang, its heavy!!

   / 72" MMM. Dang, its heavy!! #11  
JD manual indicates the 7-iron deck is lighter weight:

72-Inch 7-Iron

Mower Type Mulch or Side Discharge

Cutting Blades 3

Overall Width 1.05 m (41.5 in.)

Overall Length 2.19 m (86 in.)

Cutting Height* 2.5-23 cm (1-9 in.)

Cutting Width 1.8 m (72.8 in.)

Mower Weight (Large Chassis Mower) 150 kg (331 lb)

Mower Weight (Mid Chassis Mower) 156 kg (345 lb)

Blade Bolt Torque 122 N瀕 (90 lb-ft)

Gearbox Oil Capacity 136 ml (4.6 oz)

*May vary depending on tire size.
 
   / 72" MMM. Dang, its heavy!! #12  
JD manual indicates the 7-iron deck is lighter weight:

72-Inch 7-Iron

Mower Type Mulch or Side Discharge

Mower Weight (Large Chassis Mower) 150 kg (331 lb)

Mower Weight (Mid Chassis Mower) 156 kg (345 lb)

I think those weights for the 72 inch deck are wrong. (Imagine that) I have other data that shows the weight for both standard and 7-iron decks as 448 pounds. That sounds more correct.
 
   / 72" MMM. Dang, its heavy!! #13  
hi new here i have a 4200 series jd i purchased new in 2000 and baught 72 inch mmm i paid $2700 for ind yes it does weigh in at around 500 pounds
 
   / 72" MMM. Dang, its heavy!! #14  
hi new here i have a 4200 series jd i purchased new in 2000 and baught 72 inch mmm i paid $2700 for ind yes it does weigh in at around 500 pounds

Welcome to TBN brienk. Glad to have you here. Thanks for the info. I cannot locate my reference data, but I certainly do remember back then somehow knowing the weight was 500 pounds. Very heavy deck to deal with, but also very sturdy. My 60 inch version has given zero problems for 17 years.
 
   / 72" MMM. Dang, its heavy!!
  • Thread Starter
#15  
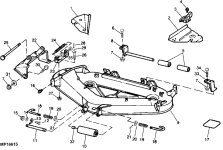
On another note, I noticed while I was changing the blades that there is a bracket of some sort behind the blade area. Is there a roller assembly that fits in there? I bought it used a year ago. I'll go out and take a picture tonight if it helps.
 
   / 72" MMM. Dang, its heavy!! #16  
On another note, I noticed while I was changing the blades that there is a bracket of some sort behind the blade area. Is there a roller assembly that fits in there? I bought it used a year ago. I'll go out and take a picture tonight if it helps.

Yes, there is a rear roller assembly similar to the one on the front.
 

Attachments

  • Mower deck.jpg
    Mower deck.jpg
    164.2 KB · Views: 193
  • Mower deck part.jpg
    Mower deck part.jpg
    23.8 KB · Views: 126
   / 72" MMM. Dang, its heavy!!
  • Thread Starter
#17  
Yeah, that part is missing on my deck. I'll look into it and see what it costs.
 
   / 72" MMM. Dang, its heavy!! #18  
Do not know what parts may already be on your deck, but quick check of two main parts shows this. Two rollers are required.

Part Number: AM101226
Part Price: 21.48 USD
On Hand: 0 Check Other Stores
Description: ROLLER, REAR ASSEMBLY


Part Number: AM106632
Part Price: 65.40 USD
On Hand: 0 Check Other Stores
Description: BRACKET, WELDED
 
   / 72" MMM. Dang, its heavy!!
  • Thread Starter
#19  
Thanks. I have to go to the dealer this weekend. I'll check it out.
 
   / 72" MMM. Dang, its heavy!! #20  
I've priced out the parts I need to refresh all of the worn parts on my deck (front casters need repalcement, gauge wheels need it, anti scalp rollers are worn, splines on the shaft are worn).... $$$$$$$$$

Oh, I need a belt too.
 

Tractor & Equipment Auctions

UNUSED GAS CADDY (A54757)
UNUSED GAS CADDY...
2016 Toyota Prius Hatchback (A55758)
2016 Toyota Prius...
2013 UTILITY VS2RA 53FT REEFER TRAILER (A52141)
2013 UTILITY VS2RA...
UNUSED Artificial Turf Grass (A53117)
UNUSED Artificial...
2017 CATERPILLAR D6T LGP HI TRACK CRAWLER DOZER (A51246)
2017 CATERPILLAR...
2 windsor 351 inboard motors w/transmissions shafts rutters and props (A55758)
2 windsor 351...
 
Top