Gator dog !! Reading another thread I gather you have a 784 not a 684, so it will have the D246 engine.
Timing for the fuel pump should be 16degrees for both applications.
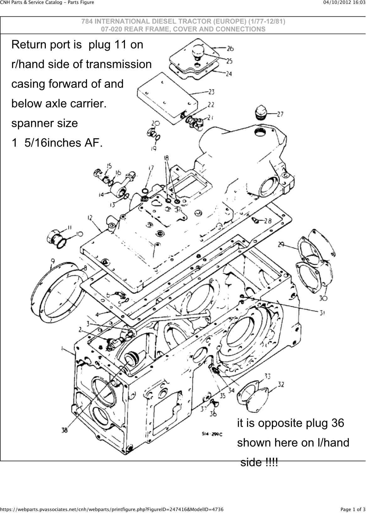
Tractors for Europe were fitted with the " thermostart" flame start device in the inlet manifold, for North America the ether start was preferred ??
Re oil I need to know the "American Petroleum Institute" API classification grade of the oil you suggest so I can better advise?
Re compression tester, any good dealer should have a universal tool which can be used or you could use a dummy injector???
It would also be useful to know if you are using a high or low sulphur diesel ???
Where abouts are you located???
I am using AG diesel, and plan on using Rotella diesel Oil non-synthetic, I am about as South as you can get, I can't see Mexico, but you can sure smell it. There are no Good Dealers down here, most of the mechanics are High school kids that can't spell CAT if you spotted them the C and the A.
