Deere 5105 SCV issues

/ Deere 5105 SCV issues #1  

jbwrangler

Bronze Member
Joined
Jan 13, 2010
Messages
56
I have a 2000 model JD 5105 with 2 rear hyd remotes. I have a 553 loader plumbed into those rear remotes. The float valve (#1) is hooked to the loader up/dn and the other valve (#2) is the bucket curl. Yesterday the valve that operates the curl would go down, but not up. The lever was actual.y bound up and would not move when I pulled back on it. It pushed down fine. It worked fin the day before.

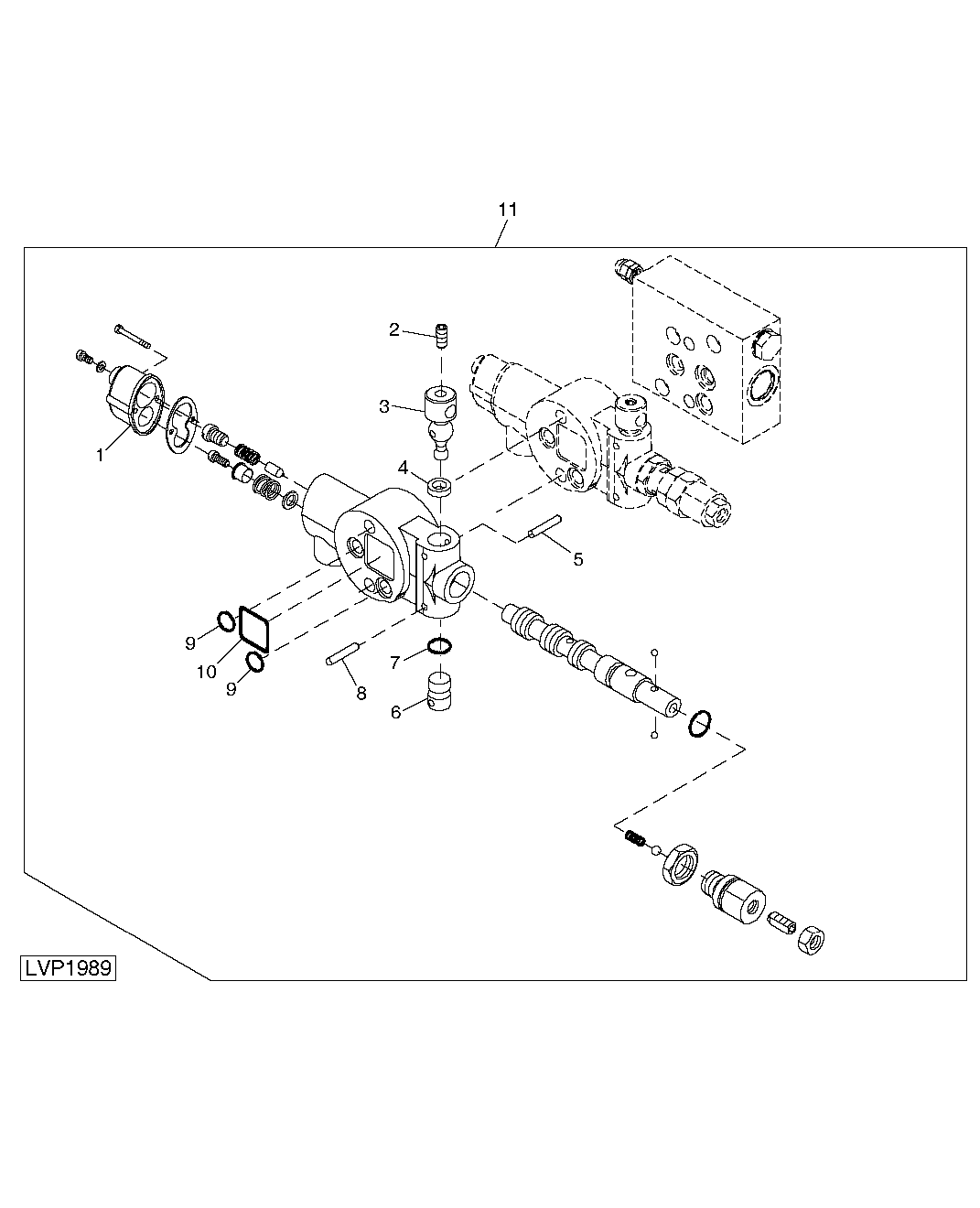
I removed the cap off the front of the valve (the one right above where the 30 is pointing). Inside had a lot of crud. I wish I had taken pics, but I will try to explain. The cap I removed covers a hollow rod that moves in and out when you operate the lever. Inside the rod is a small spring. There were 3 steel balls that came out. One a little bigger than the other two. There is a hole in the end of the rod where the spring slides in and a hole on each side of the rod which I assume is for the smaller balls and the bigger ball goes on the end of the spring. First question, is that correct?

Second question, how do you put this back together? I dabbed some grease on the balls and got them to stay in place, but the side balls stick out enough that the cap won't go back on. It is sort of stepped, so the opening is smaller then steps out a little to a bigger diameter.

I reassembled with just the spring and end ball and the valve seems to work fine, but I know those side balls should be in there.

EDIT-- I found an exploded diagram of the regen valve. Looks like my assumption was right, but still not sure how to get it back together.

FYI, deere only sells the whole valve assembly, which is about $900.

Thanks
photo.JPGcontrol valve.gif
 
Last edited:
/ Deere 5105 SCV issues #2  
I have a PDF of the Deere Tech manual you're welcome to, shoot me your email if wanted

Joe
 
/ Deere 5105 SCV issues #4  
Can the spring and the large ball be pushed in the shaft (spool) far enough the two small balls can be installed?

If so I think you have to remove the nut and threaded rod? from the end cap and us a long rod to hold the spring and large ball compressed so the two small balls fit flush in the spool and install the cap, remove the long rod and install the threaded rod with nut.
 

Marketplace Items

x (A68191)
x (A68191)
2014 MAC FLAMELESS HEATER TRAILER (A67714)
2014 MAC FLAMELESS...
2014 CATERPILLAR TL943C TELESCOPIC FORKLIFT (A65056)
2014 CATERPILLAR...
2013 CHEVROLET CAPRICE CAR (A66091)
2013 CHEVROLET...
2014 Ford Explorer AWD SUV (A66738)
2014 Ford Explorer...
2014 MAC FLAMELESS HEATER TRAILER (A67714)
2014 MAC FLAMELESS...
 
Top