F Series Glow Plugs

   / F Series Glow Plugs #11  
You only have a thermostart plug. Tried to circle it with paint but wasn't smart enough to do it. Just follow the little hose down from the bottom of the little container. The thermostart screws into the top of the intake manifold. Your 2610 may not be exactly like the picture of my old 2002D but will be similar.

Winston1, I am impressed! My engine only looks that clean for a short period after I clean it. Typically prior to an oil change.
 
   / F Series Glow Plugs #12  
Oh, now it's even harder to figure this out. haha Back to square 1 to figure what is a thermostart heater. :p

I only assumed it had glow plugs like the others.

Why does Hoye show this for the YM2610 ???
Home/ YM2610_2610D» ELECTRIC» GLOW PLUG (THERMO-START PLUG)
GLOW PLUG (THERMO-START PLUG): Yanmar Tractor Parts

Does it have BOTH ??? I'm looking for any intake heater too. :)

Now, I'll have to look thru all of those scanned pages. :duck:

View attachment 634125

So, there isn't much to go by on the heater or glow plug in this ... Anyone got an idea in this image? Maybe R1 ???
View attachment 634126

You should have little trouble locating your thermo-start on your tractor. Follow the lower line from the small fuel reservoir bottle. It on mine is plastic and a brownish color. Follow that line to your intake. The thermo-start will receive fuel and electric power.
To over simplify the process, it burns a limited amount of fuel to preheat the intake air to assist with cold starts.
 
   / F Series Glow Plugs #13  
Winston1, I am impressed! My engine only looks that clean for a short period after I clean it. Typically prior to an oil change.

Thanks for the compliment. My experience with the little Yanmar engines has been they are well sealed other than the diesel system. I had more trouble keeping things clean around the diesel lines than anywhere else. I'm certainly not a neat freak but don't like a big build up of crud either.
 
   / F Series Glow Plugs #14  
Im Amazed, We never had to replace any glow plugs on any of the Yanmars we imported thru out all those years.
I still have an FX235-D and the glow plugs are hot in 2 seconds, all the F series are that way too I believe.
We replaced many Mahindra and Branson plugs, never a Yanmar:confused:
 
   / F Series Glow Plugs #15  
You only have a thermostart plug. Tried to circle it with paint but wasn't smart enough to do it. Just follow the little hose down from the bottom of the little container. The thermostart screws into the top of the intake manifold. Your 2610 may not be exactly like the picture of my old 2002D but will be similar.

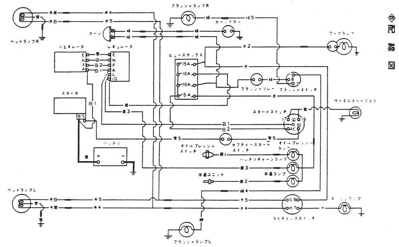
When looking at the electrical schematic, I thought the 3-in-a-row were the dash lamps. Thus, turning the key full left to TS would be the R1 path.
See my circle in green for the thermostart (maybe?) and the 3-in-a-row dash lamps (maybe?). :2cents:

DSCF0858.JPG SEng_KonMin19010417490_0005-circled-again.jpg


But it all makes sense with California's link to Hoye and you image under the white bottle with the hose. :thumbsup:

It took a bit of time, but I think it's here as 124450-77910 and/or 121023-77910 (A=E88901) ... And this mounts into the intake manifold. hmmm

SEng_KonMin19010417550_0003.jpg

It reminds me of the cigarette lighter in a vehicle, just a bit different one would guess. :dance1:
 
   / F Series Glow Plugs #16  
So, I'll need to see if fuel is getting to the thermostart device. And to check for it getting hot. If it's dead, I can order a replacement. :thumbsup:

Somewhere I have a pix with the hood open and the engine, just can not find it tonight. So, I've seen this setup approximately where the Y in the YM2610 is located inside.

DSCF0289-CL.jpg

PS, I should have found this posting to reply to ... :D

https://www.tractorbynet.com/forums/yanmar/46875-faith-t-s.html
 
   / F Series Glow Plugs #17  
Im Amazed, We never had to replace any glow plugs on any of the Yanmars we imported thru out all those years.
I'm surprised. My initial renovation on the YM240 and the first YM186D included replacing dead Thermostart units. Second YM186D hasn't needed it. (All are US version Yanmars sold here when new). Maybe rice-paddy tractors were seldom started in freezing weather?

Incidentally Thermostart modules are universal fit - I think originally a Perkins patent - and are used across several brands of tractors.
 
   / F Series Glow Plugs #18  
When looking at the electrical schematic, I thought the 3-in-a-row were the dash lamps. Thus, turning the key full left to TS would be the R1 path.
See my circle in green for the thermostart (maybe?) and the 3-in-a-row dash lamps (maybe?). :2cents:

View attachment 634155 View attachment 634156


But it all makes sense with California's link to Hoye and you image under the white bottle with the hose. :thumbsup:

It took a bit of time, but I think it's here as 124450-77910 and/or 121023-77910 (A=E88901) ... And this mounts into the intake manifold. hmmm

View attachment 634157

It reminds me of the cigarette lighter in a vehicle, just a bit different one would guess. :dance1:

The one you have circled with green is the oil pressure sensor. Attaching the 276 schematic, very similar to your 2610 and in English, should help you.
 

Attachments

  • 2019-12-26-060647.jpg
    2019-12-26-060647.jpg
    411.3 KB · Views: 92
   / F Series Glow Plugs #19  
I'm surprised. My initial renovation on the YM240 and the first YM186D included replacing dead Thermostart units. Second YM186D hasn't needed it. (All are US version Yanmars sold here when new). Maybe rice-paddy tractors were seldom started in freezing weather?

Incidentally Thermostart modules are universal fit - I think originally a Perkins patent - and are used across several brands of tractors.

Tractor Ernie was talking about models with glow plugs, not thermostart units. At least I think so.
 
   / F Series Glow Plugs #20  
Thanks for the compliment. My experience with the little Yanmar engines has been they are well sealed other than the diesel system. I had more trouble keeping things clean around the diesel lines than anywhere else. I'm certainly not a neat freak but don't like a big build up of crud either.

While I am far from a neat freak, I do not like an engine covered in crude. I really think that when I first got my YM2002D, the previous owner had done no more than wipe at the fill hole area (cap was clean compared the rest of the cover). The first oil change which happened as soon as I got filters order from Hoye, was done on the trailer upon return from the car wash. I now use a biodegradable degreaser on it that I have used for lots of years.
 

Tractor & Equipment Auctions

IRGC80 Lifted Electric Golf Cart **Unassembled**(New/Unused) Plugs into standard 110 outlet , Com... (A59225)
IRGC80 Lifted...
PALLET TOTE OF MISC (A58374)
PALLET TOTE OF...
2019 International DuraStar 4300 24FT Box Truck (A56858)
2019 International...
40ft High Cube Shipping Container (A57453)
40ft High Cube...
23013 (A55787)
23013 (A55787)
Year: 2006 Make: Ford Model: F-750 Vehicle Type: Truck Mileage: Plate: Body Type: Regular Cab Trim (A56858)
Year: 2006 Make...
 
Top