Fuse Schematic

/ Fuse Schematic #1  

VPFarms

New member
Joined
May 8, 2023
Messages
1
Tractor
Century 4520
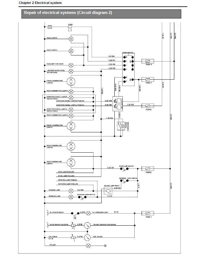
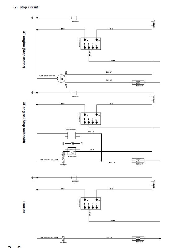
Does anyone have a schematic for the century 3045 fuse panel? The repair manual has nothing.
 
/ Fuse Schematic #2  
G'day Mate... seeing as no one has 'popped up' with a requested schematic (yet), might I suggest that you go to your dealership's Service/Parts department and ask for one.

I know that my JD Dealership will (and has) provide a printed schematic for free.

Best of luck.
 
/ Fuse Schematic #3  
Does anyone have a schematic for the century 3045 fuse panel? The repair manual has nothing.
here is every wiring diagram i have for that series hope this helps
 

Attachments

  • 1.JPG
    1.JPG
    60.3 KB · Views: 147
  • 2.JPG
    2.JPG
    69.6 KB · Views: 151
  • 3.JPG
    3.JPG
    94.6 KB · Views: 143
  • 4.JPG
    4.JPG
    42.2 KB · Views: 146
  • 5.JPG
    5.JPG
    57.7 KB · Views: 139
  • 6.JPG
    6.JPG
    133.5 KB · Views: 146
  • 7.JPG
    7.JPG
    149.2 KB · Views: 148
  • 8.JPG
    8.JPG
    128 KB · Views: 148
 
Top