Bogaat
New member
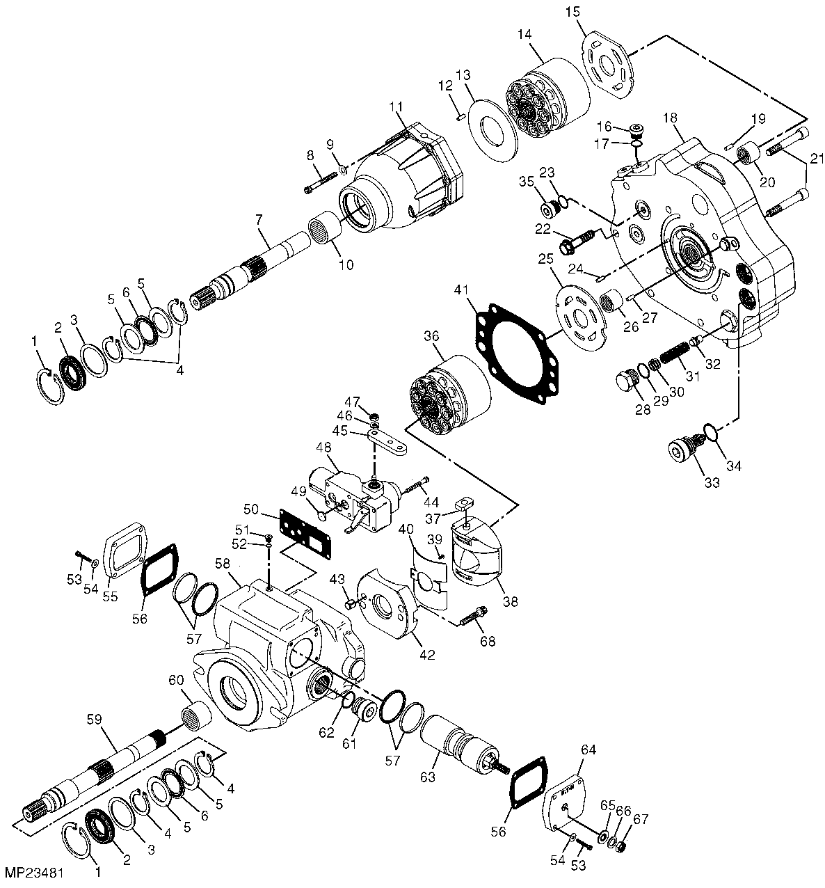
I have a 4600 and it looks like I likely have a bad/dirty reverse relief valve. Do I have to split the tractor to get to this guy? Looking in the manual, I see a small access cover but am unsure if it is large enough to swap a valve. All input is appreciated. Note: the tractor is in the shop and they claim they have to split the tractor to even run pressure tests...not the smartest group of guys...I think I will tackle this myself. Thanks in advance... 
