Ice in hydraulics

/ Ice in hydraulics #1  

mongobird

Member
Joined
Jun 19, 2011
Messages
27
Tractor
Ford 1510
I have a Ford 1510, which has developed a problem with hydraulics. The hydraulics don't work until the tractor warms up. A propane torch on the filter, suction pipe and transmission housing gets things running faster, but this is becoming a pain.

Inspection of the hydraulic fluid shows some slight clouding, especially at colder temperatures. I believe this is small ice crystals.

If I had an old turkey fryer, I would drain the oil, and cook off the water. But I don't. Right now I am looking for a dipstick type immersion heater to leave in it during the cold dry weather. (Its 0F outside right now.)

Cold air is also try air, with a low partial pressure for water. So I figure if I can get some heat, and even slight ventilation into the transmission, I can get some of the water out between uses.

Does anyone else have any suggestions? I would like to clear this problem, but cannot park the tractor inside due to a couple engine rebuilds going on right now.
 
/ Ice in hydraulics #2  
I would think the only solution would be to drain and flush with a mix.

1 quart atf ( type f or dex/merc 3 ) to 1g diesel, to 1 pint 90-91% rubbing alcohol. I'll put that into a sump as a rinse. if it needs more fluid for some pickup.. I'll add in some cheap utf or more diesel rinse mix.

You may have to do this a second time.

Once the fluid is emulsified, it is very hard to expel the water.

After filter and screen cleaning and replacement, tarp the tractor to prevent rain or moisture from getting into the hyd system.

There are hyd filters to get rid of small amounts of water.

Once water/fluid has been emulsified, other compounds form, and can damage the hyd system components.
 
/ Ice in hydraulics
  • Thread Starter
#3  
I would think the only solution would be to drain and flush with a mix.

1 quart atf ( type f or dex/merc 3 ) to 1g diesel, to 1 pint 90-91% rubbing alcohol. I'll put that into a sump as a rinse. if it needs more fluid for some pickup.. I'll add in some cheap utf or more diesel rinse mix.

You may have to do this a second time.

Once the fluid is emulsified, it is very hard to expel the water.

There are hyd filters to get rid of small amounts of water.

Once water/fluid has been emulsified, other compounds form, and can damage the hyd system components.

So first you are saying I cannot treat the existing hydraulic oil?

Why isopropyl alcohol, vs. Ethanol or Methanol? I have heard of Methanol being used in the arctic as a desiccant.

I have not found a suitable Donaldson filter, but will contact them and see if they have something.

Can you explain the rationale on using a flush with ATF and diesel? I am reluctant to do so because Ford specified the 134 oil for the transmission and hydraulics, and I am not sure how the seals, etc. would react to the ATF and diesel.

The shift boots are double covered, and I believe this is a slow accumulation of water from the pistons on the loader, over 30 years time. Well, perhaps the last 15 years since a hydraulic fluid change.
 
/ Ice in hydraulics #4  
Are you serious about the last hyd fluid change?

If so, you probably have more water than fluid.

Nobody but nobody leaves fluid in a tractor that long on purpose.
 
/ Ice in hydraulics #5  
a dipstick heater is a good way to burn oil. a mag block heater is better.

best bet it to get rid of the water.

dump in some alcohol. run. drain. preferably change filter/ clean.. then put in new oil.. and some more alcohol.

ps. adding some diesel 911 red bottle and hten running her real good will help a bit
 
/ Ice in hydraulics
  • Thread Starter
#6  
We have some Diesel 911, and I will look at the contents.

I'll look for a mag block heater.

Regarding oil changes... for a while, when I had easy access to a lab, I would run samples, and they looked good after the first couple of changes. The first change had horrible glint, and high chromium levels, among other things. It was interesting because the particles were smaller than the filter rating.
 
/ Ice in hydraulics #7  
Given the age of the current fluid and its milkyness, I would do the ATF/diesel/alcohol flush.
Its thinner than hydraulic oil so it should flush loose any gunk, but it should give enough lubrication not to hurt anything running it for 5-10 mins.
If it still looks like there is gunk in there, I would do a second flush of the same before filling with hydraulic fluid.

Aaron Z
 
/ Ice in hydraulics
  • Thread Starter
#8  
I am also concerned about residual flush in my loader (770B).

Nice night tonight? -7F thus far.
 
/ Ice in hydraulics #9  
I am also concerned about residual flush in my loader (770B).
Nice night tonight? -7F thus far.
-3F here per the thermometer on the porch...
Once you do the final flush and refill with UTF, disconnect the tank and power beyond lines (if equipped) on the loader valve and put them in a 5 gallon bucket. Then you can cycle the loader and the flush fluids will go in the bucket, not back into the sump.

Aaron Z
 
/ Ice in hydraulics #10  
mongobird
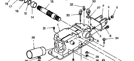
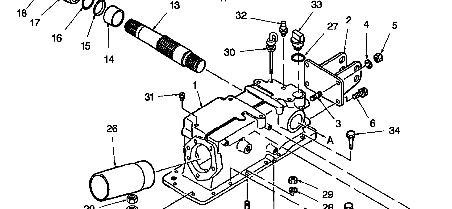
Be sure to check that hyd reservoir breather cap(parts key #32) is not plugged. There was an option of a hyd oil heater kit.
 

Attachments

  • Capture.JPG
    Capture.JPG
    31.2 KB · Views: 219
  • Capture.JPG
    Capture.JPG
    72.3 KB · Views: 204
/ Ice in hydraulics
  • Thread Starter
#11  
mongobird
Be sure to check that hyd reservoir breather cap(parts key #32) is not plugged. There was an option of a hyd oil heater kit.

Years ago I had some bug mud up the breather cap, so it is now on my list when I grease, etc.

That heater is an option I was unaware of. I have seen similar heaters for about $100, and perhaps I should consider when I fix the differential lock this summer / fall. Most of the ones I've seen are about 200W which should really get things toasty.

I should emphasize that this problem has been brewing for many years, and has finally gotten to an annoyance and an impediment to getting things done. My shifter boots are in very good condition, and have a cover on top of them. While the unit lives outdoors, it is generally protected from the weather a bit.

My working theory is that water makes it into the system through the loader pistons, because the symptoms always increase after loader usage in snow or wet conditions. So I am looking for a more permanent solution, and a installed heater might be the best approach.

Meanwhile I am looking for a magnetic heater so that I can check it out.

Thanks, everyone for the stream of ideas.
 
/ Ice in hydraulics #12  
if water ws making it in thru the loader pistons.. they would be leaking sooooo bad you couldn't use the machine.

even the external wipes should be stripping water.

my guess is the laoder is the only thing using any real hyd flow. you use the laoder.. oil heats.. pushes warm expanding air out of the sump via the breather. then as the unit cools, cooler air enters the sump via the breather... dew point is passed.. water condenses on the hygroscopi inner surface of the sump and then collects at the low point of the resevoir.
 
/ Ice in hydraulics #13  
if water ws making it in thru the loader pistons.. they would be leaking sooooo bad you couldn't use the machine.

even the external wipes should be stripping water.

my guess is the loader is the only thing using any real hydaulic flow. you use the loader.. oil heats.. pushes warm expanding air out of the sump via the breather. then as the unit cools, cooler air enters the sump via the breather... dew point is passed.. water condenses on the hygroscopic inner surface of the sump and then collects at the low point of the reservoir.

Yeah, what he said!!!! Even if you aren't using the tractor, if the temperature goes above and below the dew point, your going to get water in the fluid. Might also want to take a look at your motor oil, by draining the sump from the bottom, as it most likely has the same problem, just hopefully not as bad because you probably have changed out the oil a time or two since the 15 year hydraulic change.
David from jax
 
/ Ice in hydraulics
  • Thread Starter
#14  
The motor oil doesn't have any substantial signs of water in it. The engine gets heated up frequently, and the oil is changed several times a year. For grins, I took a quick sample today when the temps were 40F (now down to -4F). So sign of visible moisture. Quick drains are great things.

Caught up with a friend who farms in northern Canada. It was cold there tonight...-30C.

He said that what I was describing happens all the time there, and that heaters work much better than oil changes, although I could do a change, if I heated everything up first. He also said that if I got a parking lot contract, and worked the tractor straight for five days my problems would go away for a while.

The recommendation he has is for epoxy on heaters (or magnetic if I want to play with placement. The suggestion is a heater at the sump area, and a heater at the top, and removing the (large opening) dipstick. The heater at the top will reduce the condensate at the top of the area containing hydraulic fluid, and help venting of vapor.

He does not like case penetrating heaters, because they tend to burn oil, and keep it too hot. Also, they tend to not heat the sump, hence the preference for heaters which attach to the cast housings, and distribute the heat more evenly.

In his experience, changing the oil only gets it frozen up again in a couple of weeks. He also points out that he has several tractors notorious for this problem, such as a two wheel drive Case.

He also pointed out that on a tractor with wet brakes, some of the brake material in the fluid tends to attract ice crystals, aggravating the filter clogging on cold systems.

I hope this helps the next guy.
 
/ Ice in hydraulics #15  
that's why a lil transtune inthe hyd oil is a GOOD thing.
 
/ Ice in hydraulics #16  
I have a 1710 Ford and I am on my third oil change trying to get all the water out of my fluid.. First time it was so milky it looked like milk!! I'm thinking it will take at lease another time or two..
 
/ Ice in hydraulics #17  
Did you use the mixture I mentioned in post #2?
 
/ Ice in hydraulics #18  
Yes I did!! Its almost gone, but still has a bit in it!! I'm thinking of putting some of this in next time..
trans tune
What do you think??
 
/ Ice in hydraulics #19  
I concur with Soundguy in post #15
 
 
Top