JD 4100 Control Module Troubleshooting

/ JD 4100 Control Module Troubleshooting #1  

dgr321

New member
Joined
Aug 29, 2011
Messages
21
Tractor
John Deere 4100
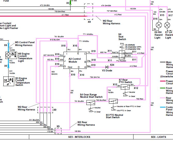
Anybody have any experience with troubleshooting the Control Module in a JD 4100?
This problem started off with the tractor turning over but not starting. Traced issue to fuel solenoid not pulling on. Checked out fuel solenoid with an available 12V source on the tractor and determined it was working OK and traced issue to the K3 Fuel Solenoid relay. Checked out relay inputs and outputs and found that it was not getting 12V across the coil to close the contacts. Traced issue back to control module.
From my understanding of the control logic there should be a momentary 12V supplied by the control module between the pink wire and the gray wire (relay coil ground path). During this time the relay contact closes providing the pull-in voltage to the fuel solenoid. The gray wire ground path is supposed to open after 1 second which terminates the 12V to the relay and opens the contact. By this time the solenoid is provided with a low-current 12V source which will hold the fuel solenoid in to keep the tractor running.
So found another momentary 12V source (starter relay) to get the fuel solenoid pulled in and get the tractor started so could checkout the control module. The fuel solenoid hold-in voltage source (red wire) appears to be good (shows battery voltage).
Opened up control module and measured voltage between pink wire and gray wire (ground). With key in 徹n position voltage went to ~135 mV. Then started tractor. Voltage drops to near ~20mV momentarily and then started climbing. After several seconds (40-50 sec) it reached 200 mV and then dropped to zero again and started cycle over - always topping out at 200mV before dropping back to zero. So definitely not enough voltage to close the K3 contacts.
So I think the issue is with the control module and wondering what options there might be for troubleshooting of the control module - or is a replacement in the cards?
Thanks in advance.
 

Attachments

  • IMG_E8687.JPG
    IMG_E8687.JPG
    2.1 MB · Views: 853
  • Schematic1.JPG
    Schematic1.JPG
    100.2 KB · Views: 1,380
  • Schematic2.JPG
    Schematic2.JPG
    81.4 KB · Views: 742
/ JD 4100 Control Module Troubleshooting #2  
Don't have an answer, but what is all the debris showing up on the control module? Is there corrosion seen up on the soldered contact points as well?

Maybe try a circuit board cleaner and blow it dry with some canned air. just a thought...
 
/ JD 4100 Control Module Troubleshooting
  • Thread Starter
#3  
Good point. I did take some air to it to clean it up.
 
/ JD 4100 Control Module Troubleshooting #4  
Here's a link to a discussion that happened a few years back on an erratic board from a 4110. There are suggestions what to look for, but the conclusion was without a board schematic its pretty hard to narrow down components. FYI, for awhile I bypassed the board entirely but when it became necessary for others to operate the tractor I contributed to JDs parts department. Been a few years, but I seem to recall a replacement control module being in the $300*$400 price range.

https://www.tractorbynet.com/forums...ting/345088-burned-ecu-board-pics-4110-a.html
 
/ JD 4100 Control Module Troubleshooting #6  
I kind of had almost the same issue with my 4100 and I traced it to a faulty ground wire. I don’t know if this helps.
 
/ JD 4100 Control Module Troubleshooting
  • Thread Starter
#7  
Thanks. That might help narrow the search. And it makes sense based on the symptoms. Do you remember what ground wire you found an issue with? Was it in the control module or elsewhere on the tractor?
 
/ JD 4100 Control Module Troubleshooting #8  
sorry for the late reply. It ended up being the wire from the battery to the frame. I just went ahead and replaced it and cleaned all other ground connections. I also replaced the positive cable just to be safe and haven't had any problems since.
 
/ JD 4100 Control Module Troubleshooting #9  
These ideas are good.
 
/ JD 4100 Control Module Troubleshooting #10  
I just replaced my control module on my 4100 Gear only to have it fry again within 4 hours of use. I have no idea where to even start troubleshooting this but I don't want to shell out another $300 before I can identify the issue. as you can see the box/board gets very hot. but the good thing is the connector is fi4100 burnt control module.jpgne. Any advice/direction would be appreciated
 
/ JD 4100 Control Module Troubleshooting #11  
Break out the multi meter and check charging voltage and see if its significantly above spec. If so, the likely suspect components would be battery, rectifier, and or/all chassis grounds/contacts associated with all three. Clean all grounds/contacts and check again. If still high I'd try a battery swap with some other vehicle (temporary basis, make sure its fully charge before the swap). Check voltage again. If still high, take a close look at the rectifier; not sure if the shop manual has a test or not--sorry. Good luck.

How old is your battery?
 
/ JD 4100 Control Module Troubleshooting #12  
Break out the multi meter and check charging voltage and see if its significantly above spec. If so, the likely suspect components would be battery, rectifier, and or/all chassis grounds/contacts associated with all three. Clean all grounds/contacts and check again. If still high I'd try a battery swap with some other vehicle (temporary basis, make sure its fully charge before the swap). Check voltage again. If still high, take a close look at the rectifier; not sure if the shop manual has a test or not--sorry. Good luck.

How old is your battery?

I checked voltage at idle and it was 12.05, at 2500 it was only 12.4 this seems low in comparison to vehicles. Do you know what it should be right off the alternator?
 
/ JD 4100 Control Module Troubleshooting #13  
Battery is almost 4 years old
 
/ JD 4100 Control Module Troubleshooting #14  
I would be sure to check the fuel shut off solenoid. If it is bad, it can burn out the module. One of the modules functions is to control it. Test across terminals as shown.
 

Attachments

  • 4100 solenoid.PNG
    4100 solenoid.PNG
    23 KB · Views: 209
  • 4100 spec.PNG
    4100 spec.PNG
    15.4 KB · Views: 200
/ JD 4100 Control Module Troubleshooting #15  
I checked voltage at idle and it was 12.05, at 2500 it was only 12.4 this seems low in comparison to vehicles. Do you know what it should be right off the alternator?

I'd pull the battery, fully charge it and then get it load tested. Once you know you have a good fully charged battery, only then can you do meaningful checks of the alternator output as well as other electrical checks.
 
/ JD 4100 Control Module Troubleshooting #16  
This is out of the 4110/4115 TM1984 shop manual. Don’t have access to the 4100 manual, so use your own judgement as to applicability.

Battery. Minimum charge is 12.4 VDC. Each battery cell specific gravity of 1.285, all cells within 50 point of each other at full charge at 80 degrees F

Regulated amp and voltage test. Run engine at high idle (2850 rpm). Battery voltage should read between 14.2 and 14.8 VDC. Minimum high idle amperage is 13.5. Manual illustration shows this being measured at the battery. Their test procedure uses a tool to put a slight drain on the battery to insure there is a demand condition; could probably replicate by cranking the tractor a tad (should the battery have a full charge)

Unregulated alternator. Measured at the output terminals of the alternator. Slow idle—32VAC (notice the switch to alternating current on your multimeter). Fast idle 50VAC. “…..at fast idle…..meter should read a minimum of 40 volts AC at 2850 RPM.

I’d be tempted to temporarily replace the battery with a known good one, say from one of my cars/ truck and measure regulated voltage output again to see if there’s any change. If you search, you’ll find a history of 4010---4115 of failing batteries causing problems. Eliminate it and grounding issues are the easiest route to start with.
 
/ JD 4100 Control Module Troubleshooting #18  
Another thing that I have seen cause low charging voltage is a bad glow plug timer/relay. I have seen them stick on and the alternator can't keep up with the demand of full time glow plug engagement.
 
/ JD 4100 Control Module Troubleshooting #19  
Thanks everyone for your responses. I will perform the tasks and tests suggested and update soon.
 
/ JD 4100 Control Module Troubleshooting #20  
I couldn't wait so I did some tests awhile. The shut off solenoid is out of spec with the following readings: C to D - .15 ohms, C to E - 0.6 ohms, D to E - 1.1 Ohms. I also unhooked the alternator harness and tested the AC voltage at the connector. at idle I get 17VAC, at 2000 rpm I get 31VAC. not sure if this is normal or if the alternator is bad as well. It's worth mentioning that I also found some darkening (Just like in the pic I originally posted) on the clear plastic shield around the solenoid pigtail so this was definitely getting hot.

I have a digital battery tester which tells me the battery is good but it shows the SOC only being 65% after sitting on the 3amp/then trickle for a few days so I'll be replacing it. Should I test the voltage regulator and safety relays that seem to often be tied to electrical gremlins? IF so, does anyone have the specs for those components?

I was also curious if there is a general ohms test range for checking the ground cables?

Thanks again.... I feel like I'm finally getting somewhere!
 
 
Top