JD 4100 HST, roll adjustment?

/ JD 4100 HST, roll adjustment? #1  

cheesemanmax

New member
Joined
Jul 24, 2011
Messages
4
Tractor
JM 4100
First Post! Is there an adjustment to stop my tractor quickly after I remove my foot from the forward peddle? When I am mowing and using high range the tractor will roll farther than I like, I can't see any adjustment the return appears to be internal to the transmission, any help is appreciated.
 
/ JD 4100 HST, roll adjustment? #2  
If it is like my 4410 it may have something called motion match that can change how quickly the hydro reacts. It seem to just have a 'fast' of 'slow' setting so it doesn't offer complete control. I think the switch is on the right of the steering column with a picture of a tractor that is just an outline and an image that also has portions of the tractors outline to try to indicate speed. Not sure if speed mean you won't slow down fast or if it means it will slow down fast.

High range probably doesn't help to slow it down fast. I'd use the brake if all else fails.:D
 
/ JD 4100 HST, roll adjustment? #3  
If it is like my 4410 it may have something called motion match that can change how quickly the hydro reacts. It seem to just have a 'fast' of 'slow' setting so it doesn't offer complete control. I think the switch is on the right of the steering column with a picture of a tractor that is just an outline and an image that also has portions of the tractors outline to try to indicate speed. Not sure if speed mean you won't slow down fast or if it means it will slow down fast.

High range probably doesn't help to slow it down fast. I'd use the brake if all else fails.:D

This is a mechanical hydro in these tractors, not eHydro like yours.
 
/ JD 4100 HST, roll adjustment? #4  
First Post! Is there an adjustment to stop my tractor quickly after I remove my foot from the forward peddle? When I am mowing and using high range the tractor will roll farther than I like, I can't see any adjustment the return appears to be internal to the transmission, any help is appreciated.

I don't believe there is any adjustment for this.
 
/ JD 4100 HST, roll adjustment? #5  
I have had my 4100 for 11 years there is no control to do what you want. I suppose there might be some way to adjust the roll; might check with your dealer's mechanic. My manual says to only use high range to move the tractor. While I have tried mowing in high range, the results are not as good as low range.
 
/ JD 4100 HST, roll adjustment? #6  
How long does it take to stop? The service manual for the 4100 shows an allowed range of 7 to 10 feet. Agree there is no simple adjustment for this.
 

Attachments

  • 4100 stop.jpg
    4100 stop.jpg
    189.2 KB · Views: 246
/ JD 4100 HST, roll adjustment?
  • Thread Starter
#7  
I have not measure the distance but, even when I mow is will roll over 10 feet. And If I were moving forward at full speed I would say the roll is closer to 20 feet. Where is the "neutral return spring", is it a tension spring located below the RH foot plate or internal to the transmission?
 
/ JD 4100 HST, roll adjustment? #8  
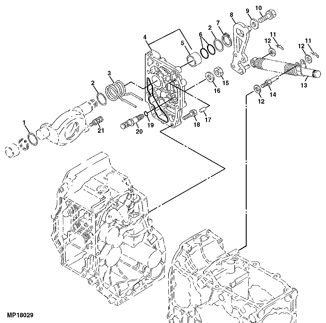
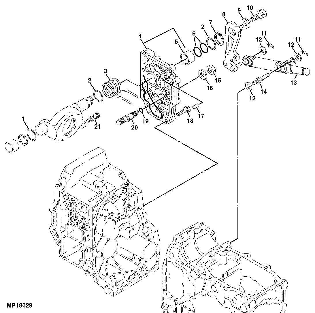
The torsional damper is part #13 and is external to the tranny case. I believe #3 is the spring-and it's inside.
 

Attachments

  • 4100.gif
    4100.gif
    32.9 KB · Views: 450
/ JD 4100 HST, roll adjustment?
  • Thread Starter
#9  
Mine looks the same, I remove #13 and it appears to dampen correctly. I evenn drove the tractor without #13 installed. The tractor stopped quicker after backing but, did not change in forward. The lever #8 just returnes slowly, could be a weak spring but I would think is would break instead!
 
/ JD 4100 HST, roll adjustment? #10  
Not to sound like the smart @$$, Does the tractor have wheel brakes? Just push the brakes and slow/stop your tractor. Slowing down before you get to the turn point might also help.
 
 
Top