Mayday! TC29D won't start!

   / Mayday! TC29D won't start!
  • Thread Starter
#11  
Thanks MikePA, sounds like under the fender we go! I had just finished reading the same thing. I saw two switches under there, one with two black wires running into it on the side of the transmission (if I remember correctly) and another one that looked like it was dipped in plastic. Right spot?
 
   / Mayday! TC29D won't start!
  • Thread Starter
#12  
Piloon, we'll give that a try! Bypassing the glow plug timer going from the hot side of the battery to the glow plug interconnect. Got it. Thanks for the fresh ideas...you know how it can be chasing an electrical problem. Of course we will be very safety conscious!
 
   / Mayday! TC29D won't start! #13  
Thanks MikePA, sounds like under the fender we go! I had just finished reading the same thing. I saw two switches under there, one with two black wires running into it on the side of the transmission (if I remember correctly) and another one that looked like it was dipped in plastic. Right spot?

Yep, sounds like the right spot.
 
   / Mayday! TC29D won't start! #14  
On the old chevy diesel trucks,the glow plug timer was just replaced with a heavy switch that passed battery current to the glow plugs for a count of 10. Start as usual.
 
   / Mayday! TC29D won't start! #15  
Sounds like a safety switch problem. As far as the glow plug problem goes its probably one problem causing everything. You do not need glow plugs to start the engine so I would figure out the starting issue first
 
   / Mayday! TC29D won't start! #16  
On the old chevy diesel trucks,the glow plug timer was just replaced with a heavy switch that passed battery current to the glow plugs for a count of 10. Start as usual.

YEP, done that also, in fact that is where I come from with my suggestion.
The price of the GMC (Chevy) timer is why I came up with plan B.
Knew one guy that simply clasped two wires between 2 fingers to glow his plugs.

Finding a HD switch capable of the current draw is difficult but an ATV starter relay or horn relay would do the trick.
__________________________________________________________________________________________________-
For safety switch (temporary for test) bypass simply short the 2 switch leads. ( or on some that use 1 female and 1 male connector just plug the F into the M.)
 
   / Mayday! TC29D won't start! #17  
THEN: couldn't get the glow plugs to heat - no 12v to them. Replaced the ignition switch.
Also found problem with the plug that connects the ignition switch into the harness, so we bypassed that. Juice going through switch to the glow plug relay (12v). But from the relay to the glow plugs we only get 1.5 to 2v. Replace the timer relay. Still NOTHING...

Now we are really stumped. At one point, we got a click out of the third of the three like relays (which the parts diagram says is the PTO safety relay). We've swapped the relays around since they are all the same, and even carefully tried the new relay in each of the three positions. No joy. Wearing out the old wiring diagram.

ANY help, will dance at your next party!

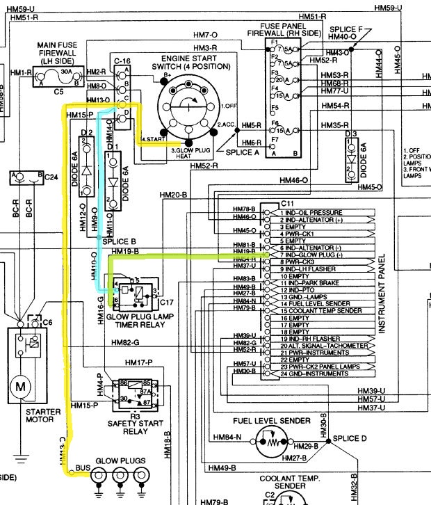
TC29D Glow Plug Control.JPG

The glow plug circuit is marked in yellow, the glow plug timer circuit is in blue and the circuit to the indicator lamp is in yellow.

The glow plug timer ONLY controls the glow plug indicator light on the dash board and the glow plugs are hard wired to the glow plug connection on the ignition switch. So the glow plug light not being illuminated does not mean the glow plugs are not working and replacing the timer will not affect the glow plug operation.
 
   / Mayday! TC29D won't start! #18  
View attachment 408560

The glow plug circuit is marked in yellow, the glow plug timer circuit is in blue and the circuit to the indicator lamp is in yellow.

The glow plug timer ONLY controls the glow plug indicator light on the dash board and the glow plugs are hard wired to the glow plug connection on the ignition switch. So the glow plug light not being illuminated does not mean the glow plugs are not working and replacing the timer will not affect the glow plug operation.

Well, I hope I don't muddy the waters, but my manual for TC29DA shows 3 relays: #3 = Glow plug power relay, #7 = Glow plug timer relay, and #6 = Glow plug lamp relay.
My diagram looks totally different than your post. Maybe the DA are totally different from the D models?
 

Tractor & Equipment Auctions

2007 Godwin Pumps GHP45KW-RC 45kW Towable Diesel Generator (A56857)
2007 Godwin Pumps...
2016 Husqvarna YTA22V46 46in Riding Mower (A56859)
2016 Husqvarna...
VINTAGE EVINRUDE MOTOR (A58374)
VINTAGE EVINRUDE...
200 Gallon Tank (A57148)
200 Gallon Tank...
6" CONVEYOR BELT (A54757)
6" CONVEYOR BELT...
2015 UTILITY VS2RA 53FT REEFER TRAILER (A58018)
2015 UTILITY VS2RA...
 
Top