PLEASE HELP!!!! Hydraulic pump leaking,....... again!!

/ PLEASE HELP!!!! Hydraulic pump leaking,....... again!! #1  

brokenveteran

New member
Joined
May 24, 2014
Messages
10
Location
Kingston ohio
Tractor
ford 3000
Please bare with me guys as I am new to this, I have been reading your threads for information for a while but this the first time I am typing asking for help, and I need it!*I also posted this in PARTS/REPAIRS but then found the hydraulics forum.
I've got a Ford 3000, the hydraulic pump started blowing hyd fluid between the pump body and pump cover on the top quite hard. I bought a rebuild kit and replaced the gaskets, springs, balls and guides, checked everything over to ensure all was ok, reassemble, put it back on the tractor, checked the fluid level, bled the pump and all was great!! Time to finally get back to Bush hogging the fields. (4 acres of my yard) I got only 15 minutes into it and on the way up the hill I looked down to notice it was leaking again. Not the same as before, it wasn't blowing out at full pressure from the top, this time it was a steady constant stream out the bottom. So I've got it all takin apart again on my work bench all pieces cleaned and dried, I am going to buy new gaskets again one of them had a very small nick in it. I did smooth off the pump body face as well as the exhaust valve plate rear face, they are much smoother and level.*
So all that being said, before I go and reassemble it again and quite possibly get the same outcome, is there something more I should check or do, could it be too high of pressure causing it? Would the exhaust valve plate be bad? Could it be getting plugged up down the line in the differential stopping the flow to where it builds up behind the exhaust valves and blowing out through the seems? Should I JB Weld the heck out of it and hope for the best? Lol. I am at a loss and at my wits end with the constant issues that keep arising. PLEASE HELP!!!
 
/ PLEASE HELP!!!! Hydraulic pump leaking,....... again!! #2  
Please bare with me guys as I am new to this, I have been reading your threads for information for a while but this the first time I am typing asking for help, and I need it!*I also posted this in PARTS/REPAIRS but then found the hydraulics forum.
I've got a Ford 3000, the hydraulic pump started blowing hyd fluid between the pump body and pump cover on the top quite hard. I bought a rebuild kit and replaced the gaskets, springs, balls and guides, checked everything over to ensure all was ok, reassemble, put it back on the tractor, checked the fluid level, bled the pump and all was great!! Time to finally get back to Bush hogging the fields. (4 acres of my yard) I got only 15 minutes into it and on the way up the hill I looked down to notice it was leaking again. Not the same as before, it wasn't blowing out at full pressure from the top, this time it was a steady constant stream out the bottom. So I've got it all takin apart again on my work bench all pieces cleaned and dried, I am going to buy new gaskets again one of them had a very small nick in it. I did smooth off the pump body face as well as the exhaust valve plate rear face, they are much smoother and level.*
So all that being said, before I go and reassemble it again and quite possibly get the same outcome, is there something more I should check or do, could it be too high of pressure causing it? Would the exhaust valve plate be bad? Could it be getting plugged up down the line in the differential stopping the flow to where it builds up behind the exhaust valves and blowing out through the seems? Should I JB Weld the heck out of it and hope for the best? Lol. I am at a loss and at my wits end with the constant issues that keep arising. PLEASE HELP!!!

When a pump gets worn it bypasses to much fluid and it builds pressure on the shaft seals or case and shaft seal depending on pump type. Then the seal fails. Same situation with a motor. Did you measure for wear before resealing? CJ
 
/ PLEASE HELP!!!! Hydraulic pump leaking,....... again!!
  • Thread Starter
#3  
No I haven't measured anything for possible size loss or being worn other than visually. Except I did smooth off the pump body face as well as the exhaust valve plate rear face, they are much smoother and level, they were worn and had some good scratches and nicks in them. I haven't resealed anything yet, what all should I be measuring?
 
/ PLEASE HELP!!!! Hydraulic pump leaking,....... again!!
  • Thread Starter
#4  
a73866.jpeg
 
/ PLEASE HELP!!!! Hydraulic pump leaking,....... again!!
  • Thread Starter
#5  
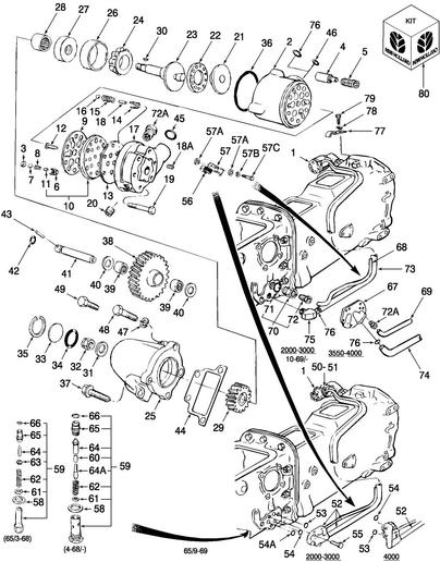
Here is an exploded view of the pump on the top left.
 
/ PLEASE HELP!!!! Hydraulic pump leaking,....... again!! #6  
That is not a pump I am familiar with, so I have no specs to give you to measure. But saying the port plates have nicks and grooves is not a good sign. A service manual should have the limits for wear on the pump. CJ
 
/ PLEASE HELP!!!! Hydraulic pump leaking,....... again!!
  • Thread Starter
#7  
I'm still waiting for the repair & service manual to get here, hoping it arrives by Friday.
 
/ PLEASE HELP!!!! Hydraulic pump leaking,....... again!! #8  
I am with CJONE on this one. It is likely time for a new pump and I am saying this knowing it is going to be quite expensive.
The support or bearing area for the shaft(s) wear and usually, unless you have a very skilled machinist, are non repairable.
With the shafts moving around as the pressure rises and falls in different parts of the pump you get both external and internal leaks.
Seals and gaskets cannot deal with the pressures they are then subjected to.
I have provided two photos of a pump from an old british tractor to give you an idea of what a repair can consist of.
The bronze bushing was custom made. It was almost like watch repair.
16hsrq0.jpg

2h3o7jq.jpg

Dave M7040
 
/ PLEASE HELP!!!! Hydraulic pump leaking,....... again!! #9  
Had high press leak. Tried 5 piece replacement kit, leaked worst. This is my $40 fix
 

Attachments

  • IMG_0088.jpeg
    10 MB · Views: 98
  • IMG_0075.jpeg
    IMG_0075.jpeg
    2.9 MB · Views: 83
  • IMG_0068.jpeg
    10.3 MB · Views: 98
 
Top