PTO came apart while bushhogging

   / PTO came apart while bushhogging #11  
suttles said:
Sorry I didn't make it clear on what fell off.

My husband fixed it. It was the bolt that holds the slip clutch.

Nothing was damaged. He thinks it just came loose from use.

I was mowing after dark but on flat ground.
Is that safe to do?
We have a Kubota L3130 and Kodiak Grizzley bushhog.
I want to take care of this great machine.
Thanks,
sandy

Sandy, sounds like a shear pin to me. No biggie! As far as bushhogging in the dark, not such a good idea, especially in high grass. Please don't ask me what a white-tail deer fawn looks like after a bush hog runs over it (and that happened in broad daylight in 4 ft high pasture grass). Stay with it. YES, IT IS THERAPY WITHOUT THE $90/HR IDIOT ASKING YOU "Well, what do you think???" BobG in VA
 
   / PTO came apart while bushhogging #12  
Sandy, not chewing you out or anything,but you need to be more in tune to the tractor sounds, feel and sometimes smell of when you are operating your tractor.It will tell you whats going on. Right or Wrong. Also when you are mowing constantly glance back over your shoulder to see that everything is OK. It may save you money by catching a problem before it causes more damage. And it's not that I've never messed up. Because I have. Just passing on some knowledge gained over the years. Have fun-work safe!
 
   / PTO came apart while bushhogging #13  
I'd say dark is when the headlights don't let you see where you're headed and the rear work light doesn't let you see where you've been. The serious farmers around here often do field work in the dark, sometimes very late at night, to take advantage of a weather window.

It's a little disconcerting to be honkin' down the road late at night with the radio blaring and see a rig with what looks like a bajillion lights moving across the blackness where you know darn well there are no roads. Someone who didn't know what was going on would be convinced a flying saucer was landing or something.
 
   / PTO came apart while bushhogging #14  
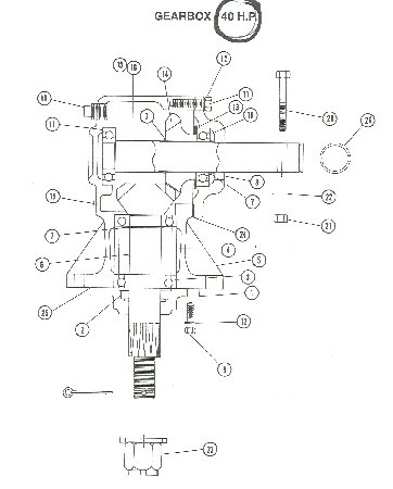
Sandy this is a picture of a 40 HP King Kutter gearbox showing the shear bolt and the circle clip that keeps the rear of the PTO from coming off if the shear bolt breaks.
 

Attachments

  • gearbox.jpg
    gearbox.jpg
    26 KB · Views: 243
   / PTO came apart while bushhogging #15  
suttles said:
Soundguy,
Do you have any pictures of what you were describing when you said:'"circlip' in a machined groove at the very end of the gearbox input shaft. if the shear pin pops, the yoke can not come of fthe shaft due to the circlip..."?

I posted what happened to the pto shaft and it was the clip that came off.
My husband thought it was just using it and it worked loose.
Anything I can learn about tractoring I would like to know.
I am afraid that I have not learned the names of the parts.
I do read the manuel and try my best to follow the instructions.
Even after reading and re reading I don't know what to call things. At first I didn't know what a pto was. Even after reading and seeing it. It just takes a while before I can become familar with the components.

I had to keep reading and asking what a shuddle shift was.
So hopefully I will have a better knowledge of the mechanical parts.

My husband knows the mechanical parts but this is the first time I have used a tractor.
I do feel like I am getting better at operating it.
I want to be sure that I can learn how to do some of the maintaince on it.

It feels so good to have something work and do what we ask of this machine to do.

There is a reward in seeing a pasture mowed after the grass has gotten to tall.

Any suggestions you have area greatly appreciated.
I would like to know that this piece you mentioned is.

Thanks,
sandy

Not to get off subject, but I'll tell a funny story on my wife. She would laugh too if she were listening. We just bought a Kubota compact tractor. She has never ran anything but our John Deere sub-compact mowing the lawn. I'm not home now and she was eager to use the new Kubota so I said, read the manual, sitting on the tractor looking at the controls, when you think you've got it figured out, fire it up and start mowing on the flat part of the lawn and work your way into the harder stuff as you get comfortable. So she did. After an hour or so of mowing flat ground she got braver. She mowed along the elevated road bank. As she was mowing downhill into a deadend she got the edge of the deck up on the road bank. This took the weight off that rear tire. When she stopped and tried to back out, it just spun that tire. The whole situation got her stressed and the more stressed she got the more logical thought went away. Our tractor has individual brakes, differential lock and is 4 wheel drive. Any one of those items could have been used to get out of this situation. She finally gave up and walked back to the house. Our elderly neighbors stopped by and said they would help her get it out, they brought their pickup and pulled her a couple feet and she was freed. When I called home she told me the story, laughing the whole time. When she finished I said did you try the diff lock? individual brake? or 4 wheel drive. By this time she was laughing her head off at how silly she had been. I guarantee you she now knows how to use all those features. The point of my story is that's how we learn, by doing. Keep right on using your tractor and it's attachments. Next summer you will be on here offering advice to some other person running their equipment for the first time!!! We've all been there!!! Some just at an earlier age. :)
 
   / PTO came apart while bushhogging #16  
PineRidge said:
Sandy this is a picture of a 40 HP King Kutter gearbox showing the shear bolt and the circle clip that keeps the rear of the PTO from coming off if the shear bolt breaks.


Good pic pineridge!

Soundguy
 
   / PTO came apart while bushhogging #17  
daTeacha said:
I'd say dark is when the headlights don't let you see where you're headed and the rear work light doesn't let you see where you've been. The serious farmers around here often do field work in the dark, sometimes very late at night, to take advantage of a weather window.

It's a little disconcerting to be honkin' down the road late at night with the radio blaring and see a rig with what looks like a bajillion lights moving across the blackness where you know darn well there are no roads. Someone who didn't know what was going on would be convinced a flying saucer was landing or something.

And some not-so-serious farmers have spent a LOT of time out in dark fields. Things like insurance, a paycheck, and the bank demanding I actually made payments on my loan meant I had to keep a full-time job all the while I was trying to farm, albiet on a small scale. I've bush hogged, cultivated corn, Picked corn, fed cows, fixed fences, and just about every chore I can think of after dark. In some cases, I'd much prefer to work in the dark. Cultivating corn comes to mind. That takes tremendous concentration. Daydreaming and looking around will make you plow out acres of corn. In the dark, all you see is what's in the tractors lights. Only trick was not falling asleep and plowing out a fencerow at the end of the field. (I won't tell you how I know that can happen....;) )

Worst part is battling with bugs wanting to hang out in the lights.
 
   / PTO came apart while bushhogging #18  
A friend of mine asked me whi I worked 2 jobs. my wife worked 2 jobs, when we have a farm. only half jokingly i replied that you can't have a farm nowadays unless you work another job to support it..

Soundguy
 
   / PTO came apart while bushhogging #19  
LOL. A farmer friend once told me, "I work to keep from going broke farming."
 
   / PTO came apart while bushhogging #20  
Billy_S said:
LOL. A farmer friend once told me, "I work to keep from going broke farming."

My favorite line is; "There's a lot of money in farming these days. I put a bunch of mine there".
 

Tractor & Equipment Auctions

2011 DOOSAN G25KW GENERATOR (A53843)
2011 DOOSAN G25KW...
HYDREMA 922HM 6X6 OFF ROAD DUMP TRUCK (A52706)
HYDREMA 922HM 6X6...
2016 Ford F-550 Palfinger PSC3216 4,000LB 2 Ton Crane Service Truck (A54814)
2016 Ford F-550...
2019 Caterpillar DP35N 7,000lb Diesel Forklift (A55851)
2019 Caterpillar...
2005 FORD F-150 XL (A55745)
2005 FORD F-150 XL...
2023 54' Hooklift Dumpster 15 Cubic Yard (A53422)
2023 54' Hooklift...
 
Top