Starting and Old JD 2 cylinder

   / Starting and Old JD 2 cylinder #11  
We still have 2 hand start JD tractors, a '41 B and a '43 BR. When properly tuned that flywheel will almost jump out of your hand with very little effort. It's fun to watch newbies try to start them. They crank til they're ready to pass out.:laughing::laughing:
Love the old iron.
 
   / Starting and Old JD 2 cylinder #12  
beenthere... has the wind STOPPED blowing across Iowa? :laughing: I moved away to WI :)

................
I had a "visionary moment" one summer cultivating the neighbor's corn with a JD 730 - 2 banger.

Neighbor wanted to give me instructions on the next field and leaned over to talk while standing next to the idling tractor. He was on the hand-clutch side with the rotating spool - belt pulley - as he leaned over to talk; one of the cotter pins on the belt pully snagged his pants just below the crotch and shredded the material right up to his belt buckle!!! :eek:

Thank God, no harm to skin or flesh - but what a shock to both of us!

AKfish

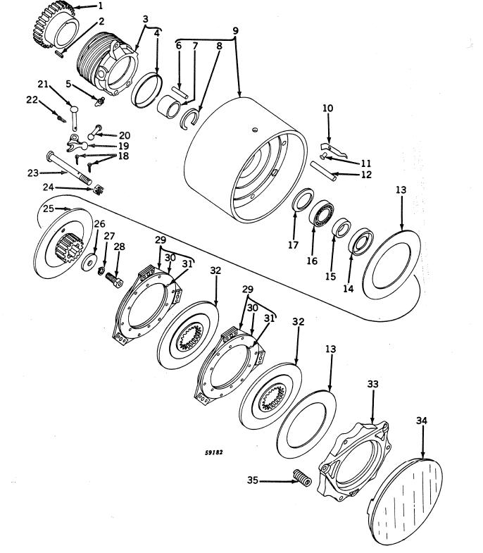
That had to have been because the pulley cover (#34) was off and exposed the cotter pins (#18) on the clutch adjuster bolts. With cover on, there was nothing to catch clothing. ;)
 

Attachments

  • 730_clutch.JPG
    730_clutch.JPG
    71.9 KB · Views: 152
   / Starting and Old JD 2 cylinder #13  
That had to have been because the pulley cover (#30) was off and exposed the cotter pins (#18) on the clutch adjuster bolts. With cover on, there was nothing to catch clothing. ;)

Yep... :eek:
 
   / Starting and Old JD 2 cylinder #14  
;)
I remember them being off too :) And sometimes they were hard to keep on if they'd been pried off a few too many times. But the clutch was easy to adjust by just popping that cover off and removing the three cotter pins. Not like having to split the tractor or anything difficult.
 
   / Starting and Old JD 2 cylinder #15  
;)
I remember them being off too :) And sometimes they were hard to keep on if they'd been pried off a few too many times. But the clutch was easy to adjust by just popping that cover off and removing the three cotter pins. Not like having to split the tractor or anything difficult.

It was my uncle's tractor. He had replaced the clutch and was trying to work on the adjustment. 'Course that was a week long process; at least. He didn't like it when the front wheels would come off the ground - if you didn't "baby" the clutch near the end of the throw! :eek:

I was around 19 or so... the wheel hop just made for an "interesting" start-up for me!! :D

AKfish
 
   / Starting and Old JD 2 cylinder #16  
Petcocks or petgeese...they're someones pets, eh?

You ever ask a girl if she wants to see your petcock and then when she enthusiastically says "Yes!", you whip out one of these and dash her high hopes and expectations? :D

ball%20petcock%20brass%200.25%20in_medium.jpg

My goodness...that sounds like something from a Stompin' Tom Connors song...
 

Tractor & Equipment Auctions

2010 Ford Edge SE SUV (A51694)
2010 Ford Edge SE...
2007 JOHN DEERE 624J WHEEL LOADER (A51406)
2007 JOHN DEERE...
2005 PETERBILT 379 (A53843)
2005 PETERBILT 379...
2018 Dodge Grand Caravan SXT Van (A53424)
2018 Dodge Grand...
Trail King 20ft T/A Flatbed Equipment Trailer (A51691)
Trail King 20ft...
2019 New Holland Workmaster 95 MFWD Compact Utility Tractor with 632TL Loader - Poultry Special (A55302)
2019 New Holland...
 
Top