Tandem center vs Open center valves

   / Tandem center vs Open center valves #11  
No clue how to find it now @dicktill , that link was done on the older forum software format.

Thanks Kenny. Do you have any recollections of your comments, or could you add a new one? I think this is directly applicable to my problems with my 4-spool Summit valve that we have discussed off-line.

A message from Summit said: “Our valve manufacturer responded with this: "When the customer has a floating spool, if he locks it in position, the by-pass line is kept connected, so the next spool should work, but if the floating position is on the spool after, it will not work."” I’m still waiting on them to send me a correct hydraulic schematic …
 
   / Tandem center vs Open center valves #12  
Thanks Kenny. Do you have any recollections of your comments, or could you add a new one? I think this is directly applicable to my problems with my 4-spool Summit valve that we have discussed off-line.

A message from Summit said: “Our valve manufacturer responded with this: "When the customer has a floating spool, if he locks it in position, the by-pass line is kept connected, so the next spool should work, but if the floating position is on the spool after, it will not work."” I’m still waiting on them to send me a correct hydraulic schematic …
I have no idea if he’s talking about power beyond capability, or if the valve is ported in series.

What’s the part number? I may be able to figure it out. I work at a hydraulics repair facility.
 
   / Tandem center vs Open center valves #13  
I have no idea if he’s talking about power beyond capability, or if the valve is ported in series.

What’s the part number? I may be able to figure it out. I work at a hydraulics repair facility.

Hi @Sportsfury70,

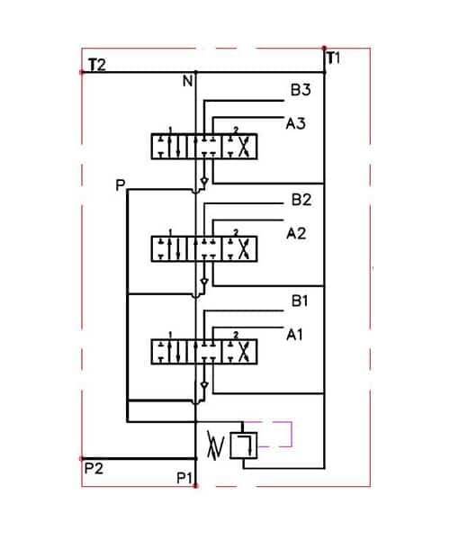
Appreciate your reply. The troublesome valve is a Summit P40G-4K16. Attached is their generic hydraulic schematic, and my interpretation of it. It sure doesn't seem to work like that.

Regards, Dick
 

Attachments

  • Summit valve schematic.jpg
    Summit valve schematic.jpg
    52.4 KB · Views: 82
  • Summit 4-spool valve with floats (my drawing).jpg
    Summit 4-spool valve with floats (my drawing).jpg
    168.4 KB · Views: 82
   / Tandem center vs Open center valves #14  
Yeah thier schematic is not great, and it doesn’t show the detented float position. Summit may call this an open center valve, but it’s more of a through center series valve.

What problem are you having? Trying to figure out how to plumb it in?
 
   / Tandem center vs Open center valves #15  
Yeah thier schematic is not great, and it doesn’t show the detented float position. Summit may call this an open center valve, but it’s more of a through center series valve.

What problem are you having? Trying to figure out how to plumb it in?
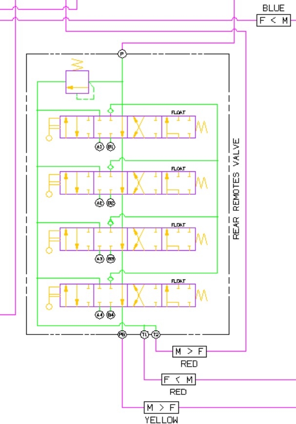
Here's an excerpt from a planned future thread: "My plan was that I would be able to have the two side link cylinders hooked up to two spools and be able to feather them just a little to be able to change the tilt and/or height just a little bit, but a problem occurred. Once you activate a spool the downstream ones don’t seem to work. I do understand that when activating multiple spools, the flow will go to the circuit with the least resistance, but this seems like more than that. Summit said (originally) that it should work, and the schematic shows a parallel gallery feeding all spools, so this again says it should work. When pressed about it, they spoke to their manufacturer and lo and behold, it turns out that this valve has tandem circuits, not parallel circuits!"

Now that I got their response, I changed to two adjacent spools and that seems to have solved that problem. But I would like to be able to have all spools to be responsive regardless of what-is-hooked-up-where and regardless of what-else-is-activated.
 
   / Tandem center vs Open center valves #16  
Ah now other schematic makes sense.

You’re going to need a pressure compensated, or maybe load sensing valve stack for that, and I’m not sure how you would do it with a through center or open center set up. Does your machine has a variable volume compensated pump? You could change to parallel ported float center valves and you would have the ability to run as many valves simultaneously as you want, assuming you have enough pump flow to do so.

Those are more common on larger hydrostatic machines.
 
   / Tandem center vs Open center valves #17  
Your problem is that essentially your pressure port is open to your tank port, so there’s flow with no pressure. Once you cycle a valve, that flow is being ported to the actuator and building pressure for itself and and valves upstream of it, but since the pressure lines are teed with reverse flow checks, you cant operate the downstream valves. Your float detent is sometimes considered a motor center position, but your system isn’t set up to use it.
 
   / Tandem center vs Open center valves #18  
Ah now other schematic makes sense.

You’re going to need a pressure compensated, or maybe load sensing valve stack for that, and I’m not sure how you would do it with a through center or open center set up. Does your machine has a variable volume compensated pump? You could change to parallel ported float center valves and you would have the ability to run as many valves simultaneously as you want, assuming you have enough pump flow to do so.

Those are more common on larger hydrostatic machines.
Your problem is that essentially your pressure port is open to your tank port, so there’s flow with no pressure. Once you cycle a valve, that flow is being ported to the actuator and building pressure for itself and and valves upstream of it, but since the pressure lines are teed with reverse flow checks, you cant operate the downstream valves. Your float detent is sometimes considered a motor center position, but your system isn’t set up to use it.
The tractor is a 2022 Massey Ferguson GC 1723EB (TLB) and it has a fixed flow gear pump as far as I know. A complete discussion of how (I think) the system is plumbed is in this thread: How Massey Ferguson GC 1723 & 1725 hydraulics are plumbed. I believe flow is in the 8-9 gallon per minute range after the steering gear takes its portion.

I don't follow the second of your two posts quoted here. Shouldn't that parallel passageway (assuming their schematic were correct, which is in doubt by their latest message) make fluid available to every one of the spools regardless of one or more being in float? What am I missing?

TIA
 
Last edited:
   / Tandem center vs Open center valves #19  
The tractor is a 2022 Massey Ferguson GC 1723EB (TLB) and it has a fixed flow gear pump as far as I know. A complete discussion of how (I think) the system is plumbed is in this thread: How Massey Ferguson GC 1723 & 1725 hydraulics are plumbed (errata: I stated 2023 model in that thread, it is actually a 2022 model). I believe flow is in the 8-9 gallon per minute range after the steering gear takes its portion.

I don't follow the second of your two posts quoted here. Shouldn't that parallel passageway (assuming their schematic were correct, which is in doubt by their latest message) make fluid available to every one of the spools regardless of one or more being in float? What am I missing?

TIA
I think what we are missing is a correct schematic. Yes your description makes sense, but there’s nothing shown in the schematic on the pressure line that shows how the fluid is controlled once a valve is actuated. Going strictly by the schematic, fluid should always go to tank based on how it’s plumbed, which makes no sense.

What does make sense, given the schematic is wrong, is that only upstream valves will work if downstream valves are actuated.

I don’t know where you are located, but PM me if you’re near the northeast. I work at the largest hydraulic repair facility in New England. We can get you set up with the correct valve for your application.
 

Tractor & Equipment Auctions

MAYTAG ATLANTIS WASHER & DRYER (A54757)
MAYTAG ATLANTIS...
UNUSED FUTURE ST60 HYD SIDE SHIFT FORKS (A54757)
UNUSED FUTURE ST60...
2021 International HV507 4x4 12ft Single Axle Dump Truck (A55852)
2021 International...
CUSHMAN HAULER PRO GAS GOLF CART (A51406)
CUSHMAN HAULER PRO...
2008 Ford E-350 Versalift 29N 29ft Bucket Van (A55788)
2008 Ford E-350...
BUNDLE OF 96" X 40" DIAMOND PLATE SHEET METAL (A54756)
BUNDLE OF 96" X...
 
Top