YM2310D not charging

/ YM2310D not charging #1  

cswiger

New member
Joined
Aug 13, 2018
Messages
13
Tractor
Yanmar 2310D
Help! I have a yanmar 2310D that I think has quit charging. A couple of months ago we had cold weather that I think killed the battery. I needed to start the tractor and used jumper cables to start it. During the process the jumper cables got connected in reverse polarity. After getting it corrected I started it and let it run awhile. When I shut it down I noticed the gauges had quit working and when it was running the battery voltage was low, about 9.5 volts. I have replaced the battery and found a blown fuse that got the gauges back on but I'm still not putting out any voltage, I just read battery voltage of about 12.5 volts which is the same as when the engine isn't running. I am thinking the voltage regulator may be fried but am unsure of how to check it. Any help would be greatly appreciated. Thanks in advance!
 
/ YM2310D not charging #2  
Unplug your dynamo and use a voltmeter turned to ac voltage and touch the leads to the two wires coming off your dynamo. Rpms will effect output, could be anywhere from 15 to 30 ac volts depending on rpm. That should tell you whether your dynamo is good or not. Dynamos give very little trouble, most times it will be your regulator/rectifier. Occasionally a wiring problem.
 
/ YM2310D not charging
  • Thread Starter
#3  
Thank you Winston, your advice has always been helpful for me. I will check it tomorrow!
 
/ YM2310D not charging #4  
I don't even do that. If the alternator is charging, it (body) will be warm. If it stays at ambient temp, it's not charging and needs replaced.
 
/ YM2310D not charging #5  
I don't even do that. If the alternator is charging, it (body) will be warm. If it stays at ambient temp, it's not charging and needs replaced.
It's not an alternator on this model, it's a dyno-generator. Really old school. :) It does the job.
 
/ YM2310D not charging
  • Thread Starter
#6  
Thanks again for the help, I checked the generator/Dyno output and I get 15-27 volts AC depending on engine rpm. Any suggestions on a replacement voltage regulator?
 
/ YM2310D not charging #7  
I'm not running a Dyno But VR-522 for the 2310 here is the new Solid State on the steering shaft. The Org. V reg ended up working so It's in the dash still. Fredricks uses the same Wiring clip so not much to replace it! The Org. is the Blk. box behind it! Super old Pic.. If it charging I'm thinking it maybe a battery or cable problem. 15-27 My Alt. only 14.25 running @ 2000rpm's

Attachments

  • 000_0222.JPG
    000_0222.JPG
    2.5 MB · Views: 644
 
Last edited:
/ YM2310D not charging #8  
Not really recommending. Just posting one to let you know there are lots out there. Amazon.com
 
Last edited:
/ YM2310D not charging #9  
The problem is the Dyno is working. 15V. that's really good how he's getting 27V ? If that is true also?
 
/ YM2310D not charging #10  
The Dyno puts out ac voltage, the rectifier/regulator changes is to dc voltage. His 15 to 27 volts is ac before the rectifier/regulator.
 
/ YM2310D not charging #11  
A voltage Reg. works or doesn't. He has a bad ground Burnt wire etc. to get that much output! Esp. a little Dyno!
A voltage regulator is a system designed to automatically maintain a constant voltage. It may use a simple feed-forward design or may include negative feedback. It may use an electromechanical mechanism, or electronic components. Depending on the design, it may be used to regulate one or more AC or DC voltages.

Electronic voltage regulators are found in devices such as computer power supplies where they stabilize the DC voltages used by the processor and other elements. In automobile alternators and central power station generator plants, voltage regulators control the output of the plant. In an electric power distribution system, voltage regulators may be installed at a substation or along distribution lines so that all customers receive steady voltage independent of how much power is drawn from the line

The reason I have Regulators the Old style and New Is A bad wire connection and caused the Dash light started to come on/Flicker. I was still charging. 14.75 @ Idle. Drove me crazy until I got lucky and hit the wire connection checking fuses. Both work perfect to the day!
 
Last edited:
/ YM2310D not charging #12  
Here is my experience. I stopped charging. The tests checked out that the VR was bad but when I swapped that it didn't work. From the tests it looked like the alternator was bad. Ordered a new alt from Rock Auto and installed a new VR that I also purchased there and it works now and charges. I believe the old VR was fine and I guess my reading were suspect or I was reading them wrong or something. I'm not an idiot with a bolt meter and what I was seeing made me at first think the alt was good. Bottom line it wasn't and just needed an alternator. It wasn't much and now the charging system works again is all I care about.
 
/ YM2310D not charging
  • Thread Starter
#13  
Just as a follow up, is there a fuse link or fused wire in the circuit to the voltage regulator? I have a manual from Hoye Parts but it's with the tractor 300 miles from me right now. Trying to be prepared for when I get back to it.
 
/ YM2310D not charging #14  
You might see this since the old Mechanical Reg. 4 plug. May have been replaced with a Solid State. What I'm showing VR-522 6plug YM2310 and then use a Wire harness Adapter WH-522 The 6 plug adapter splits to 2.Adapters Fredricks. I followed the wire to my "Voltage trouble light" to the back of the Fuse Panel. Not much to it I don't believe.. The Pic. Ym2000 SS. and the Org. VR Mech. is the Blk box behind it.

Attachments

  • 000_0222.JPG
    000_0222.JPG
    2.5 MB · Views: 644
 
/ YM2310D not charging #15  
Just as a follow up, is there a fuse link or fused wire in the circuit to the voltage regulator? I have a manual from Hoye Parts but it's with the tractor 300 miles from me right now. Trying to be prepared for when I get back to it.
1712959114902.png
 
/ YM2310D not charging #16  
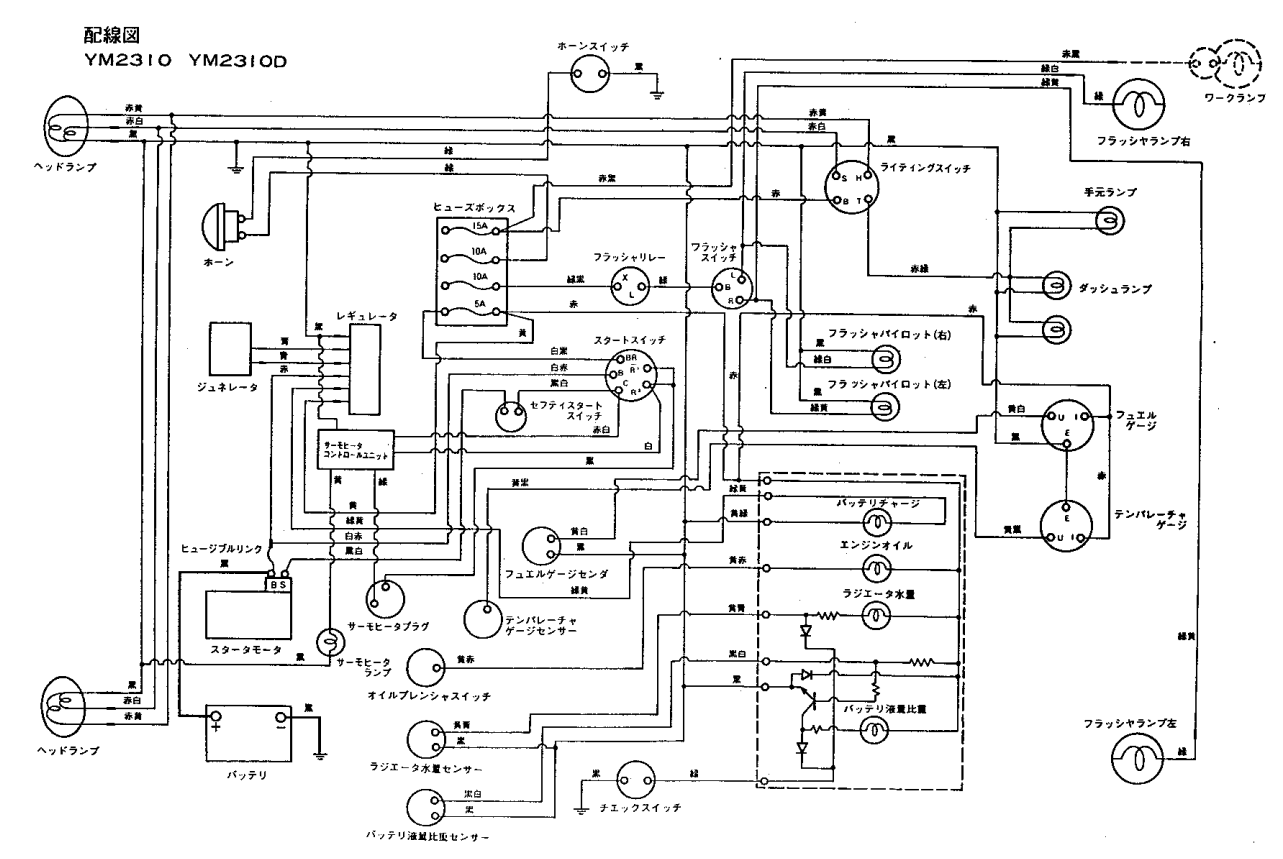
Now you are wondering, how would I decipher this mess? :LOL:

Don't worry, be happy. Members here and on the YTOG came together and provided hi-res images of their US domestic
YM 3-digit machine schematics. Use the attached PDF doc to figure things out, compliments of the YTOG.

(y)
 

Attachments

  • YANMAR ELECTRICAL SCHEMATICS YM 3-DIGIT MODELS R3.pdf
    7.8 MB · Views: 200
/ YM2310D not charging #17  
I have the 3 Digit 336 Dia. I bet your real be happy!!;)
 

Attachments

  • 336D wiring diagram0001.pdf
    597.6 KB · Views: 196
/ YM2310D not charging #19  
Let us know what worked. Here is a synopsis that may help.

Whether you call them generators, dynamos, or alternators is purely regional preference. They all do the same thing; they rotate and put out AC at a higher AC voltage than the battery needs for charging.

After the AC voltage is created, it goes to a "RECTIFIER plate" - where 4 rectifiers working as one change the AC voltage into a DC voltage. DC voltage is required to charge the battery.

Depending on how fast the motor is turning when you measured it, you may see from 15 to 30 VAC from a good generator/alternator. That is too much, so after rectification happens, the next in line is the VOLTAGE REGULATOR" which limits the charging voltage to the 13 to 17 VDC range. That rage of DC voltage will charge the battery OK, because the battery itself limits how much voltage it uses.

The problem is that Yanmar made a wide range of Generators, Rectifiers, and especially Voltage Regulators. And the further problem is that you need one that is designed so that the 3 parts all work together.
Since your Generator is OK, next step is to check the rectifiers on the rectifier plate. If it is changing AC to DC on your VOM meter, all is OK. If not, use the resistance or continuity checker feature on your Volt/ohmmeter and check each rectifier diode -there are 4. Each rectifier diode should only conduct in one polarity direction - you will have to remove wires to check each one.
The rectifiers plate with these diodes may be within the generator, attached to it, or on a separate plate. Then if the rectifiers are all OK, I expect you will order a voltage regulator that is as close to your OEM one as you can.

If none of this works, Autozone & NAPA type parts stores now carry a UNIVERSAL 12 volt small Japanese car alterator that has all three of those functions in one shell. It is universal mount and about $50. They come in two wire an three wire types. Get the 3 wire type if you can, it charges better at low RPM.
Luck,
rScotty
 
/ YM2310D not charging #20  
Take this to Auto zone with you.
1713047443592.png
 
 
Top