Sasquatch4100
Silver Member
I bought this tractor with 120hrs on it and it the Selector Control valve (aka spool valve) for the loader worked well the majority of the time. Every once in a while it'd stick when curling the bucket to the down position. I thought maybe the linkages were hanging up so I lubed them and checked adjustment. Didn't find any issues on the outside.
I was doing some heavy work recently and noticed the bucket wouldn't go down and instead would jump to the up position. That happens about halfway through the lever travel. If you continue to the end it actually will curl the bucket all the way up as if you're activating the up function on the bucket. I believe a seal or spring may have went in the spool valve (SCV).
According to the John Deere parts site there aren't any serviceable parts in that assembly to replace and they want 1,400.00 for the entire valve!:shocked: Sheesh. I might be able to take the valve apart and match up what ever is broken inside. It's a tight fit to get in there. so it's going to be a pain, especially since I have the power beyond kit on it.
BTW, the boom or lift arms are operating normally.
If I can't fix it with a few parts I might replace that SCV with a standard spool from the surplus store and I'd be able to get a float option. That'd be nice, but I'd like to keep it stock if possible.
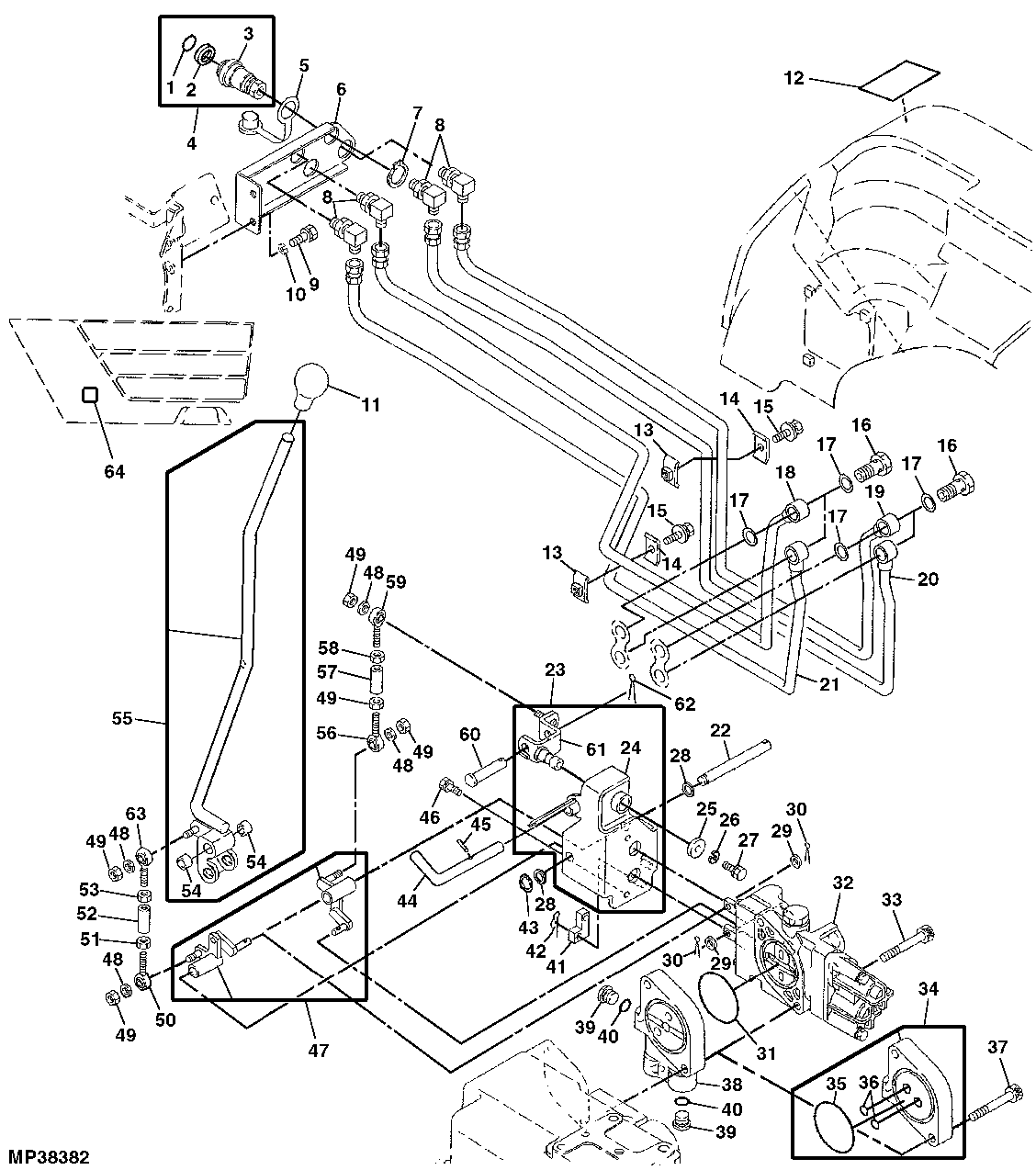
The SCV is number 32. Thanks!
I was doing some heavy work recently and noticed the bucket wouldn't go down and instead would jump to the up position. That happens about halfway through the lever travel. If you continue to the end it actually will curl the bucket all the way up as if you're activating the up function on the bucket. I believe a seal or spring may have went in the spool valve (SCV).
According to the John Deere parts site there aren't any serviceable parts in that assembly to replace and they want 1,400.00 for the entire valve!:shocked: Sheesh. I might be able to take the valve apart and match up what ever is broken inside. It's a tight fit to get in there. so it's going to be a pain, especially since I have the power beyond kit on it.
BTW, the boom or lift arms are operating normally.
If I can't fix it with a few parts I might replace that SCV with a standard spool from the surplus store and I'd be able to get a float option. That'd be nice, but I'd like to keep it stock if possible.
The SCV is number 32. Thanks!