5205 Dual Control Valve - Loader won't tilt bucket

   / 5205 Dual Control Valve - Loader won't tilt bucket #21  
cynthiaeryan,

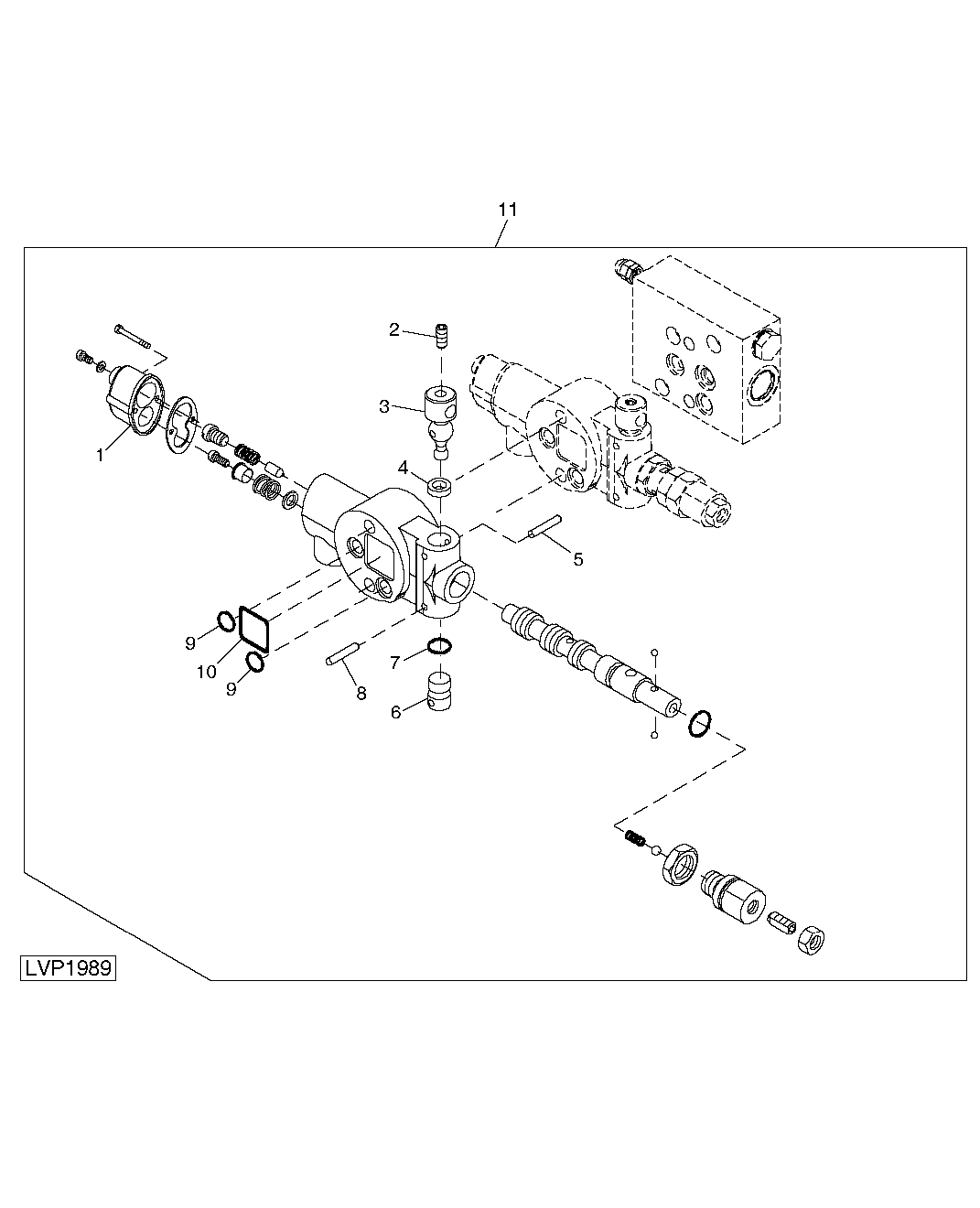
Can you remove the lever assembly from the regen spool and see if the spool can move in and out of the valve equally. Should move about 1/2 in, in both directions. It may be hard to push in and pull out.

Are you able to disassemble the spool from the valve?

If so, take the can off the bottom, and inspect, clean, replace parts if necessary, then reassemble, and lube and tighten nut to hold all the parts tight.

Be careful of the little springs and balls that are inside the can. They are parts far the regen soft stop.

There may be some debris in the spool hanging up the spool as it tries to slide in the bore.
 
   / 5205 Dual Control Valve - Loader won't tilt bucket #22  
Ditto what J_J stated. The items under parts key #1 could be your valve's problem.
 

Attachments

  • control valve.gif
    control valve.gif
    18.1 KB · Views: 258
   / 5205 Dual Control Valve - Loader won't tilt bucket #23  
If your tractor uses two levers for the valve and not a joystick there will not be any cables. Time to take the valve apart.
 

Tractor & Equipment Auctions

UNUSED LANDHONOR BS-12-2500G BALE SPEAR (A54757)
UNUSED LANDHONOR...
UNUSED WOLVERINE ADB-13-1218R HYD AUGER (A54757)
UNUSED WOLVERINE...
Brent 420 Grain Cart (A55301)
Brent 420 Grain...
2013 COACHMEN CATALINA TRAVEL TRAILER (A52472)
2013 COACHMEN...
2016 Chevrolet Sonic LS Hatchback (A53424)
2016 Chevrolet...
2015 Peterbilt 320 T/A EZ-Pack Front Loader Garbage Truck (A51692)
2015 Peterbilt 320...
 
Top