5205 Dual Control Valve - Loader won't tilt bucket

   / 5205 Dual Control Valve - Loader won't tilt bucket
  • Thread Starter
#11  
no go. It moves a bit and rotates easily, but doesn't disconnect. Any other ideas? The other connections up to the boom all have the same coupler.
 
   / 5205 Dual Control Valve - Loader won't tilt bucket #12  
Try shutting the tractor off, then moving the controls in all directions a couple to times to clear any pressure in the lines before trying to take it off.

Aaron Z
 
   / 5205 Dual Control Valve - Loader won't tilt bucket
  • Thread Starter
#13  
Tried that as well, as you can see in the photo, not much rust around fittings, but pushing in and pulling out doesn't do anything. It only pushes in a fraction of an inch...
 
   / 5205 Dual Control Valve - Loader won't tilt bucket #14  
Tried that as well, as you can see in the photo, not much rust around fittings, but pushing in and pulling out doesn't do anything. It only pushes in a fraction of an inch...

If the cables(parts key #13) are dirty/rusty then relieving hyd pressure on control valve is difficult causing quick-disconnects in your photo difficult to disconnect and more difficult to reconnect
 

Attachments

  • LVP7514________UN20JUL06.gif
    LVP7514________UN20JUL06.gif
    35.1 KB · Views: 526
   / 5205 Dual Control Valve - Loader won't tilt bucket
  • Thread Starter
#15  
Thanks all for all of the help and suggestions. Turns out 125 pounds of me just wasn't enough to push/pull the connections out. Enlisted strong neighbor, with a couple taps of the hammer on one of the connections, we switched them out, tilted bucket back up (hooray) and can at least use the tractor while figuring out the cleaning of the control valve. Hopefully doesnt have to come to buying an 825.00 part!
 
   / 5205 Dual Control Valve - Loader won't tilt bucket #16  
In your first post you said the lever for the bucket doesn't move back at all. I'll bet a new cable will solve your problem. Swapping the boom valve cable (at the valve) to the bucket valve would verify if its the cable.
 
   / 5205 Dual Control Valve - Loader won't tilt bucket #17  
Sounds like he his loader connected the same way as my 5105 (same tractor as 5205 except for fuel pump). Tractor has two rear remotes operated by two levers on right side of seat. The levers operate the valves and I don't think that there are any cables.
 
   / 5205 Dual Control Valve - Loader won't tilt bucket #18  
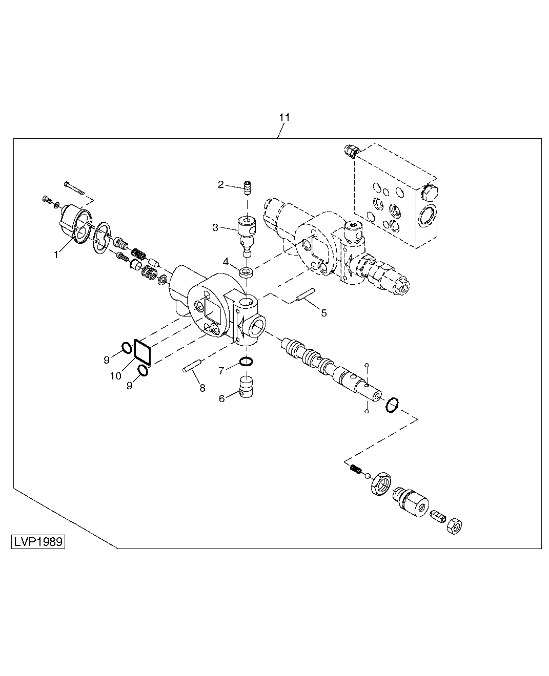
I'll bet there are cables from joystick to hyd valve. Look at the parts schematic I posted earlier.
 
   / 5205 Dual Control Valve - Loader won't tilt bucket
  • Thread Starter
#19  
I'll bet there are cables from joystick to hyd valve. Look at the parts schematic I posted earlier.

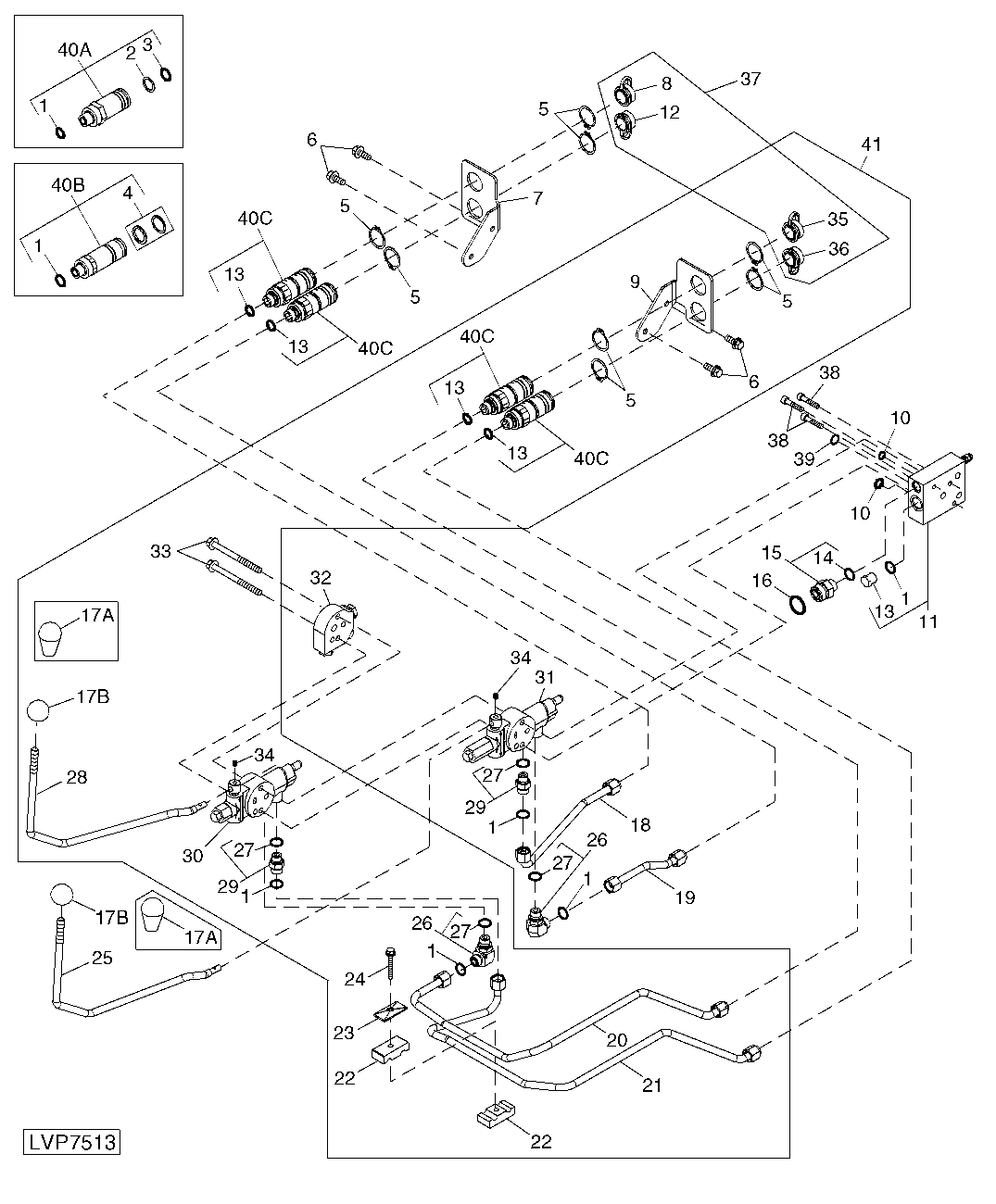
There does not appear to be cables on the diagram for the dual control valve. By the way "he" is a "she" :)LVP7513________UN20JUL06 (1).gif
 

Attachments

  • control valve.gif
    control valve.gif
    18.1 KB · Views: 404
   / 5205 Dual Control Valve - Loader won't tilt bucket #20  
Sorry but it's difficult to see ones gender and tell what options a tractor has by looking at a PC monitor.
 

Tractor & Equipment Auctions

2023 CATERPILLAR 259D3 SKID STEER (A52705)
2023 CATERPILLAR...
2019 POLARIS RANGER XP PROSTAR 900 HD DOHC UTV (A51406)
2019 POLARIS...
JOHN DEERE XUV590M LOT NUMBER 27 (A53084)
JOHN DEERE XUV590M...
BUYER'S PREMIUM INFO (A53084)
BUYER'S PREMIUM...
2008 Ford F-150 Ext. Cab Pickup Truck (A53422)
2008 Ford F-150...
KUBOTA M6800 UTILITY SPECIAL TRACTOR (A51406)
KUBOTA M6800...
 
Top