90 Degree Bevel Gearbox on Kubota F3060 - 72" Rear Discharge Deck

   / 90 Degree Bevel Gearbox on Kubota F3060 - 72" Rear Discharge Deck #41  
They don't sell Hercules engines either, but you can still buy the pieces. You can still buy the guts for the gearbox. I worked at Kubota and did many.
 
   / 90 Degree Bevel Gearbox on Kubota F3060 - 72" Rear Discharge Deck
  • Thread Starter
#42  
That's cheap! Look at the price for one of the gearboxes for a RCK BX54/60 decko_Oo_Oo_O! Glad I don't need one, cheaper to find a whole used deck on marketplace or craigslist....

Yes I agree.


As can be seen in post #1 of this thread, my mower deck came from the factory with a simple 90 degree bevel gearbox which can easily be replaced with a generic 90 deg. gearbox, as long as it has the same mounting dimensions and shaft diameters so there are options.

Spinco.jpg



To me it looks like some of the newer Kubota decks are using gearbox design where you may not be able to find any generic alternatives that would bolt on easily.


That's not so bad as long as individual gearbox parts are still available, unlike in my case.
 
Last edited:
   / 90 Degree Bevel Gearbox on Kubota F3060 - 72" Rear Discharge Deck
  • Thread Starter
#43  
Update:

It's been little over year and around 60 hours of use, since I replaced the 90 degree gearbox in my F3060 mower deck and I am glad to report it has worked flawlessly so far.
It's just a simple gearbox so with oil change every couple of years it should outlast the rest of the mower.




IMG_5538.JPG

IMG_5246.JPG
 
Last edited:
   / 90 Degree Bevel Gearbox on Kubota F3060 - 72" Rear Discharge Deck #44  
Update:

It's been little over year and around 60 hours of use, since I replaced the 90 degree gearbox in my F3060 mower deck and I am glad to report it has worked flawlessly so far.
It's just a simple gearbox so with oil change every couple of years it should outlast the rest of the mower.




View attachment 758392

View attachment 758432
Arto,

I apologize for highjacking this thread a bit. I noticed the picture of you deck with the covers off. MY belt tensioner looks much different than yours. I do not have an image of mine at the moment but will describe it:
I only have and single rod with one spring, which has been mangled from a broken spring into a spring that will make do. I am sure yours is the factory setup. The 60" deck utilizes one spring, but probably with a different rod. I have a lead on a "new, old stock" part that has been discontinued. If that does not pan out, I may be reaching out to you for some dimensions to build a replacement. It looks like a pretty simple part to build. I would make it as close to stoke as possible.

Thank you for posting the image,

Doug
 
   / 90 Degree Bevel Gearbox on Kubota F3060 - 72" Rear Discharge Deck
  • Thread Starter
#45  
Arto,

I apologize for highjacking this thread a bit. I noticed the picture of you deck with the covers off. MY belt tensioner looks much different than yours. I do not have an image of mine at the moment but will describe it:
I only have and single rod with one spring, which has been mangled from a broken spring into a spring that will make do. I am sure yours is the factory setup. The 60" deck utilizes one spring, but probably with a different rod. I have a lead on a "new, old stock" part that has been discontinued. If that does not pan out, I may be reaching out to you for some dimensions to build a replacement. It looks like a pretty simple part to build. I would make it as close to stoke as possible.

Thank you for posting the image,

Doug

Doug,

No problem, you can send me a private message later if you like.


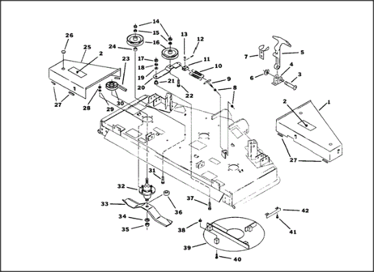
Below is drawing showing 72" RD parts in more detail.

The tensioner arm should be available from Messicks or any other Kubota dealer for about $45 or so.

Kubota RC72R-F24 (72" REAR DISCHARGE MOWER) Parts

It is a piece of regular flatbar with couple of sharp bends and 3 or 4 drilled holes, certainly DIY part if you have access to proper tools.
The one in my mower may not have any bends at all as far as I recall?

Tensioner.png



Here is another view of the idler:
IMG_2700.JPG
 
Last edited:
   / 90 Degree Bevel Gearbox on Kubota F3060 - 72" Rear Discharge Deck #46  
Doug,

No problem, you can send me a private message later if you like.


Below is drawing showing 72" RD parts in more detail.

The tensioner arm should be available from Messicks or any other Kubota dealer for about $45 or so.

Kubota RC72R-F24 (72" REAR DISCHARGE MOWER) Parts

It is a piece of regular flatbar with couple of sharp bends and 3 or 4 drilled holes, certainly DIY part if you have access to proper tools.
The one in my mower may not have any bends at all as far as I recall?

View attachment 758903


Here is another view of the idler:
View attachment 758904
Arto,

Thanks for the reply.

Actually, my tensioner arm is fine. It is the threaded tensioner rod that is on my deck that is redneck engineered. I was able to source the part from a North Carolina Kubota dealer. I was told it was the only one in the US, since it is no longer available. I ordered another spring to match the one I ordered last week, and the spring clip that is between the idler arm and the springs.

I should be able to have the deck back to stock configuration late next week or early the following week.

Thanks again,
Doug
 
   / 90 Degree Bevel Gearbox on Kubota F3060 - 72" Rear Discharge Deck
  • Thread Starter
#47  
Update:

It's been close to four years and many hours of mowing since I replaced the mower deck bevel gearbox with $135 eBay aftermarket one and it is still performing flawless!

The first oil change was after only few hours of use mainly to get any fine metal out, I've done couple of more oil changes, and have since switched to synthetic gear oil.

The gearbox gets barely warm after couple of hours of mowing, so far so good.
 

Tractor & Equipment Auctions

2016 John Deere 35G Mini Excavator (A55973)
2016 John Deere...
Black Metal Roof Panels (A55758)
Black Metal Roof...
John Deere Stand-On Mower (A56857)
John Deere...
New/Unused CFG Industrial H15R Mini Excavator (A57453)
New/Unused CFG...
2008 Ford F-250 Lariat 4X4 - 303,424 miles - 6.4L Powerstroke -Automatic (A56438)
2008 Ford F-250...
UNUSED FUTURE 16" HYD AUGER (A52706)
UNUSED FUTURE 16"...
 
Top