Den1952
Bronze Member
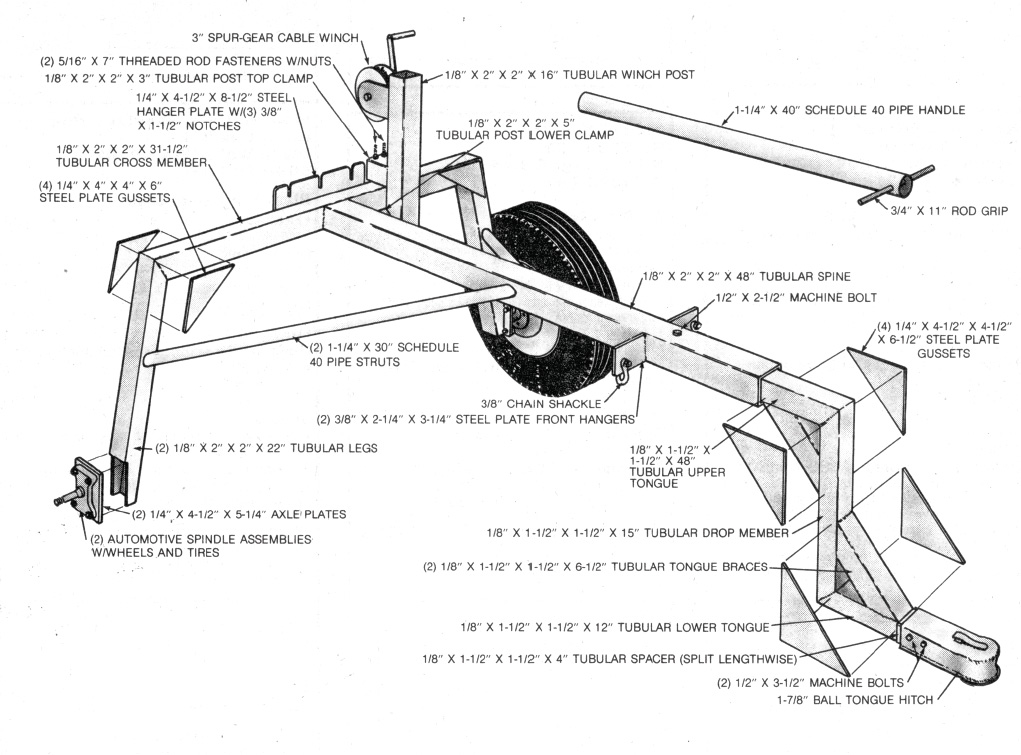
I am still admiring that truss system you worked out. I would want that even if it werent called for. My son just acquired a log arch, seems to be a similar size to yours. not sure but guessing about 6 feet roughly from the wheels forward to the end of the log, maybe more. I made up an inverted vee for him , we will mount that on the forward end of the beam, when he winches up a log the front end can get trapped into the inverted vee, and we can strap it in place, the idea being to prevent any side swing while traveling , also to prevent any teeter tottering of shorter logs. I think we will also mount another winch up front. If he has shorter logs we would have a winch on each end of it, fully suspended. I dont seem to see any like that on the various photos I have ran across. has anybody any ideas why not to do that?

