Dual 3rd Function

/ Dual 3rd Function #1  

helmdog25

Member
Joined
Apr 17, 2017
Messages
49
Location
Crystal River, FL
Tractor
Kioti CK2620H, Kubota B7100, B6200 - JD 510C loader/backhoe
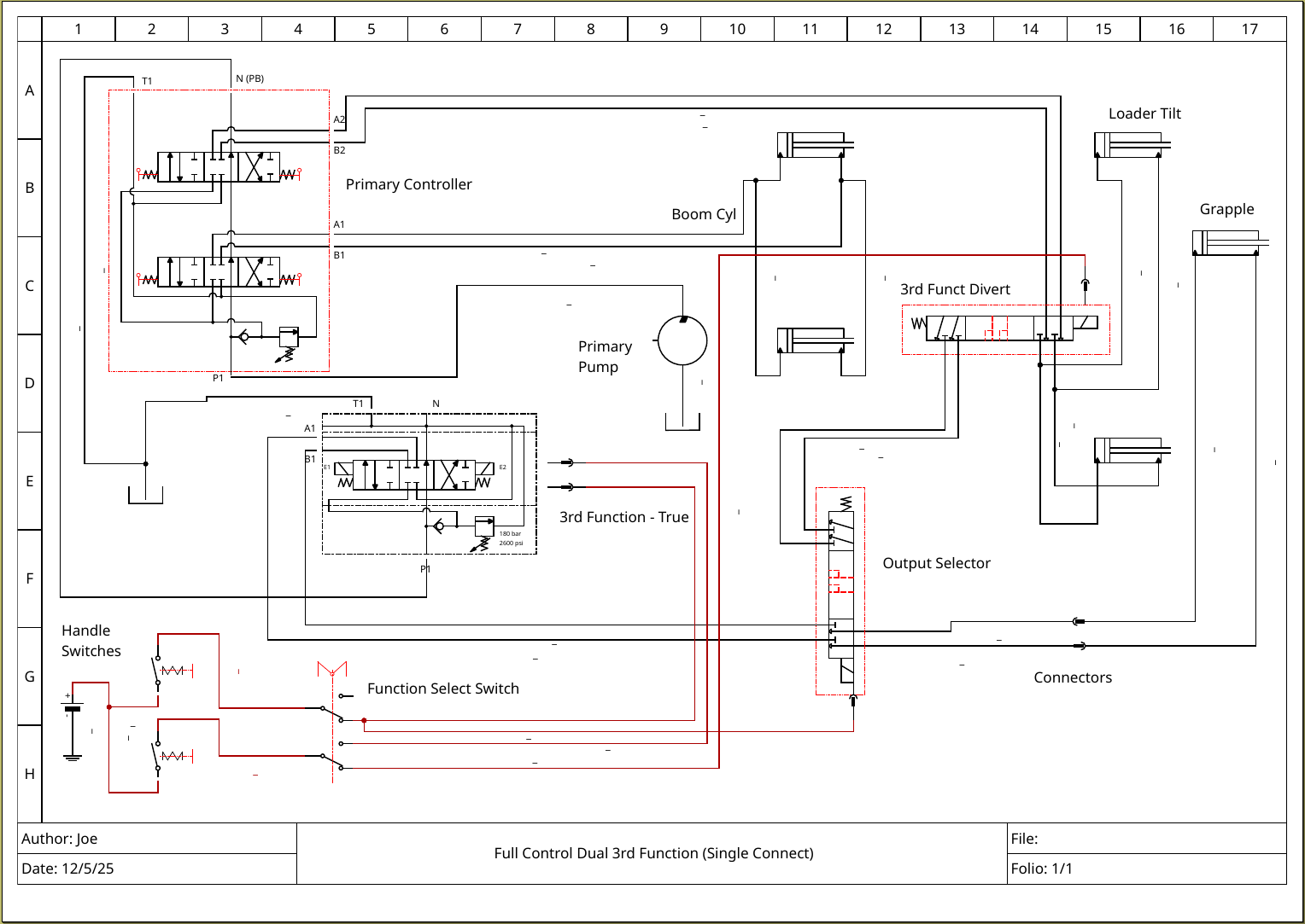
So as some of you know, I recently bought a new Kioti CK2620H. I need a 3rd function for some attachments and didn't get one installed by the dealer. In researching I wasn't sure if I wanted to go with a "true" 3rd function or a diverter type. Both seemed to have pros & cons, so I decided I'd like to make a dual system 3rd function. Basically I'm going to put both a electronic power beyond valve that will work with both joystick buttons, and a diverter valve that works with just one, then a selector switch to see enable one or the other. So far I've just done the design in a schematic and bought the major components. I still need to figure out the actual wiring, mounting and line routing.

Anyone have thoughts or additional suggestions?
Dual-3rd-function.png

Here's the valves I'm going to use:
Hydraulic Solenoid Diverter Valve, 6 ports selector, 13 GPM | Magister Hydraulics (two of these, one as the 3rd function diverter, the other as the output selector)
 

Attachments

  • Hydra-Dual-3rd-function-Full-Control.pdf
    20.5 KB · Views: 76
/ Dual 3rd Function #2  
You can stack those diverter valves to has many as you need. 3rd, 4th, 5th function, etc. Then just use the buttons from the joystick. Mount the block of valves on the cross member of the loader and you would only need a couple of hoses and a couple of fittings to connect it to the curl circuit.

Personally, I would rather retain the ability of feathering the controls that the diverter allows you to do. It would also make for a clean and simpler install.

I believe there is this slight misconception that a "true" 3rd function allows the operator to use all functions at the same time but in reality it's not quite like that.
 
/ Dual 3rd Function #3  
What's the reasoning for 2 different types of 3rd function valves? If you need 2 functions I could see it. I've had both types and would only have the live 3rd function.
 
/ Dual 3rd Function #4  
The directional valve requires power beyond sleeve or plug. Is that option listed or available?
 
/ Dual 3rd Function #5  
The directional valve requires power beyond sleeve or plug. Is that option listed or available?
Every one of the Compact Utility tractors I have seen with a hydrostatic transmission, have the power beyond installed on the loader valve from the factory, and use that to power the 3-point.

I'm planning to install a second loader valve on my T233, to control top and tilt on the 3-pt. I was thinking of using two diverter valves on the rear remote line. Then I found an eBay listing for a couple of the control valves for my tractor, NOS from the inventory of a closed TYM dealer. And decided that I could use a second control valve mounted at the right rear fender, to control the top and tilt.
 
/ Dual 3rd Function
  • Thread Starter
#6  
Every one of the Compact Utility tractors I have seen with a hydrostatic transmission, have the power beyond installed on the loader valve from the factory, and use that to power the 3-point.

I'm planning to install a second loader valve on my T233, to control top and tilt on the 3-pt. I was thinking of using two diverter valves on the rear remote line. Then I found an eBay listing for a couple of the control valves for my tractor, NOS from the inventory of a closed TYM dealer. And decided that I could use a second control valve mounted at the right rear fender, to control the top and tilt.
I had dual rear remotes installed by the dealer. I bought the Vevor hydraulic top link and it seems to work great, but I haven't actually had anything on the hitch yet.

Currently, I'm just starting to plan out the physical layout and where all the components and lines are going to route. Been busy getting my old Kubota ready for sale.


hydr-top-link.jpg
 
/ Dual 3rd Function #7  
I had dual rear remotes installed by the dealer. I bought the Vevor hydraulic top link and it seems to work great, but I haven't actually had anything on the hitch yet.

Currently, I'm just starting to plan out the physical layout and where all the components and lines are going to route. Been busy getting my old Kubota ready for sale.


View attachment 4516299
It looks like your about to break off those banjo fittings or pop a hole in that tank. I would not rely on those banjo fittings not turning with out some type of support.
 
/ Dual 3rd Function
  • Thread Starter
#8  
It looks like your about to break off those banjo fittings or pop a hole in that tank. I would not rely on those banjo fittings not turning with out some type of support.
Good call, I ended up turning it over so the hoses were on the bottom. I should also mention that I had to grind the top link ball end narrower to fit into the kioti's link bracket.
 
/ Dual 3rd Function #9  
You can stack those diverter valves to has many as you need. 3rd, 4th, 5th function, etc. Then just use the buttons from the joystick. Mount the block of valves on the cross member of the loader and you would only need a couple of hoses and a couple of fittings to connect it to the curl circuit.

Personally, I would rather retain the ability of feathering the controls that the diverter allows you to do. It would also make for a clean and simpler install.

I have a diverter and can feather it just fine. The button on the joystick activates the diverter and changes the curl/dump (side to side motion) of the joystick to control the third function. You can feather it the same as using it for curl/dump. Perhaps there is more than one way to implement these?
 
/ Dual 3rd Function #10  
I have a diverter and can feather it just fine. The button on the joystick activates the diverter and changes the curl/dump (side to side motion) of the joystick to control the third function. You can feather it the same as using it for curl/dump. Perhaps there is more than one way to implement these?
That's what I said. Diverters allows to feather the controls, while a 3rd function solenoid valve won't.
 
/ Dual 3rd Function #11  
Oopsie. Read it too fast I guess. (y)
 
/ Dual 3rd Function
  • Thread Starter
#12  
So I've been making some slow progress on the build of my "Dual" system. I am realizing this was probably an "over kill" project, but it was always a more of a "could I" than a "should I". Thought I'd upload a few picts.
 

Attachments

  • Components.jpg
    Components.jpg
    589.6 KB · Views: 73
  • Components2.jpg
    Components2.jpg
    654.7 KB · Views: 64
  • FlatFaceConnectors1.jpg
    FlatFaceConnectors1.jpg
    603.3 KB · Views: 64
  • PreSetup1.jpg
    PreSetup1.jpg
    376.6 KB · Views: 72
  • Setup1.jpg
    Setup1.jpg
    551.8 KB · Views: 70
  • Setup2.jpg
    Setup2.jpg
    679.8 KB · Views: 66
/ Dual 3rd Function
  • Thread Starter
#13  
Frankly, the biggest issue I'm having is figuring out all the fittings. JIC, ORB, NPT = PTSD🤪.Then there's fittings labeled sometimes in fractional sizes 1/4, 3/8, etc, and sometimes in "dash" sizes -04, -06, etc. That one I did figure out, dash size are just fractional expressed as the numerator of the fraction in 16ths (not confusing at all🙃).

I'm primarily using 3/8 hose and 3/8 JIC. The components break down as:
  • Controller (for independent 3rd funct) uses 1/2 SAE ORB (-8) for the pump and tank ports, and 3/8 ORB (-6) for the A/B ports.
  • Diverted 3rd func has 3/8 ORB
  • Output selector (just another diverter) uses 3/8 NPT
The existing loader lines are JIC, 5/16 I think, or maybe 1/4. the hoses are 1/4. The loader control valve and rear remote control valve seam to be ORB, but smaller than 3/8.

This is where things get confusing to me because it seems what the fitting dimension charts say and what I'm measuring don't match. If you look at the chart in the image, it says that a 3/8 ORB fitting should have a 9/16-18 thread, with the male OD as 9/16 (.56). But when I measure a fitting I have that is a 3/8 JIC to 3/8 ORB, the outer thread measures .739. See image.

A plug from a port on the loader control valve measures .638, which is between 5/8 & 11/16. Threads seem to be 20 per inch, which would indicate a 5/16 or 1/4 ORB.

I think the JIC chart matches up okay, the existing loader hoses mate to a 5/16 JIC which does measure .494 ~ 1/2. And the 3/8 fittings I have are .55 ~ 9/16. That aligns with the chart.

Any fitting experts out there want to help clear this up?
 

Attachments

  • 1767970729709.png
    1767970729709.png
    244.3 KB · Views: 44
  • FittingMeasure.jpg
    FittingMeasure.jpg
    767.9 KB · Views: 49
  • Measure2.jpg
    Measure2.jpg
    875.3 KB · Views: 44
  • sae-jic-fitting-chart.jpg
    sae-jic-fitting-chart.jpg
    274.9 KB · Views: 44
/ Dual 3rd Function #14  
Frankly, the biggest issue I'm having is figuring out all the fittings. JIC, ORB, NPT = PTSD🤪.
<snip>
But when I measure a fitting I have that is a 3/8 JIC to 3/8 ORB, the outer thread measures .739. See image.
<snip>
A plug from a port on the loader control valve measures .638, which is between 5/8 & 11/16. Threads seem to be 20 per inch, which would indicate a 5/16 or 1/4 ORB.
Wow, you have quite the mess there.

The first fitting is obviously not correct; it should be 9/16-18 on both sides, the JIC side with a cone and the ORB side with a flat end and a flange with O-ring. Not sure what you have there.

The plug might be 3/8-19 BSPP.

Try using this chart to help identify: Fitting Thread Chart | Hydraulics Direct

Good luck with the fittings and the project.
 
/ Dual 3rd Function #15  
You can stack those diverter valves together with just two o-rings to seal both ports between both diverter valves.

This would simplify the system a lot, with less hoses, fittings and space used.
 
Last edited:
/ Dual 3rd Function #17  
You can stack those diverter valves together with just two o-rings to seal both ports between both diverter valves.

This would simply the system a lot, with less hoses, fittings and space used.
What he said...+1
 
/ Dual 3rd Function #18  
I plumbed in a 2 spool valve in to the PB port on my loader valve using the Summit P40G valve. I sent one spool to the front for a 3rd function and one spool to the back to run hydraulic top link. In all it can be done for around $300-400 including hoses and fittings. I have operated this way for over 2 years and absolutely love this setup.
P40G.jpg
 
/ Dual 3rd Function
  • Thread Starter
#19  
The first fitting is obviously not correct; it should be 9/16-18 on both sides, the JIC side with a cone and the ORB side with a flat end and a flange with O-ring. Not sure what you have there.

The plug might be 3/8-19 BSPP.

Try using this chart to help identify: Fitting Thread Chart | Hydraulics Direct
Thanks, you are correct, I was just confused. The fitting I have is a JIC 6 - ORB 8 (not 6).

Good call on the plug, after I checked the BSPP specs, that's what it is. I was wondering why none of my thread checkers didn't quite line up, I didn't realize anything used a 19 thread.

Just too many types, undoubtedly a conspiracy to sell adapters:cautious:
 
/ Dual 3rd Function
  • Thread Starter
#20  
I plumbed in a 2 spool valve in to the PB port on my loader valve using the Summit P40G valve. I sent one spool to the front for a 3rd function and one spool to the back to run hydraulic top link.
Funny, I considered tapping the second rear remote I already have to use as the 3rd function. Would have been real simple, but I have a very bad habit of taking the hard way out.
 
 
Top