Ford 850 Hyd problems

   / Ford 850 Hyd problems #11  
If you are leaking at the manifold flange, then I'd think it is the flat face orings... if you have repalced them with regular orings.. they may not seal.. get the real flat faced ones.

as for rebuilding without the nuday tools.. I've heard of it done.. but not done it myself.

I believe RickB knows how to do it.. he's a NH man..

soundguy
 
   / Ford 850 Hyd problems #12  
glweder,

You said that you rebuilt the pump. Based on Soundguy's diagram, did you remove the head #2? If you did, did you remove the valve plate #8? The old gaskets #7 & #12 need to be removed completely so the new ones can seal. Also, check this area for a gasket leak if you didn't remove the head. Be very careful taking the head off. There are several small balls and springs that can fall out.

While you have the head off and apart, remove all of the old paint so that you can check it for cracks. There is a threaded plug #3 in the side of the head. Check around it, I have seen cracks around them sometimes. The head is where the pressure is built, so if you have a pressure leak, it will be near this end.

If the shaft seal #24 is bad, it usually lets the pump suck engine oil into the pump, or it sucks air, causing you to lose hydraulic pressure, since it is on the suction side of the pump.

Since you have a pressure leak, I would concentrate on the head. Make sure that the manifold flange is square to the pump flange. Make sure that you have the right o-rings for the manifold flange. They are flat faced, or square shoulder as has been said before. Make sure that the bolts and threaded holes are not stripped. Also, check the aluminum manifold to make sure it isn't cracked.

Ask questions and post pics as you go. There is enough combined talent on this forum to help you fix this. ;)

Mike
 
   / Ford 850 Hyd problems #13  
I see it in my service manual and the instructions show the use of a set of special tools to remove and install the needle bearings and oil seal; do you know if this can be done w/o these tools?
Thanks for the help.

George

I don't know how many I have rebuilt, but only one without the proper tools. After that one I bought the right tools for the job. Much easier and quicker. :D

Mike
 
   / Ford 850 Hyd problems
  • Thread Starter
#14  
I don't know how many I have rebuilt, but only one without the proper tools. After that one I bought the right tools for the job. Much easier and quicker. :D

Mike

Thanks for the input; When I "rebuilt" the pump last fall, I replaced the balls, springs and various o-rings that came with the kit.

Tonight is the first time I taken the "tach" end of the pump off to replace the oil seal. I asked the parts guy at NH if I could do it w/o the tools and was told it should be ok. Anyway, I made a mess of the needle bearing and old seal trying to get things apart tonight. I think I will bring it to dealer and have them press tthe old seal out and install new bearings and seal.

I will post an update when I get it back and install.

Thanks again,

George
 
   / Ford 850 Hyd problems
  • Thread Starter
#15  
I got the "bottom" end of the pump back from the dealer. They replaced the needle bearing, oil seal, bearing race and also the drive shaft which was worn.
I assembled the pump and reinstalled today and it leaked immediately when I fired up the tractor. I removed the pump and took the head end apart to inspect. Everything looked fine. When I remounted I got a light and inspection mirror and now I can see the pump is leaking at the head connection. I took the unit apart again and torqued the six bolts very carefully with the same result. There seems to be alot of pressure in the system, when I shut it down I can here the pump pushing air and fluid out at the head joint.

I know I am rambling here; Let me know if you have any suggestions.

Thanks,

George
 
   / Ford 850 Hyd problems #16  
You may have a plugged line or some kind of problem with the 3PH controls.
My pump has a gauge at the output of the pump. The only time I see pressure is when the 3PH is moving. Any other time the oil is free flowing and no pressure is seen on the gauge.
 
   / Ford 850 Hyd problems #17  
I got the "bottom" end of the pump back from the dealer. They replaced the needle bearing, oil seal, bearing race and also the drive shaft which was worn.
I assembled the pump and reinstalled today and it leaked immediately when I fired up the tractor. I removed the pump and took the head end apart to inspect. Everything looked fine. When I remounted I got a light and inspection mirror and now I can see the pump is leaking at the head connection. I took the unit apart again and torqued the six bolts very carefully with the same result. There seems to be alot of pressure in the system, when I shut it down I can here the pump pushing air and fluid out at the head joint.

I know I am rambling here; Let me know if you have any suggestions.

Thanks,

George

With no valves activated, there should not be any or very low pressure on the system, as the hyd fluid is just circulating around through the in and out ports of the valves.

If you know the operating pressure of your pump, let me suggest that you test the pump before you put it in service, and this is how I would do it. Install a tee with gage, and a needle valve on the pump output and run the hose back to tank. Start the tractor, and turn the needle valve in until it approaches pump operating pressure, and checks for leaks. Keep the pressure 200 psi below the max pump pressure.

To check and set relief, do this.

Disconnect one of the cylinder work ports, add a nipple, a tee with gage, and connect cylinder hose to the gage. Start the tractor, and check for flow and leaks. Activate the cylinder with the gage in line. and hold it to max , to show relief pressure. Relief pressure is usually set lower than pump pressure by 100 to 200 psi. Some people try and squeeze all the pressure they can get, but that is risky. If all the parts and gaskets were installed correctly, and the bolts on the pump was torqued correctly, the pump should not be leaking.

If everything is hooked up , and you start the tractor, and the pump is leaking, with nothing activated, the pump is not put back correctly, or there is a crack, or loose fitting somewhere. There should be no pressure at this time. If you have pressure at idle, then something is blocking the flow of fluid, perhaps a quick disconnect going to a valve, or stuck spool in a valve.
 
   / Ford 850 Hyd problems #18  
Would be very difficult to do this on that engine mounted hyd pump due to the manifold connection it uses.

soundguy
 
   / Ford 850 Hyd problems #19  
Is there not a hose coming into the control valve?
 
   / Ford 850 Hyd problems #20  
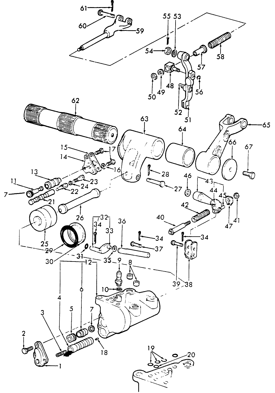
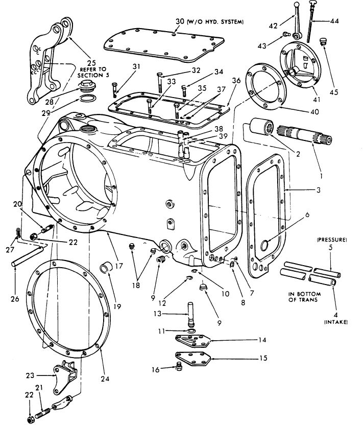
No(*).. this pump mounts directly to the side of the engine ( cam driven ).. then there is a hydraulic manifold that bolts to the base of the front of the pump, and then bolts to the center section.. there are feedthru tubes in the center section to pipe oil back to the rear section.. at the base / entrypoint of the rear section is the relief valve.. oil then travels up the side of the rear section and is fed into the lift cover. from there it takes a path so that remote hyds can be tapped via a blank off plate, and otherwise it is fed to the unloading valve and mounted 3pt hyd cyl.

there are no external 'hoses' on this setup.. just internal passageways, piping and manifolds.

in the attached pics, the piston pump has a manifold that bolts to it.. the manifold also bolts to the trans.. in the trans pic, you can see the oring 4/5 for the seal.. in the rear housing pic, you can see the other side of the feedthru tubes with oring 7/8 and the relief valve 13.

in the liftcover pic you can se ethe blank plate I speak of.. and the lift cyl pic you can see how the cyl attaches to the underside of the cover... it's all oring and gasketed connections here..

soundguy
 

Attachments

  • pistonpump.gif
    pistonpump.gif
    41 KB · Views: 2,276
  • tranny4-5.gif
    tranny4-5.gif
    33.1 KB · Views: 874
  • rearhousing.gif
    rearhousing.gif
    49.9 KB · Views: 748
  • liftcover.gif
    liftcover.gif
    56.7 KB · Views: 1,316
  • liftcyl.gif
    liftcyl.gif
    49.1 KB · Views: 837

Tractor & Equipment Auctions

Cub Cadet Kohler mower 7000 series (A50324)
Cub Cadet Kohler...
2012 Vermeer V500LEHD Vacuum T/A Towable Trailer (A55973)
2012 Vermeer...
Dump Truck Body with Tarp System (A55851)
Dump Truck Body...
2017 TROXEL 130 BBL STEEL VACUUM TRAILER (A55745)
2017 TROXEL 130...
2010 Hyundai Elantra Touring Sedan (A51694)
2010 Hyundai...
2019 GENERAC MMG451F4-UR13 PORTABLE GENERATOR (A52706)
2019 GENERAC...
 
Top