fuel in oil

/ fuel in oil #1  

sgm E-9

New member
Joined
Oct 4, 2022
Messages
1
Tractor
tc45da$$
I have a tc45da N844L engine with fuel in the oil. I haven't take it apart yet, but i think its a broken fuel rail. any help??
 
/ fuel in oil #2  
You may want to see if it is a bad fuel lift assist pump. I am not too familiar with that pump, but it is cheaper to look there and perhaps bypass with an electric pump to eliminate if you can't see anything obvious with the pump itself.
 
/ fuel in oil #3  
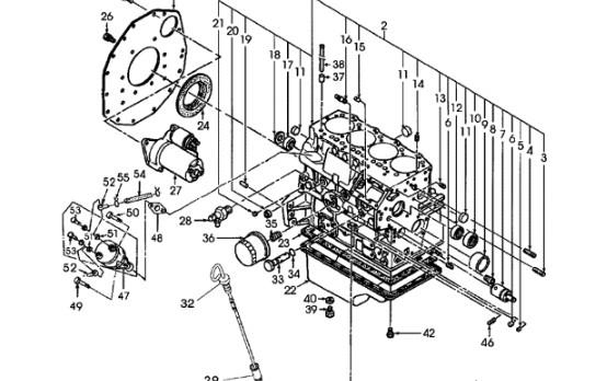
I did not locate a fuel transfer pump in TC45DA parts catalog. My guess is 1 or more injection pump plungers seals are at allowing diesel to enter engine crankcase.
 

Attachments

  • Screenshot 2022-10-05 055821.png
    Screenshot 2022-10-05 055821.png
    57.3 KB · Views: 59
/ fuel in oil #4  
That would be because NH put it as part of the engine block components. See #47, lower left.
 

Attachments

  • Lift Pump TC45.jpg
    Lift Pump TC45.jpg
    106 KB · Views: 75
 
Top