Getting my butt kicked power issue

   / Getting my butt kicked power issue #21  
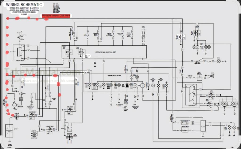
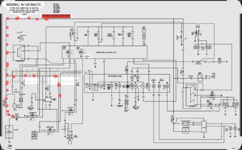
You need a schematic. It will be easy with a printed wiring diagram. A simple test light is really all you need clipped to a good ground, be sure it lights at battery + and starter. It should light at alternator.
20251012_180847096.jpg
20251012_180847096.jpg
 
   / Getting my butt kicked power issue #24  
Recently, our forklift worked in the morning and then would not start a few hours later. After checking everything you have done, it turns out it was the starter had seized up. Replaced, and started right up
 
   / Getting my butt kicked power issue #25  
Bobcat ct230 no power anywhere. I have power at the starter, nowhere else. I have checked continunity on all the saftey switches, and all the fuses test good. No power anywhere else. Have cleaned the battery post, replaced the cable ends. Was running fine, parked it, now nothing.
Ignition switch
At one time my tractor done same
After days I took my brothers advice an changed frame ground to battery an fired up. Even done good cleaning an cable looks good.
 
   / Getting my butt kicked power issue #26  
As others have said, it's a game of tracing the power. I start at the positive terminal and find where the wire(s) from that terminal go, then see if I have voltage to the ends (starter, fuse panel, power distribution block, etc.).

Let's say I have voltage to the various ends of the positive wire(s), I move to the next segment(s) of wiring and do the same, making my way to the starter and to the ignition switch.

You must keep in mind that having voltage to any point only confirms a connection, not capacity. What I mean by that is voltage is the "pressure" of the wire. A smaller wire, or a severely corroded wire/connection, may have the expected voltage on it until you put a load on it, like trying to start the engine, or even turning the key on. At that point, a wire/connection with this corrosion problem will measure low or no volts because everything that can get through the upstream connection, the current, amps, are being used in the wiring and nothing gets to the load (indicator lights, starter, etc) that is down stream.
All that is to say that once you have traced the voltage along the wires to where it should go, that does not mean things will operate and more diagnosis work may be needed.

One thing I have seen is battery cable connections develop enough corrosion to have the problem described above. It has voltage at the starter, but when the ignition is turned on, or put in the Start position, all voltage goes to zero. This can also be caused by high internal resistance in the battery, a bad battery, yet when you turn off the key, or move from the start position, all voltage looks good again.

While the battery is more complicated to measure, along the wiring, through the connections, you can measure resistance to find poor connections or wires. You should have less than 1 ohm throughout the system, between wires/connections, as long as they are not going through a load, such as a bulb, starter, computer, etc.
Make sure you have low resistance <1 ohm on the positive and negative connections between the battery terminal (not the cable ends) and the engine/starter/power dist block. You'll connect the meter leads to the engine block and the actual battery terminal, then the battery terminal and the, in this case, starter stud, for measurement.

The ignition switch is also a prime suspect, as the contacts can get corroded inside. The switch on my ZD25 zero turn is getting finicky and needs to be replaced/repaired now. I have to wiggle the key just right to get the starter to engage. I'm going to label this as an anti-theft device until I get around to fixing it. See if there is voltage and low resistance to yours.

Also keep in mind you can jump around to various places in the wiring if you KNOW you are supposed to have voltage at a given point, like the ignition switch. If you aren't getting voltage there, then you have made your search area smaller.

Also, when checking, check from terminal to terminal first, as that will also check through the wire's connection to the terminal at the same time. By this, I mean not to connect your tester probes to the ends of the wires, but to the terminals the wires are connected to, where possible.

Please forgive if any of this seems remedial, I don't know what your knowledge is on this sort of thing.

Chris
 
Last edited:
   / Getting my butt kicked power issue #27  
When you say the starter has power I assume you mean the starter solenoid has 12V where the battery cable is connected to the solenoid??

If that is correct that has nothing to do with powering up the other circuits since power will be supplied to the ignition switch by a separate wire from the battery to the ignition switch.

I would pull the ignition switch and check for power to the switch. If there is none run a jumper from the battery to the hot side of the ignition switch to see if it powers everything up. If so the wire to the switch is either bad or a fuse/fusible link has failed.

If the switch fails to power up when jumped I'd suspect a faulty ground.

Not to imply you aren't diligent, but I assume you tested the battery to ensure it is still good. It might supply 12V at the starter, but not enough amperage to make things work.
 
   / Getting my butt kicked power issue #28  
Wiring schematics are almost useless and most times not accurate on these machines. I’m suspecting a fuse a relay or ignition switch Try as others have said, spraying some contact cleaner into the switch hole and wiggle. Depending on your tractor it was a very common problem for these. There has also been countless stories of internal corrosion on the battery terminal wires close to the battery. Not visible until removed, but sounds like you’ve already ruled that out. Another possible option is to check the relays. There should be three on the firewall. Right hand side as you’re sitting on the tractor. One of them is the fuel relay. I can’t remember what the other two are for Not sure if any of them affect your dash power but you could try flipping them around. I think at least two of them are the same. There’s also a couple down near the headlights close to the battery. I believe they’re also the same relays.
 
   / Getting my butt kicked power issue #29  
I have pulled frame ground off and cleaned it all
Im trying to unzderstand the power flow, because i pulled the main fuse by the starter, no power their either.
Seems like you have IDed at least 1 issue, you have power to the starter from the battery (I’m going to assume that voltage is basically same as battery). But no power to fuses—I believe the power source should be from the stater main post.
Ine thing you did not mention is do you have a major voltage drop when you try to start the tractor at the starter? Your battery cable could be bad but carry voltage until the load is applied (same could apply to battery).
 
   / Getting my butt kicked power issue #30  
As others have said, it's a game of tracing the power. I start at the positive terminal and find where the wire(s) from that terminal go, then see if I have voltage to the ends (starter, fuse panel, power distribution block, etc.).

Let's say I have voltage to the various ends of the positive wire(s), I move to the next segment(s) of wiring and do the same, making my way to the starter and to the ignition switch.

You must keep in mind that having voltage to any point only confirms a connection, not capacity. What I mean by that is voltage is the "pressure" of the wire. A smaller wire, or a severely corroded wire/connection, may have the expected voltage on it until you put a load on it, like trying to start the engine, or even turning the key on. At that point, a wire/connection with this corrosion problem will measure low or no volts because everything that can get through the upstream connection, the current, amps, are being used in the wiring and nothing gets to the load (indicator lights, starter, etc) that is down stream.
All that is to say that once you have traced the voltage along the wires to where it should go, that does not mean things will operate and more diagnosis work may be needed.

One thing I have seen is battery cable connections develop enough corrosion to have the problem described above. It has voltage at the starter, but when the ignition is turned on, of put in the Start position, all voltage goes to zero. This can also be caused by high internal resistance in the battery, a bad battery, yet when you turn off the key, or move from the start position, all voltage looks good again.

While the battery is more complicated to measure, along the wiring, through the connections, you can measure resistance to find poor connections or wires. You should have less than 1 ohm throughout the system, between wires/connections, as long as they are not going through a load, such as a bulb, starter, computer, etc.
Make sure you have low resistance <1 ohm on the positive and negative connections between the battery terminal (not the cable ends) and the engine/starter/power dist block. You'll connect the meter leads to the engine block and the actual battery terminal, then the battery terminal and the, in this case, starter stud, for measurement.

The ignition switch is also a prime suspect, as the contact can get corroded inside. The switch on my ZD25 zero turn is getting finicky and needs to be replaced/repaired now. I have to wiggle the key just right to get the starter to engage. I'm going to look at this as an anti-theft device until I get around to fixing it. See if the you voltage and low resistance to yours.

Also keep in mind you can jump around to various places in the wiring if you KNOW you are supposed to have voltage at a given point, like the ignition switch. If you aren't getting voltage there, then you have made your search area smaller.

Also, when checking, check from terminal to terminal first, as that will also check through the wire's connection to the terminal at the same time.

Please forgive if any of this seems remedial, I don't know what your knowledge is on this sort of thing.

Chris
Connect meter to both sides of (across) each connection. It should read zero. Now try to draw power. Any significant voltage indication indicates that connection is, at least part of, the problem.
 

Tractor & Equipment Auctions

2007 GALYEAN 130BBL VAC TRAILER (A58214)
2007 GALYEAN...
2021 Cat 259D3 (A53317)
2021 Cat 259D3...
2005 PETERBILT 379 TRI AXLE  DUMP TRUCK (A58018)
2005 PETERBILT 379...
2014 Ford Edge SUV (A56859)
2014 Ford Edge SUV...
2018 Ford F-550 4x4 DurALift DTAXS39 39ft. Bucket Truck (A55973)
2018 Ford F-550...
2002 Bobcat 763 Compact Skid Steer (A56435)
2002 Bobcat 763...
 
Top