hyd problem on jd2030

   / hyd problem on jd2030
  • Thread Starter
#31  
Yes oil must travel through pressure control valve to get to RS valves

Ok, I took off the pressure control valve. Took apart and cleaned, it all looked good, replaced 4 oil rings and reinstalled. When i put back on the SCV I replaced the 3'' hose(temporary) with a clear one so i could see flow going tho it instead of it being loose and dumping in a bucket like i did before. I started tractor and still don't have flow, very, very slow and not even filling the hose. I do have power steering but only after the tractor warms up some. Any ideas what i need to check next? The screen is clean on this tractor with JD high dollar fluid ($75, 5gal)
 
   / hyd problem on jd2030
  • Thread Starter
#34  
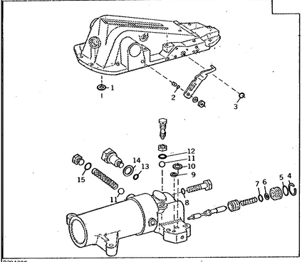
Remove rs and replace o-rings and back-up rings. Replace and do settings !

Its funny u would think there would be some type of o ring kit for this but when i went to JD place they showed me diagram and said they would have to go though the parts list and get items. By the way a good gage is expensive so is it worth spending the money if only use a few times.
Thanks for replys
 
   / hyd problem on jd2030 #35  
A hyd gauge to help diagnose problems will save you money on parts. Yes a few yrs back JD had a RS valve overhaul kit but now one has to look up each individual parts.
 

Attachments

  • Capture.PNG
    Capture.PNG
    199.6 KB · Views: 106
  • Capture.PNG
    Capture.PNG
    27.1 KB · Views: 121
  • Capture.PNG
    Capture.PNG
    56.8 KB · Views: 120
   / hyd problem on jd2030
  • Thread Starter
#36  
A hyd gauge to help diagnose problems will save you money on parts. Yes a few yrs back JD had a RS valve overhaul kit but now one has to look up each individual parts.

Thanks for the thumbnails.the gages i was looking at wasn't that cheap. this looks like a decent oil filled gage. I'll get one and try. First chance i get I'll check pressure before i get into RS housing and then go from there.
 
   / hyd problem on jd2030
  • Thread Starter
#37  
Thanks for the thumbnails.the gages i was looking at wasn't that cheap. this looks like a decent oil filled gage. I'll get one and try. First chance i get I'll check pressure before i get into RS housing and then go from there.

Got my gage in today to check pressure. U said to hook it up on front of pump. I don't see a place to hook up. There's the inlet and outlet flare fittings and then the flare fitting on the right side thats going to the pressure control valve. there is a small flare fitting on the left side between the mounting bolts. I hooked it up there and got no pressure at all.

DLTTrekkers, I took out the small fittings under gears but cant find a way to hook my gage in it, my gage threads is to large for it.
 
   / hyd problem on jd2030 #38  
Which pump does your tractor have?
 

Attachments

  • Capture.PNG
    Capture.PNG
    125.5 KB · Views: 114
   / hyd problem on jd2030 #40  
IIRC one can test pressure at either orifice outlined inblue
 

Attachments

  • Capture.PNG
    Capture.PNG
    55.6 KB · Views: 105

Tractor & Equipment Auctions

1667 (A57192)
1667 (A57192)
DEUTZ MARATHON 60KW GENERATOR (A58214)
DEUTZ MARATHON...
2019 Ligchine Spiderscreed Concrete Screed (A59228)
2019 Ligchine...
1993 Ford Pick Up (A59814)
1993 Ford Pick Up...
excavator trenching bucket- one bucket per lot (A56438)
excavator...
SULLIVAN PATEK AIR COMPRESSOR (A55745)
SULLIVAN PATEK AIR...
 
Top