hyd problem on jd2030

   / hyd problem on jd2030 #21  
Ok so take off the SCV and take hose off(I'm asumming this is the in flow that feeds SCV right?), then put back on ,in neutral position, start tractor and if no oil comes out off hole towards SCV then what?

Rubber hose between selective control valve & rockshaft housing is for ""return oil not supply oil"". Supply oil for SCV comes from right hand lower side of trans case from rear of pressure control valve via a steel line.
 
   / hyd problem on jd2030
  • Thread Starter
#22  
Rubber hose between selective control valve & rockshaft housing is for ""return oil not supply oil"". Supply oil for SCV comes from right hand lower side of trans case from rear of pressure control valve via a steel line.

I have 3 hyd connections on my SCV. one on bottom and 2 for couplers. So the connection on bottom of SCV is the supply that flows though the SCV to the RS housing and though the 3 point control valve(which is leaking) inside of RS housing. Is this correct? I don't want to seem dense here, but just trying to understand my tractor.
 
   / hyd problem on jd2030 #23  
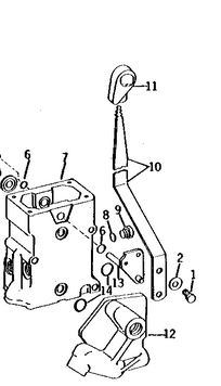
Not exactly. SCV gets it's pressure oil on it's side via cover(key 12). 3 pt gets it's pressure oil via a galley cast into trans case. If you want to understand your tractors hyd system you should get a JD tech manual and study the hyd oil schematics.
 

Attachments

  • Capture.PNG
    Capture.PNG
    29.1 KB · Views: 141
   / hyd problem on jd2030
  • Thread Starter
#24  
Not exactly. SCV gets it's pressure oil on it's side via cover(key 12). 3 pt gets it's pressure oil via a galley cast into trans case. If you want to understand your tractors hyd system you should get a JD tech manual and study the hyd oil schematics.

Thanks for info. I have a jd tech manual for one of my newer tractors, but never needed to have one for this 2030. Its a 1975 tractor and i bought it in 1980 and have never had to work on anything on the hyds. I am in the hay right now and the first chance i get i will pull SCV hose off and see if it has oil coming out or not. I will be back and tell u what i find out.
 
   / hyd problem on jd2030
  • Thread Starter
#25  
Thanks for info. I have a jd tech manual for one of my newer tractors, but never needed to have one for this 2030. Its a 1975 tractor and i bought it in 1980 and have never had to work on anything on the hyds. I am in the hay right now and the first chance i get i will pull SCV hose off and see if it has oil coming out or not. I will be back and tell u what i find out.

Ok i pulled the SCV and pulled off hose and connected a longer hose and ran into a bucket. Started tractor, Scv in Netrual, I have just a trickle of oil coming out of hose. I noticed that the line feeding the Scv comes right off the pump. So since I don't have no oil coming to the Scv, does that mean I might have a bad pump.? I'm needing to get this fixed as I need to be useing it now. The John Deere place takes to long to repair equipment. Any suggestions?
 
Last edited:
   / hyd problem on jd2030 #26  
SCV supply line attaches to pressure control valve not hyd pump. Pressure control ensures priority oil to power steering. 1st thing you need to do is correct(stop) spraying oil inside RS housing. Many hyd pumps have been replaced only to find out original hyd pump wasn't the problem.

As I previously stated "GOOD DIAGNOSTICS" is a must do thing if one wants to repair closed center hyd's without replacing unneeded parts especially hyd pumps.
 

Attachments

  • Capture.PNG
    Capture.PNG
    56.3 KB · Views: 121
   / hyd problem on jd2030
  • Thread Starter
#27  
SCV supply line attaches to pressure control valve not hyd pump. Pressure control ensures priority oil to power steering. 1st thing you need to do is correct(stop) spraying oil inside RS housing. Many hyd pumps have been replaced only to find out original hyd pump wasn't the problem.

As I previously stated "GOOD DIAGNOSTICS" is a must do thing if one wants to repair closed center hyd's without replacing unneeded parts especially hyd pumps.

Ok, is this valve only to control power steering only? or does it allow oil flow back to rs housing?
 
Last edited:
   / hyd problem on jd2030 #28  
Yes oil must travel through pressure control valve to get to RS valves
 
   / hyd problem on jd2030 #29  
Yes oil must travel through pressure control valve to get to RS valves


Is this the same as a priority valve which will provide flow to power steering first (below 1900 psi.)?

If later it is determined the flow is low through the hydraulic pump I would check the inlet screen on the suction line to the pump.
 

Tractor & Equipment Auctions

2001 PETERBILT 379 (A58214)
2001 PETERBILT 379...
Husqarvana Riding Mower (A56857)
Husqarvana Riding...
(APPROX. 20) 4' X 8' X 3/8" SHEETING (A52706)
(APPROX. 20) 4' X...
2017 Scag Cheetah 61in Zero Turn Commercial Mower (A59228)
2017 Scag Cheetah...
Kubota Z232 (A60462)
Kubota Z232 (A60462)
Sellick S80 (A60462)
Sellick S80 (A60462)
 
Top