Dirt Moving Jd 550 dozer

/ Jd 550 dozer #1  

kb5brz

New member
Joined
Jan 29, 2010
Messages
4
Location
Meridian, Ms
Tractor
TC-30, MF-35, 185 K, JD 550
I am in need of a exhaust elbow. It goes between the turbo and the muffler. The dealer does not list them anymore. this a 1984 model.
 
/ Jd 550 dozer #2  
Could you jut get a piece of pipe and cut it at 22.5 degrees four times and weld up your own elbow? Ed
 
/ Jd 550 dozer #3  
Googel salvage tractor salvage yards, dozer salvage yards and John Deere Dozer salvage yards. It will take some time going through all of them to find one with what you need, but it's out there. I have to do this with my Case Dozer. Seems they only make parts for their equipment for so long and then they don't care anymore.
 
/ Jd 550 dozer #4  
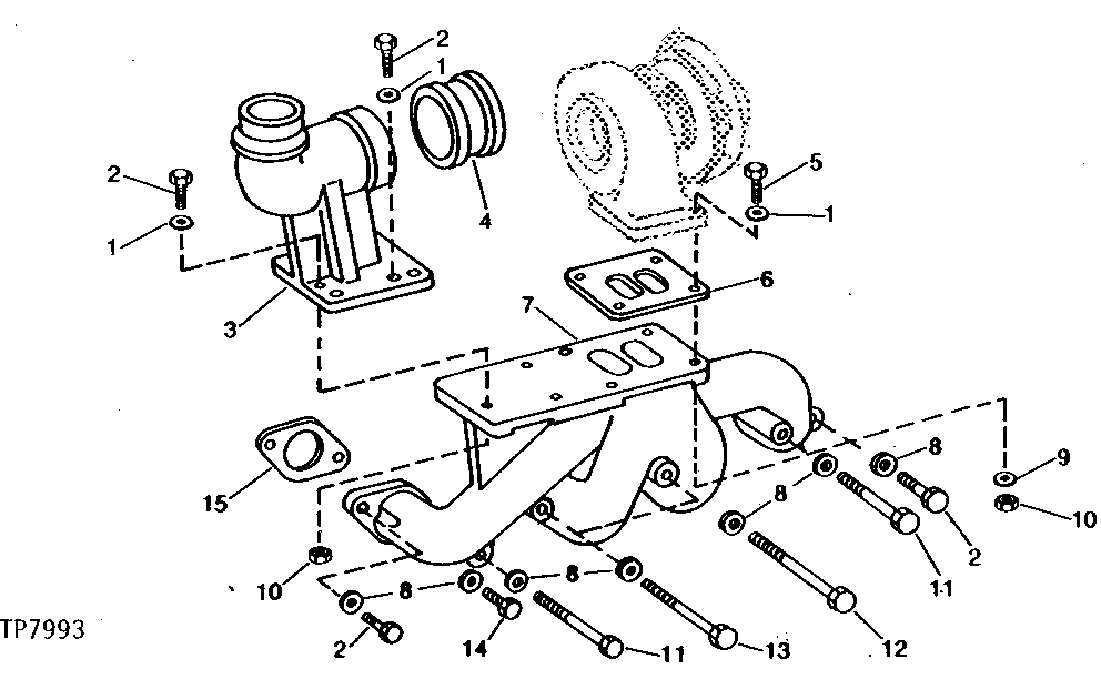
JD550.gifGoogle the part number-R57270
greenfarmparts.com shows they have them
John Deere does list them on jdparts.deere.com and they don't say NLA ,so a dealer should be able to get one too.$246+
 
Last edited:
/ Jd 550 dozer
  • Thread Starter
#6  
Thanks to all. I have one coming, be here Friday if UPS don't break it

FG
 
 
Top