L2800 Position Control (Jerky?)

   / L2800 Position Control (Jerky?) #121  
Yea, I am very happy with the new valves (replaced shortly before the "war-rant-ee" ran out.) so much so, (I've said this before) would have been happy to have paid some money for them... I used a boompole several times unloading 500 lbs things out of my trailer... this was NOT safe with the old valves. I thought the rear end of my tractor was going to snap off.

As for the videos, I could not turn the knob under the seat by hand (got video of that too) but I think it had NO effect what so ever and the video shows that... darn, why didn't I post those before I left :mad:. Teg

I don't know anything about Draft control...
 
   / L2800 Position Control (Jerky?) #122  
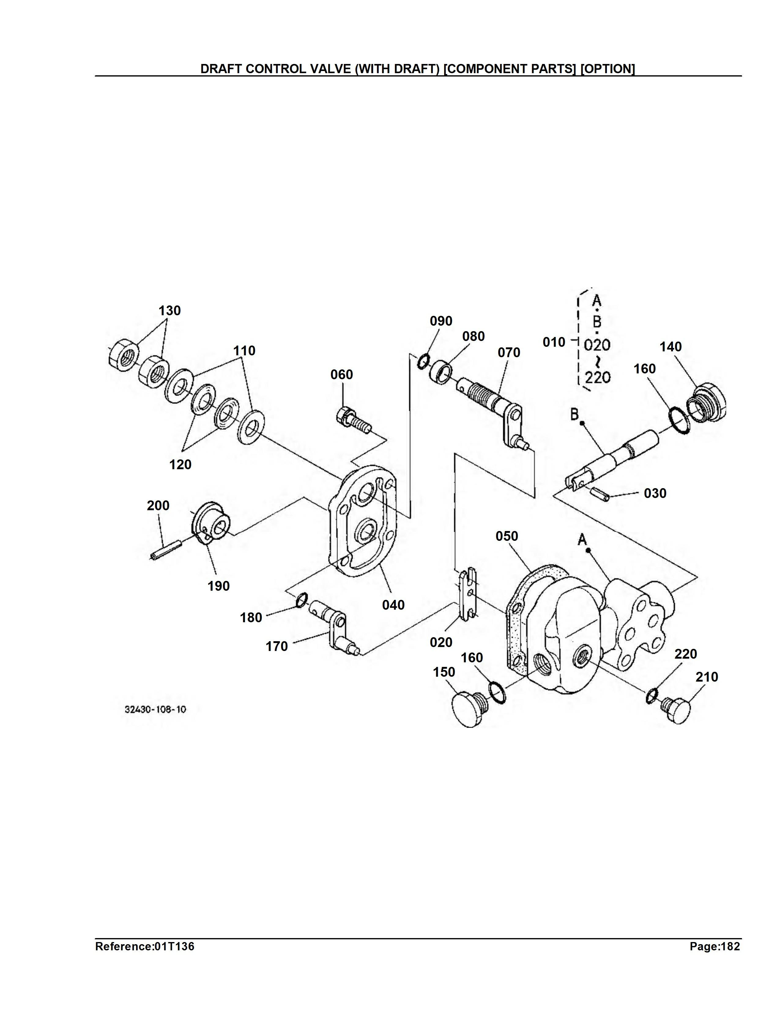
Also these.

Terry
 

Attachments

  • Control Valve with Draft Option 5.jpg
    Control Valve with Draft Option 5.jpg
    267.9 KB · Views: 159
  • Control Valve with Draft Option 6.jpg
    Control Valve with Draft Option 6.jpg
    254.7 KB · Views: 150
  • Control Valve with Draft Option 7.jpg
    Control Valve with Draft Option 7.jpg
    264.1 KB · Views: 161
  • Control Valve with Draft Option 8.jpg
    Control Valve with Draft Option 8.jpg
    357 KB · Views: 138
   / L2800 Position Control (Jerky?) #123  
I didn't find that my lowering speed knob made any difference. I haven't bothered playing with it since my valve was replaced since it was adequate for my needs once it was replaced.

I really don't get how the lowering speed knob affects the smoothness of raising it.

One way or the other, I believe the proper way for this or any other tractor is that the 3 PT should be smooth - with a load that is reasonable on the 3 PT. That, or Kubota should clearly point out this as a differentiating factor between the 'Economy' L and 'Grand L' series.

I can't figure out if my SLR can do videos or not like my broken point and shoot used to be able to or I would post what my 3 PT is like with the replaced valve.
 
   / L2800 Position Control (Jerky?) #124  
Oh yeah.. some thing you want to be careful about... be careful about what you post here.

The local Kubota warranty service rep figured out which customer I might have been since he was involved in my valve replacement - based on the content of the posts and the location in my profile. On another issue (PTO cams) he forwarded my posts to my selling dealer, identifying me. He also added a nugget of information pointing out that I was dealing with another dealer - which he had access to because I tried to get the PTO replacement done through an alternative dealer - and the same guy was the warranty rep there as well.

I never named my selling dealer in my posts as per etiquette but did point out that they were incompetent (over the valve and other issues). I had the dealer calling me at work and reaming me over the phone and threatening me with legal action for 'slander' - without realizing that none of the posts contained either my identity nor the dealers :)

So apparently, Kubota service reps have enough time and interest to read these forums but not enough to REALLY solve problems. I strongly suspect that TBNers like us are just an irritant to them and they would rather revert to a world where consumers were at the mercy of the dealer and companies they dealt with for knowledge about problems.

I'm not suggesting that anything anyone is saying here is incorrect. However, bear in mind that it can be used against you in the case of a 'goodwill' type of warranty repair.

Overall I think Kubota's products have a fantastic reputation but I think the company, at least the Canadian company, seems to operate more like a mom and pop shop, without concerns for etiquette or customer satisfaction. That is easy to do when their products are as good as there are because customers keep coming back regardless.
 
   / L2800 Position Control (Jerky?) #125  
Canoe or Emmy what's your opinion on draft control fixing our problem? I really don't care if my incompetent dealer knows who I am. What makes me think he is going to do any warranty work since he won't even fix this!! Did I mention that I'm not a satisfied customer? But then again, who cares? I'm just one customer. My tractor is 3 months old and only has 7 hrs on it now. It makes me mad when I use it because I feel like I am being taken by Kubota and my dealer, so I don't even want to get on it. In Kubotas defense, It does look good.
 
   / L2800 Position Control (Jerky?) #126  
Harvest Moon, I definitely was not calling anyone a liar. I hope I didn't offend anyone.

No, jeconn... it's just me on a rant. I never thought you were calling anyone a lier and never meant to imply otherwise.

emmy71 beat me to it but Draft control is an option and it hasn't had the problem valves that the non draft tractors have had when factory installed. My somewhat older parts book indicates valve 31351-39604 from the start, when draft is included.

I don't know if this has changed since the latest position control valve "upgrade" but I'd like to. I can't see the new valve with a draft system.

teg's videos can tell/show us a lot next to Toy Camry's if he sets up a comparable scenario and he has valve 31351-39604.

teg, do you have any records confirming which valve you were upgraded to? I'm guessing at the time it would have been valve 31351-39604.

Toy Camry posted earlier that he has valve YR90800102 installed.

Any of you guys out there who have been upgraded and are happy... let us know what valve was used if you can. Thanks.
 
   / L2800 Position Control (Jerky?) #127  
I did not actually know that draft control was an option on the L3400. Thought it was only a L4400 option.

No clue about whether draft control will fix your problems or not.

I wish I had a work order around that told me the part # my valve was replaced with. I will look around.

You guys have also convinced me to look around on craigslist for a little point and shoot camera like I used to have to make little videos easily.
 
   / L2800 Position Control (Jerky?) #128  
Canoe or Emmy what's your opinion on draft control fixing our problem? I really don't care if my incompetent dealer knows who I am. What makes me think he is going to do any warranty work since he won't even fix this!! Did I mention that I'm not a satisfied customer? But then again, who cares? I'm just one customer. My tractor is 3 months old and only has 7 hrs on it now. It makes me mad when I use it because I feel like I am being taken by Kubota and my dealer, so I don't even want to get on it. In Kubotas defense, It does look good.


I have no idea if the draft control valve will fix the problem, but I believe that is the same part number that is supposed to be the smooth one. My tractor was delievered in 2006 and the hitch seems somewhat jumpy, however I only use it with mowers and rotary cutters so I am either all the way up or all the way down.

Terry
 
   / L2800 Position Control (Jerky?) #129  
I didn't get any paperwork from my dealer... just the keys and an extra top link since when I dropped it off... I didn't want anyone to steal mine.

I have a phd that would be easy to mount and can fill a bucket with water... No problem... :D
 
   / L2800 Position Control (Jerky?) #130  
Didn't get paperwork back with mine either , but does raise a lot smoother and can be used with good results .
A one inch valve is ridiculous , and the 1/4" while ok is still not what I would expect from a company with a reputation like Kubota's .
Let me know there is a "upgrade" at time of purchase not after !
 

Tractor & Equipment Auctions

2008 MOTIV ALUMINUM TRAILER CO. 32 TRI AXLE GOOSENECK ENCLOSED TRAILER (A58214)
2008 MOTIV...
(APPROX. 20) 4' X 8' X 3/8" SHEETING (A52706)
(APPROX. 20) 4' X...
8 TOOTHED BUCKET FOR MINI EXCAVATOR (A58214)
8 TOOTHED BUCKET...
2007 Ford F-450 Ambulance (A55788)
2007 Ford F-450...
New/Unused AGT Industrial Quick Attach Auger with 3 Bits (A57454)
New/Unused AGT...
DEUTZ MARATHON 60KW GENERATOR (A58216)
DEUTZ MARATHON...
 
Top