Backhoe Looking for the pin that goes through the bucket on a Kubota BH77 backhoe

   / Looking for the pin that goes through the bucket on a Kubota BH77 backhoe
  • Thread Starter
#11  
I wish you had your location shown on your bio. Just curious where there is a dealer that is THAT clueless.
I just updated my bio, from west Ky.
 
   / Looking for the pin that goes through the bucket on a Kubota BH77 backhoe
  • Thread Starter
#12  
I wish you had your location shown on your bio. Just curious where there is a dealer that is THAT clueless.
I just updated my bio, from west Ky.
 
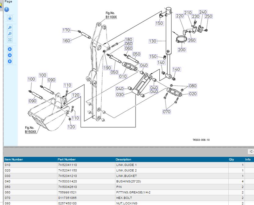
   / Looking for the pin that goes through the bucket on a Kubota BH77 backhoe #13  
View attachment 421104

Here's one with #50....
I’m looking for the square spacer at the top of the boom BH77 kubota
(there is a gap and play in the boom) sliding side to side the pin is good but I can’t find those square spacers on a diagram ?
any advice thank you
g
 
Last edited:
   / Looking for the pin that goes through the bucket on a Kubota BH77 backhoe #14  
What model backhoe? Have you looked at the diagrams at Messicks.com? If it's an original part it will be on the diagram.
 
   / Looking for the pin that goes through the bucket on a Kubota BH77 backhoe #15  
What model backhoe? Have you looked at the diagrams at Messicks.com? If it's an original part it will be on the diagram.
It’s a Bh77 looked for days on messicks do not see it anywhere
 
   / Looking for the pin that goes through the bucket on a Kubota BH77 backhoe #16  
You're right. I couldn't find it on Messicks.Com either. The top of the boom doesn't show any pin or any parts at all up there. And the illustration labeled as being for the dipperstick that connects to the top of the boom is mislabeled and shows something else entirely.
Is it just a matter of measuring the gap and buying a big spacer washer?
 

Tractor & Equipment Auctions

2020 PETERBILT 567 (A58214)
2020 PETERBILT 567...
2023 HELI CPYD25C FORKLIFT (A58214)
2023 HELI CPYD25C...
2015 Chevrolet Silverado 1500 4x4 Crew Cab Pickup Truck (A55852)
2015 Chevrolet...
2021 New Holland C327 Compact Track Loader (A57024)
2021 New Holland...
402 (A52706)
402 (A52706)
CURT MANUFACTRING 1280# SQUARE JACK (A57192)
CURT MANUFACTRING...
 
Top