LS XU 5055 shuttle shift adjustment issues

/ LS XU 5055 shuttle shift adjustment issues #1  

hh123go

New member
Joined
Jun 5, 2023
Messages
4
Tractor
LS XU5055
My XU5055 will not stay in reverse when moving backwards unless I hold the lever. The slightest amount of non resistance and it comes out and severely scrapes when I try to put it in either fwd or rev. Using the clutch is absolutely always used but it’s only getting worse. Is there a relatively simple adjustment or will it need to be broken apart?
 
/ LS XU 5055 shuttle shift adjustment issues
  • Thread Starter
#2  
Hoping someone would reply with help. My shuttle shift now will jump out even going forward now with no rolling resistance unless I hold it in (the direction I want the shuttle) Wondering if it’s a clutch adjustment?
 
/ LS XU 5055 shuttle shift adjustment issues #3  
Hoping someone would reply with help. My shuttle shift now will jump out even going forward now with no rolling resistance unless I hold it in (the direction I want the shuttle) Wondering if it’s a clutch adjustment?
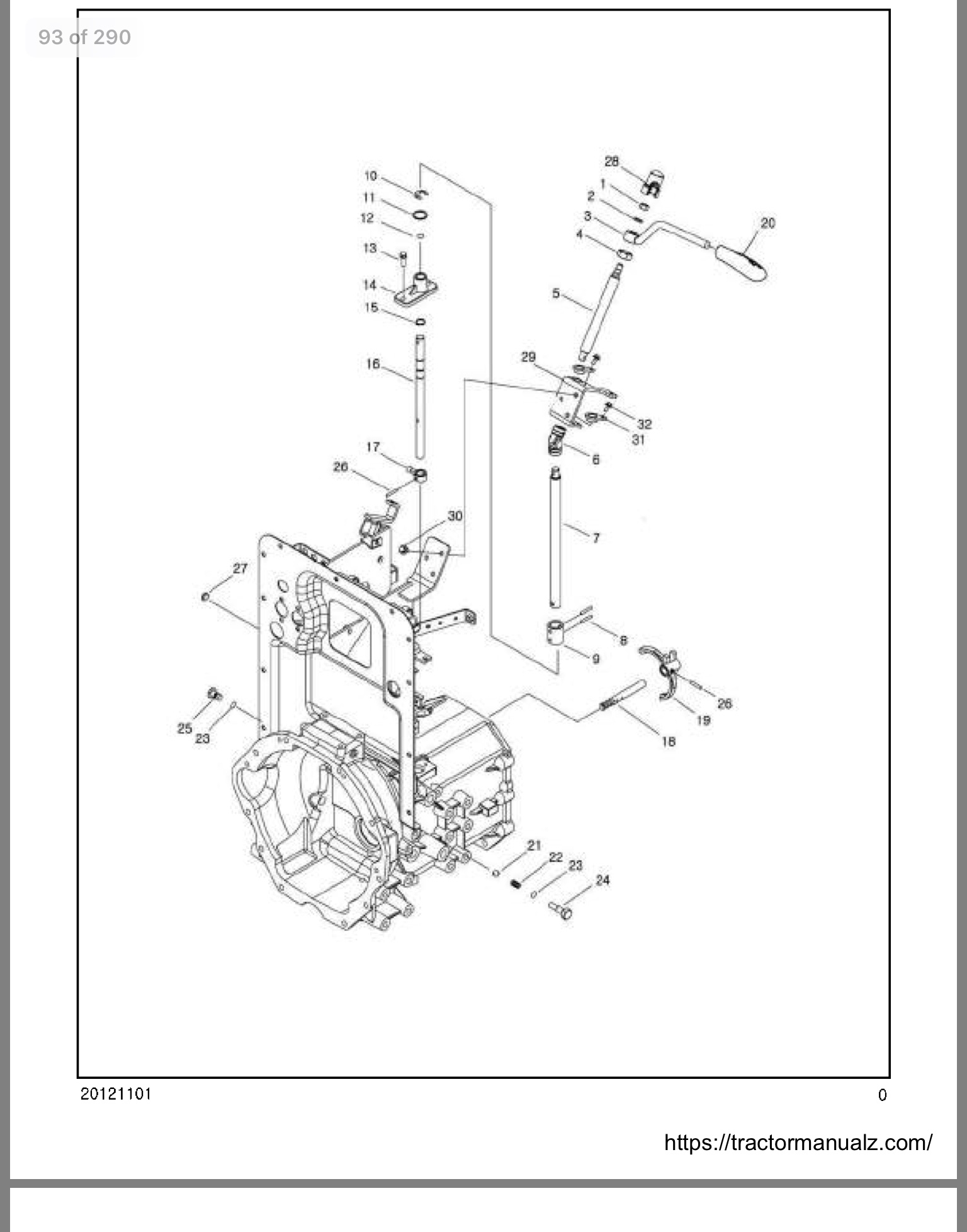
Something I found on a farmtrac shuttle was a sheared roll pin in the linkage, same symptoms as your tractor, on that particular tractor the pin was inside the transmission so I had to split the machine, below is a photo of a New Holland shuttle lever assembly, I circled the roll pins which are external that you can check yourself to see if your getting slippage at one of the joints.
 

Attachments

  • 4634DA1B-0FD8-4DD2-A6A2-5BF5F3BA248D.jpeg
    4634DA1B-0FD8-4DD2-A6A2-5BF5F3BA248D.jpeg
    269.8 KB · Views: 94
/ LS XU 5055 shuttle shift adjustment issues #4  
This is the actual XU5055 diagram for reference.


86EA9DC8-AF11-40D0-962F-8AFC8F160DDA.jpeg788DFF53-61CF-4A9B-9C5B-15B3A47D1BB2.jpeg
 
 
Top