Relay switch seems to keep Failing

   / Relay switch seems to keep Failing #31  
Thanks for helping out guys. I have been outside all afternoon washing one of the decks to get it ready for painting. And I am bushed.

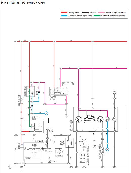
Here is some more diagram.

View attachment 336735
You swapped the relay, same results, relay should be good. Use kOua's diagram for reference.

If you have no test equiptment, make a short jumper wire and jump the green and red, it should crank. This would eliminate the starter and wiring to it.

If you have a test light, check for voltage at the pink wire, when turning the switch to start. No voltage = bad ignition switch or wiring, or fuse.

If these are all ok, then it may be a safety nuetral switch, pto switch, etc. Does your N light when the key is on? Check this first.

Dave
 
   / Relay switch seems to keep Failing #32  
You swapped the relay, same results, relay should be good. Use kOua's diagram for reference.

If you have no test equiptment, make a short jumper wire and jump the green and red, it should crank. This would eliminate the starter and wiring to it.

If you have a test light, check for voltage at the pink wire, when turning the switch to start. No voltage = bad ignition switch or wiring, or fuse.

If these are all ok, then it may be a safety nuetral switch, pto switch, etc. Does your N light when the key is on? Check this first.

Dave

There is NO neutral safety per se, but there is a range selector lockout for anything other than neutral between L,M,H. Similar but somewhat different. It keeps the key from allowing the starter to crank.
 
   / Relay switch seems to keep Failing #33  
There is NO neutral safety per se, but there is a range selector lockout for anything other than neutral between L,M,H. Similar but somewhat different. It keeps the key from allowing the starter to crank.

It is actually a potentiometer. Believe it or not.
 
   / Relay switch seems to keep Failing
  • Thread Starter
#34  
FIXED!! It turns out it was a bad Engine stop Relay. All I had to do was swap this out and its starting fine! Thanks for all the advice everyone! :thumbsup:
 
   / Relay switch seems to keep Failing #35  
See...that wasn't so bad. LOL! You learned something about your tractor as well. Glad it's fixed, now go dig something! :laughing:
 
   / Relay switch seems to keep Failing #36  
All's well that ends well.:laughing:
 
   / Relay switch seems to keep Failing #37  
Which leaves me with a confused look on my face, because I fail to see how a bad engine stop solenoid would keep the tractor from cranking. It could keep the tractor from starting but not keep the tractor from cranking. And all this time I thought the problem was the tractor would not crank. I am beginning to believe this remote diagnostics is not all it is cracked up to be:)

James K0UA
 
   / Relay switch seems to keep Failing #38  
Which leaves me with a confused look on my face, because I fail to she how a bad engine stop solenoid would keep the tractor from cranking. It could keep the tractor from starting but not keep the tractor from cranking. And all this time I thought the problem was the tractor would not crank. I am beginning to believe this remote diagnostics is not all it is cracked up to be:)

James K0UA

You still do better than others.:cool: Good Job All!
 
   / Relay switch seems to keep Failing
  • Thread Starter
#39  
You still do better than others.:cool: Good Job All!

Just so you know it was the engine stop relay switch that was bad, the whole time. I thought it was the engine start relay switch but it was really the relay on the far right as your looking at the tractor. Maybe if it goes bad there's some safety feature that prevents the tractor from starting. Thanks again to everyone that helped! ;)
 
   / Relay switch seems to keep Failing #40  
Speaking of ignitions switches. Does anyone know where one can be ordered? I have a '06 CK25 HST that I'm positive the ignition switch is going bad. I'd just as soon replace it if I have to take it out. TIA.
 

Tractor & Equipment Auctions

2025 Swict 72in Bucket Skid Steer Attachment (A55787)
2025 Swict 72in...
2007 FREIGHTLINER COLUMBIA 120 (A55745)
2007 FREIGHTLINER...
2016 Chevrolet Sonic LS Hatchback (A55758)
2016 Chevrolet...
2015 Takeuchi TL8 Compact Track Loader Skid Steer (A55787)
2015 Takeuchi TL8...
2017 HYDREMA 912HM ARTICULATED DUMP TRUCK (A52706)
2017 HYDREMA 912HM...
Oil Well Pump Jack with Motor (A52377)
Oil Well Pump Jack...
 
Top