Hi, folks. I split my TC45 today. The clutch has been slipping, and there was no more adjustment left in the clutch pedal/rod. So, with nothing left to do externally, I dug in for a clutch R&R.
It didn't come apart all that smoothly and the pto input shaft ended up sliding out of the transmission. Not sure if was hung up in the pilot bearing or damper, or if the angle of the split was just putting it in a bind. I tried to take great care in having it split level and parallel, so I'm not convinced it wasn't hung up in the damper or pilot bearing. Either way, it pulled out. The shaft slides right back into its home and turns freely, engaging whatever it engages deep in the trans (so it seems).
My question is, is this OK? Is this shaft just floating in there, able to come out? I don't see any place where a circlip would live - not that I could have ripped a circlip off...I don't think. Are there any seals that may have been damaged when it pulled out? I just want to make sure all's well before I make it a whole tractor again.
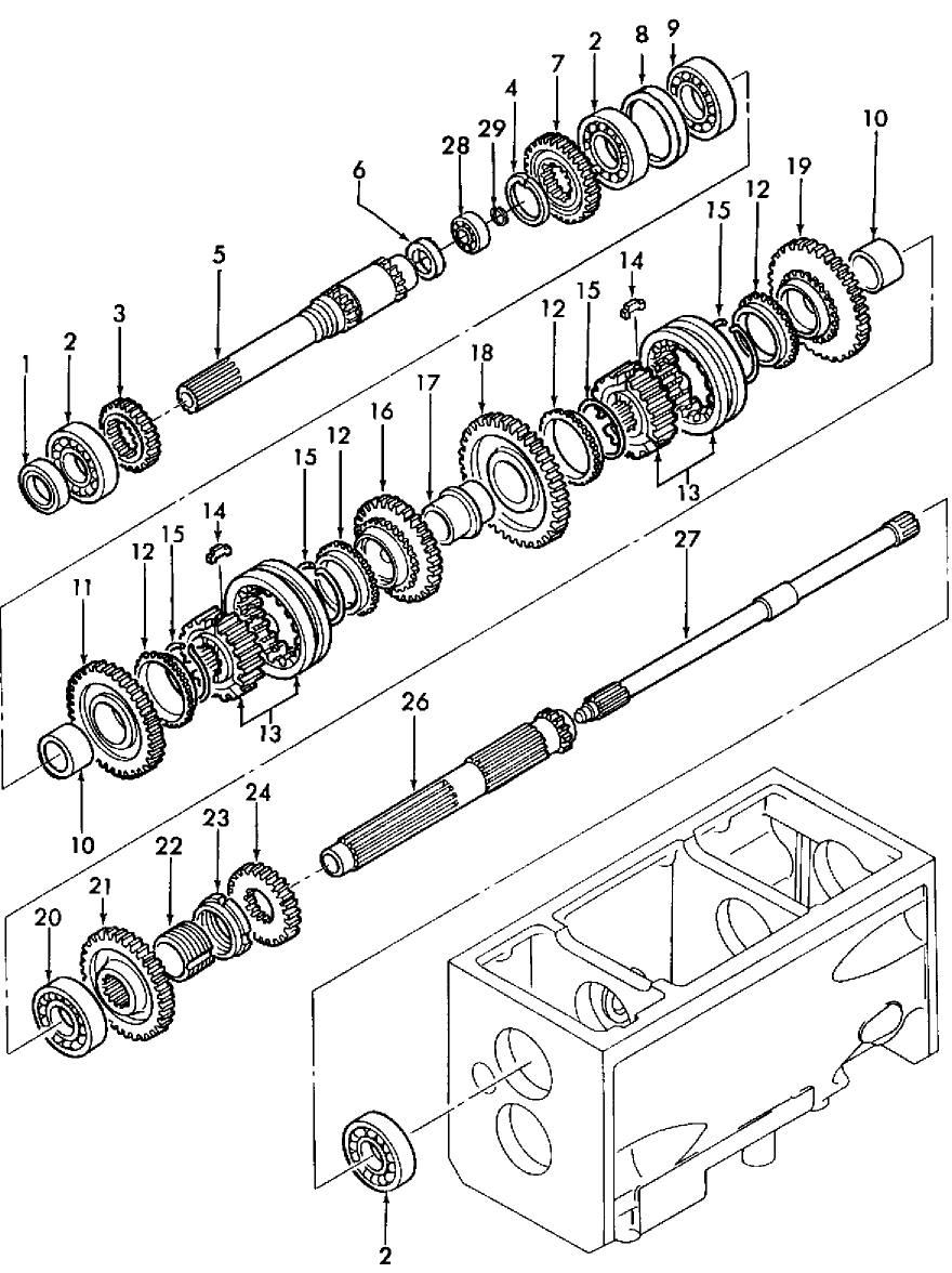
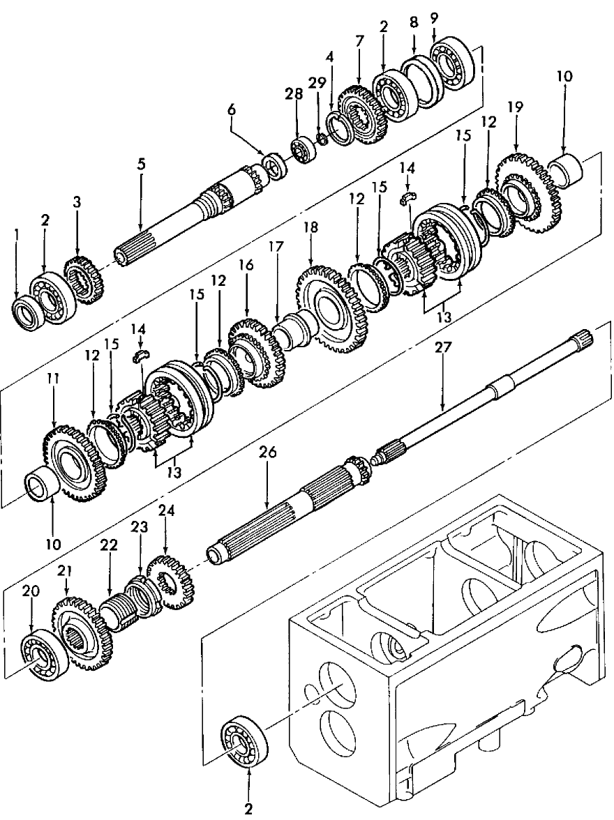
Any insight is appreciated. I'll attach a parts diagram. Shaft in question is #27.
Thank you.

It didn't come apart all that smoothly and the pto input shaft ended up sliding out of the transmission. Not sure if was hung up in the pilot bearing or damper, or if the angle of the split was just putting it in a bind. I tried to take great care in having it split level and parallel, so I'm not convinced it wasn't hung up in the damper or pilot bearing. Either way, it pulled out. The shaft slides right back into its home and turns freely, engaging whatever it engages deep in the trans (so it seems).
My question is, is this OK? Is this shaft just floating in there, able to come out? I don't see any place where a circlip would live - not that I could have ripped a circlip off...I don't think. Are there any seals that may have been damaged when it pulled out? I just want to make sure all's well before I make it a whole tractor again.
Any insight is appreciated. I'll attach a parts diagram. Shaft in question is #27.
Thank you.









