Yanmar 2210 injection pump plungers and barrels alignment

   / Yanmar 2210 injection pump plungers and barrels alignment #22  
@thepumpguysc are you still rebuilding injector pumps? I’ve got a pump off of a 2t90/2210d that got plugged up with something and pulled it to clean it out and is now in "runaway" mode. I think it just needs to be timed correctly as I have no idea the procedure.
mbcge69@hotmail.com
If you see this,shoot me an email and we can talk. I appreciate it.
thanks
 
   / Yanmar 2210 injection pump plungers and barrels alignment #23  
The problem isn't with the pump{probably} its with the installation..
I've seen it happen 1000x..
When you installed the engine control rack onto the pump, {little hole in rack & that goes over a pin on the inj. pump}
The engine rack is not ON the hi-lo idle screws.. its BESIDE them.. so now the gov. doesn't know what to do or where to stop..
Basically what I'm saying is, it fell to the side.. off the screws.
Unfortunatly, the pump has to come back up.. the engine control rack repositioned & the pump reinstalled..
Its not a hard job, its just, ya gotta do the job twice..
I'M VERY SUPRISED the fuel shop didn't know this.. they must not do a lot of "drive-in" or "field/service call" work.??
I've seen it SO MANY TIMES, I can diagnose & fix it over the phone.. Lol
You didn't have them do something "goofy" to your pump did you?? install different P&B's than called for??
Did THEY tell you it needed P&B's "OR" did YOU tell them?? & what p# to use?? alittle history would be nice..
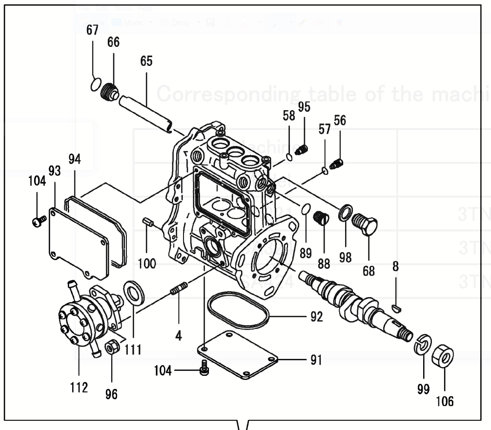
Does anyone have a picture of the plungers and barrels in a yanmar injection pump or 1025r john deere.
 
   / Yanmar 2210 injection pump plungers and barrels alignment #24  
Does anyone have a picture of the plungers and barrels in a yanmar injection pump or 1025r john deere.
You have the new generation injector pump with all the emissions junk added to it.

The Yanmar SA machines use the same engine too, the 3TNV80.
1759371224047.png

1759371411134.png


1759371448388.png

1759371483269.png
 

Tractor & Equipment Auctions

2012 UNVERFERTH 15-INCH REAR SPACERS FOR 10 BOLT HUB (A55301)
2012 UNVERFERTH...
2009 JOHN DEERE 544K WHEEL LOADER (A52705)
2009 JOHN DEERE...
2003 CATERPILLAR 836G LANDFILL COMPACTOR (A51406)
2003 CATERPILLAR...
2011 MERCEDES-BENZ S-Class Sedan (A53424)
2011 MERCEDES-BENZ...
2018 FORD F150 XL TRUCK (A51406)
2018 FORD F150 XL...
2014 Jeep Cherokee Latitude SUV (A53424)
2014 Jeep Cherokee...
 
Top