2550 hydraulic problem

/ 2550 hydraulic problem #1  

DLHWoodstock

New member
Joined
Jan 22, 2017
Messages
17
Location
Woodstock, Georgia
Tractor
John Deere 435
Good morning guys
My tractor is a 2550 built in 1985. I am visiting my cousin in North Carolina, and we have been working my tractor pretty hard the past few days. Long story short, the hydraulics seem to have quit. On Friday there were some chattering in the hydraulic lines but once I idled it down and back up it seem to be fine. This happened at least twice on Friday. Yesterday Saturday, everything seem to be working well and I moved a lot of debris. I was attempting to move some dirt and we got off the tractor and back on it and now the hydraulics will not lift the bucket or the three-point hitch. Steering seems to work fine oil is full and clean. I was able to get the tractor back out of the woods but I am not sure I will be able to raise the bucket enough or the three point hitch to get it up on a trailer. I have read and similar post to try to raise a three point and look inside the rear housing for oil leaks. I will do that after church but at this point all my tools and equipment are back and Georgia. I am without my pressure tester and being unable to check flow do y’all have any thoughts? The only thing I know for sure at this point is the power steering works fine and it’s full of clean oil.

Thoughts please?
 
/ 2550 hydraulic problem #2  
If power steering operates correctly it's possible stand-by pressure which should be 2250psi has lowered to 1700 psi. This lower psi allows pressure control valve(item 15) to block pressure to 3pt hitch, scv & fel control valve. It's also possible stroke control valve isn't seating as designed due to foreign material in seating area. If your tractor hyd pump has a de-stroking screw(item 6) one can with engine operating at idle speed turn de-stroking screw CCW to open stroke control valve then turn DS screw CW & if you're lucky foreign material if present will be dislodged from SC valve seating area. You could if de-stroking SC valve doesn't solve pressure problem possibly attempt to back your tractor on trailer dragging bucket rearward.

 

Attachments

  • Screenshot 2023-07-09 075253.png
    Screenshot 2023-07-09 075253.png
    65.2 KB · Views: 442
/ 2550 hydraulic problem
  • Thread Starter
#3  
Thank you very much. I will try this after church today. I believe my SC is
at the bottom of the pump if it’s the same one that controls the pressure.
 
/ 2550 hydraulic problem #4  
Does your tractor have rear remotes that possible one is not spring to neutral? If so make sure they are in the neutral position as this would keep everything but steering to not work.
 
/ 2550 hydraulic problem
  • Thread Starter
#5  
Does your tractor have rear remotes that possible one is not spring to neutral? If so make sure they are in the neutral position as this would keep everything but steering to not work.
Yes it has two remotes! I have moved the valves back and forth but that did not make any difference. I also don’t have anything running off of them right now. But I will try that again today.

Also I have learned that one of the guys has been driving the tractor around with the E break on. Now I’m worried that, that may have done something inside like add materials into the system.
 
/ 2550 hydraulic problem
  • Thread Starter
#6  
Ok Guys
I got rained out but before I did, I did check for an internal fluid leak. What is the three-point hitch up and the fuel cap off I could not see anything flowing or spraying around. Tomorrow I will get under and adjust the stroke control.

One question can I take it all the way out and make sure it is clean and not binding or scored?

Thank you
 
/ 2550 hydraulic problem #7  
Do you want to take it out with your tools "back in GA" ? Good luck.

When was last hyd. oil/filter change, and the screen cleaned?

Did you gain any good information from the other thread?
 
Last edited:
/ 2550 hydraulic problem
  • Thread Starter
#8  
Do you want to take it out with your tools "back in GA" ? Good luck.

When was last hyd. oil/filter change, and the screen cleaned?
Thanks for asking
It has been about four years since I changed the fuel oil and Hyd filter and I have never cleaned the screen. I’ve only had this tractor for four years and I don’t have 250 hours since then.
I don’t know where the screen is located, but I’d like to check and clean it to make sure.

As for the Hyd oil I changer it a month ago. I had to change the load control bushing and seals so I had to drain it anyway So I changed it.

I am looking for someone here but I will most likely take it back to GA.
 
/ 2550 hydraulic problem #9  
Your tractor may not have a screen in the hyd. oil system. So understand you changed the hyd. oil filter when you changed the hyd. oil. What condition was that oil?
 
/ 2550 hydraulic problem #10  
Photo below shows trans oil screen location. DO NOT TURN STROKE CONTROL VALVE SCREW without possessing a 5000 psi gauge to check stand-by pressure which should be 2250 psi! I think you're confusing "stroke control valve'' & "de-stroking valve". De-stroking valve if present will be on upper side of hyd pump.

Keep in mind over the yrs many hyd pumps have been replaced WITHOUT PERFORMING GOOD HYD DIAGNOSTICS only to determine that the replaced hyd pump in fact was good & not the hyd problem!!!!!!!!!!!!
 

Attachments

  • Screenshot 2021-04-25 090746.png
    Screenshot 2021-04-25 090746.png
    139 KB · Views: 316
/ 2550 hydraulic problem
  • Thread Starter
#11  
Your tractor may not have a screen in the hyd. oil system. So understand you changed the hyd. oil filter when you changed the hyd. oil. What condition was that oil?
Sorry for the slow response but I’ve been on the road back yo GA. I changed the hyd oil and filter back about four years ago after I got her. But I only changed the hyd oil about a month ago when I changed the load control bushings and seals. The hyd oil that came out looked good and of course the new oil is so clean that it’s hard to see it on the dipstick.
 
/ 2550 hydraulic problem
  • Thread Starter
#12  
Photo below shows trans oil screen location. DO NOT TURN STROKE CONTROL VALVE SCREW without possessing a 5000 psi gauge to check stand-by pressure which should be 2250 psi! I think you're confusing "stroke control valve'' & "de-stroking valve". De-stroking valve if present will be on upper side of hyd pump.

Keep in mind over the yrs many hyd pumps have been replaced WITHOUT PERFORMING GOOD HYD DIAGNOSTICS only to determine that the replaced hyd pump in fact was good & not the hyd problem!!!!!!!!!!!!
First I need to correct one thing, we (my son and I) did check and clean the screen in the past. I had forgotten that, but he reminded me of it today.

Yes Sir you are correct I was confused and thought it was one and the same.
That is my fear! I don’t want to change anything unnecessarily and that is a real possibility when you are guessing, and I’m guessing. But I do want to thank everyone who is trying to help me. I do have a 4000 psi gauge to set the pressure when needed.

I decided to take my toys and go home. So I loaded the tractor this morning and came home today. I was informed that I needed to be in Florida tomorrow night. I should be back on Thursday night so I will not get back to it before this weekend or possibly Monday.

My plans will be to back off on the de-stroke valve while idling. Then check screen again, and change hyd filter If needed. Does that sound correct? About how far can I back out the de-stroke valve?

Thanks again
 
/ 2550 hydraulic problem
  • Thread Starter
#13  
Your tractor may not have a screen in the hyd. oil system. So understand you changed the hyd. oil filter when you changed the hyd. oil. What condition was that oil?
Yes Sir it does. That was my mistake as we (my son and I) did clean it in the past. But I will check and clean it again just to make sure.
Thank you
 
/ 2550 hydraulic problem #14  
My plans will be to back off on the de-stroke valve while idling. Then check screen again, and change hyd filter If needed. Does that sound correct? About how far can I back out the de-stroke valve?

Thanks again
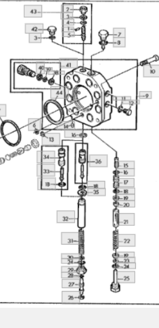
Are you referring to de-stroking screw(item 43) or stroke control valve(item 27)? The 2 valves have different applications? De-stroking valve is turned clockwise(in not out) to open stroke control valve seating area to stop pump from pumping oil. Then de-stroking screw is turned CCW to allow stroke control valve to seat allowing hyd oil pumping to begin again.

Screenshot 2023-07-13 075006.png
 
Last edited:
/ 2550 hydraulic problem
  • Thread Starter
#15  
Are you referring to de-stroking screw(item 43) or stroke control valve(item 27)? The 2 valves have different applications? De-stroking valve is turned clockwise(in not out) to open stroke control valve seating area to stop pump from pumping oil. Then de-stroking screw is turned CCW to allow stroke control valve to seat allowing hyd oil pumping to begin again.

View attachment 810910
Good Morning Jim
I am glad you are willing to help, so thanks again. I have been reading through this a few times and I do think I understand (now anyway) what you are telling me about the de-stroke valve (43) so I will look for it on Tuesday. I just returned home last night from Florida and I have Japanese Pastors in for the weekend, so I will go down to the camp on Tuesday to pick this back up.

If I do have a de-stroke valve (at the top of my pump) I will turn it clockwise to release the seat while idling. Then after a few moments I will bring it back to let it reseat the Stroke control valve. Whether that works or not I will pull the screen and check it, just to see if there is anything there.

Have a great weekend!
 
/ 2550 hydraulic problem #16  
You're welcome
When you remove plug to access hyd oil screen be aware you need to block off hyd filler hole with something so as to create a vacuum or drain hyd oil reservoir. Yes one utilizes de-stroking as you stated.
 
/ 2550 hydraulic problem
  • Thread Starter
#17  
Hey Jim
I am going down in the morning to work on my tractor and I do have another question, if I may. Does 42 screw into the top of 43? I found a picture of my pump “I took in the past” and that’s what it looks like to me. I believe I do have the 40 CM pump.

Thanks
 
/ 2550 hydraulic problem
  • Thread Starter
#18  
IT WORKED!
Praise the Lord and thank you very much Jim!


This is what I did. I pressure wash away the dirt and grease so I could see what I was working on. I installed my pressure gauge and checked pressure. The pressure at idle was bouncing from 500 to 600. Then I backed out (CCW) the de-stroke (43) about 3 or 4 full turns and pressure was still about 500. I let it run for about two minutes then, I started turning in the de-stroke screw in. At some point I heard the sound of the pump changed, and the pressure started coming up. As I turned it back in the pressure came up to 800 then 1000 and by the time it was seated back into place it was at 2350. With everything back in place I backed off on the stroke control so that the pressure was set at 2250 at idle. FEL and TP worked as it did before I had this problem.

Jim I cannot thank you enough! I was afraid I was getting into something I knew little to nothing about and that I would make it worse. But with your help I had to give it a try. Thank you for the information and your patience with all my questions.

To everyone who asked questions and or gave me suggestions, THANK YOU AS WELL!

This form has saved me a lot of time and money! Thanks everyone.

David Hardin
 
/ 2550 hydraulic problem #19  
David
You're very welcome. I'm glad this Old Cogger could help you.
Jim(y)
 
/ 2550 hydraulic problem #20  
Tx Jim

I have the same problem as David has listed here. I wanted to ask if you would run through the procedure once again. In your post #14 & David's reply in #15 you say "De-stroking valve is turned clockwise(in not out) to open stroke control valve seating area to stop pump from pumping oil. Then de-stroking screw is turned CCW to allow stroke control valve to seat allowing hyd oil pumping to begin again". However in the final reply David said his procedure was "I backed out (CCW) the de-stroke (43) about 3 or 4 full turns and pressure was still about 500. I let it run for about two minutes then, I started turning in the de-stroke screw in"

I removed the plug (42) on my pump (2550 open station tractor w/ FEL, single remote) & oil was seeping out of the valve. Is this normal with the tractor not running ? I apologize for my confusion, just didn't want to start adjusting in the wrong direction not knowing if there are any consequences from adjusting too far.

Thanks in advance for any help !
 
 
Top