2550 hydraulic problem

/ 2550 hydraulic problem #21  
With engine operating at idle speed in order to de-stroke pump turn DS screw clockwise until it stops then turn DS counter-clockwise until it stops turning. Be sure to check pump shaft to be sure it rotates when engine crankshaft rotates. De-stroking screw is encircled in green. HTH's, Jim
 

Attachments

  • Screenshot 2024-07-23 110121.png
    Screenshot 2024-07-23 110121.png
    96.7 KB · Views: 101
/ 2550 hydraulic problem #22  
Tx Jim

I just wanted to say thank you for your time here on these forums, your explanations & details got my issues resolved. Much appreciated !!
 
/ 2550 hydraulic problem #23  
You're welcome Please post what you did that caused your tractor hyd system to function correctly. This will help folks solve their closed center hyd problems that read these forums in the future.
 
/ 2550 hydraulic problem #24  
I can't find the link where I am supposed to post a new thread, but since this is totally related to what I am experiencing on my 2355, and the last post was at the time my problem began, I hope no one minds my tacking on. It has 1,600 hours since new. I began experiencing hydraulic problems with the loader, which had previously happened because the fluid got a bit low due to a couple of worn out hoses and a leaking ram, which I had repaired. But after checking the fluid level (it was good) I resumed working and all seemed well again. Since it was a kind of pulsating pressure issue I assumed it was air in the lines.

Shortened story: drained fluid, changed element filter (old one looked good) and put in new fluid. Same issue, when driving tractor (mostly use it with a 10 foot flail mower) everything worked fine until I started using the loader a bit. Then the "shudder" began and the loader finally crawled to a stop. But after a couple minutes of rest, allowed to idle or just drive, even while mowing, loader would resume working. If I tried to run it long enough even the non-ram steering would also stop intermittently. JD dealer told me it might be the fluid recirculating pump. Basically a low pressure lift pump that keeps the main pump reservoir full. If so, I would need to split the tractor to get to it.

After consulting here and some utube videos I found there was an additional "pickup screen" in the lower case, which I was not aware of, and had never changed or cleaned. Well, after I redrained the sump and pulled the big filter housing so I could clear the hyd. lines and get to the large, inverse hex cap/cover and the one on the opposite side (which oddly takes a slightly smaller and less common allen size) I was able to push out the nylon screen, and it was obviously the cause of some blockage. (And yes, do I feel stupid for not knowing this was there!)


john deere pickup screen.JPG


At any rate, it seems that it slowed down the supply of fluid enough that the supply tank above the main pump would run dry if the demand was too great. After cleaning it out and trying to get any remaining crud out of the lateral, transverse hole where it resides, putting all back together and refilling fluid, it ran just like new again. For about 2 weeks. Now it's doing the same thing, and my first instinct is that the filter has picked up some residual crud, and must therefore be removed once again.

But now after reading the rest of this thread I think I may also need to destroke the pump seat as explained above. I will also likely pull the screen out again to check and was now wondering about the possibility of pulling that without draining all the fluid. I know I'll probably loose some when I pull the caps, but will it completely drain? By all the photos and descriptions, it looks like the 2355 and 2555 have nearly identical layout as what the OP's tractor has, and for sure the pump.

And what about the proportioniing valve (below) that I learned about on the Green Tractor Talk forum? I remember seeing this housing when I was under there the second time (I've got turf tires, so its a bit lower). Can any or all of these be removed for cleaning without draining fluid? I know the main filter can be changed with the sump full, but the other pieces sit lower on the fluid case. Although not a big deal to drain it, I'd prefer not to since my tractor sits too low for 5 gallon bucket to fit under, and I'd rather not drain new fluid if I don't have to. Yet I don't want to get caught under there with gallons of fluid pouring out with no drain pan.

1745374580442.png


Last question, are there any other filters (hydraulic fluid) that I haven't mentioned? Like in the main fluid pump? The image below shows the type of pump I have, with the round passage that runs horizontally across the top, and seems to meet another vertical passage on the left (drivers?) side of the pump. It seems the vertical passage is the destroking feature mentioned in earlier posts. I do have an owners manual but it does not specify exactly what filters it should have or descriptively show where they are, due to model differences.
1745378510952.png


Thanks to anyone who has taken the time to read all of this, and I hope it may also help some one else.
 
Last edited:
/ 2550 hydraulic problem #25  
Your tractors front hyd pump could have a filter depending on which front pump you tractor has. One can check/clean hyd oil suction screen by inserting an operating shop vacuum hose nozzle into open hyd filler then remove screen for visual inspection. What type hyd valve controls FEL(SCV or ind)?
 

Attachments

  • Screenshot 2025-04-23 055150.png
    Screenshot 2025-04-23 055150.png
    140.6 KB · Views: 94
/ 2550 hydraulic problem #26  
My profile info states I'm from Texas. Where is FEL control valve attached to tractor hyd system? Does FEL control valve have a closed center conversion plug with good inner seal installed in th control valve housing? Does FEL control valve have a built in relief valve? If YES is that relief valve set to not open under 2400 psi? It will surprise me if pressure control(priority) valve is causing your tractors hyd problem
 
/ 2550 hydraulic problem #27  
My profile info states I'm from Texas. Where is FEL control valve attached to tractor hyd system? Does FEL control valve have a closed center conversion plug with good inner seal installed in th control valve housing? Does FEL control valve have a built in relief valve? If YES is that relief valve set to not open under 2400 psi? It will surprise me if pressure control(priority) valve is causing your tractors hyd problem
Don't have eyes on it presently but the control lever uses 2 stiff cables to actuate the valves which are below the floorplate off the bell housing. I think therere is a tee in the hardline that supplies the valves, but I need to look. I have no idea to the other questions, but it seems that when the fluid reservoir has had time to replenish the pump, it works fine. Sort like like a clogged fuel filter will let the motor idle but WOT operation causes it to starve and die. I will get back at it tomorrow morning and perform some more cleaning and get pics of the layout. I'm pretty sure it's just another (or the same) clogged filter or the destroking valve seat.
 
/ 2550 hydraulic problem #28  
The picture you posted of you screen looked as if it may have been clogged with brake lining material. If so it is probably clogged again. If you clean it again, spread some aout on a white towel and post a picture of it. May be able to identify it better. You do need to drain all oil to remove it. Some people use a shop vac to pull vacuum and pull it out without much loss, but I feel the vacuum pulls some of the debris off the screen and back into the oil in the process, so I don't like doing it that way. Also can clean out bore where screen comes out better.
 
/ 2550 hydraulic problem #29  
Does anyone here know where I can get the De-stroking screw/kit mentioned above? I called the dealer who put me through to service, and the technician hadn't heard of one. He did get back to me with a diagram and some part numbers, but he said the kit was no longer available. I don't see in the parts the number for the hollow nut that reeplaces the cap nut at top, which is internally threaded to recieve the actual DS screw. If I knew the dimensions and length of the parts I could just acquire the parts individually. Though that would be a real pain.
 
/ 2550 hydraulic problem #30  
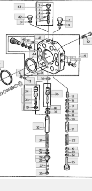
If JD dealer parts personal that can't locate info on 2355 hyd pump destroking screw & parts on that part # he needs to get a different profession/job. Last photo lists the part #s that AR38225 could sub to. John Deere AR38225 Kit | eBay
 

Attachments

  • Screenshot 2025-07-29 122549.png
    Screenshot 2025-07-29 122549.png
    14.3 KB · Views: 47
  • Screenshot 2025-07-29 123001.png
    Screenshot 2025-07-29 123001.png
    191 KB · Views: 47
  • Screenshot 2025-07-29 123310.png
    Screenshot 2025-07-29 123310.png
    145.6 KB · Views: 54
  • Screenshot 2025-07-29 123523.png
    Screenshot 2025-07-29 123523.png
    20.1 KB · Views: 53
Last edited:
/ 2550 hydraulic problem #31  
If JD dealer parts personal that can't locate info on 2355 hyd pump destroking screw & parts on that part # he needs to get a different profession/job. Last photo lists the part #s that AR38225 could sub to. John Deere AR38225 Kit | eBay
To his credit, he did later explain the kit was, or should be, available after market, thus the "A" prefix on the part number. The fact that it seems many earlier models of John Deere actually came with this part installed did cause some confusion on my part. I now realize that this part is not a tool but more of an accessory, that can installed to the pump and left there for future convenience. I see by researching earlier threads that Tx Jim has been helping us folks and recommending this procedure for quite some time. Even the photos I've seen posted look very familiar to mine. I guess you've experienced a bit of deja-vouz from time to time Jim.

from searches for this part number (AR38225) I've seen prices all over the place from $38 to over $120. But half of them report out of stock when proceeding to purchase. The best priced ones also add about 20 bucks for shipping, which is ludicrous considering they could put in an envelope and drop in the mail.

I did stumble upon a good resource it seems. At AVS.parts you can enter the part number you request and they will send it out to bid, so to speak. They will then relay the fulfillment offers to you, so you can pick the deal you want. Within 6 hours I was returned 4 offers, and I am waiting on the shipping details from one before I purchase. Hopefully a helpful resource and not a scam.
 
/ 2550 hydraulic problem #32  
Kenduro
Good that you have options as to where to buy the part. Better than no options at all. ;) :)

And the JD dealer parts man is going to support his dealership and JD. ;)
 

Marketplace Items

Freighliner Tender Truck (A63118)
Freighliner Tender...
2011 Ford F350 Service Truck (A63116)
2011 Ford F350...
2002 Freightliner FS65 Chassis Bus, VIN # 4UZAAXAK52CJ75416 (A61165)
2002 Freightliner...
UNUSED ATS GAC40Y 40 GAL.AIR COMPRESSOR (A62131)
UNUSED ATS GAC40Y...
UNUSED KJ 20' BI-PARTING GALVANIZED GATE (A62131)
UNUSED KJ 20'...
Dexter trailer axles (A61567)
Dexter trailer...
 
Top