4050 question

/ 4050 question
  • Thread Starter
#31  
Ok..... Got the pump installed and have a few questions. I know the timing on the pump in firing stroke TDC on front cylinder. Is says to pin the crank in the manual but shows no description of how to do this. We took the injector out and used a screw driver to tell when the piston was as the top and made sure that both intake valves were closed. We had the valve cover off too. We had the timing marks lined up on the injection pump too. My two questions are..... Does anyone have a pic of where the hole is to access the flywheel to pin the crank and also with having all the fuel lines loose as well as a dry injector pump. What is the best method to getting everything bled back out. thanks for all the help with everything. Just stumbled across the site while researching what could be wrong
 
/ 4050 question #32  
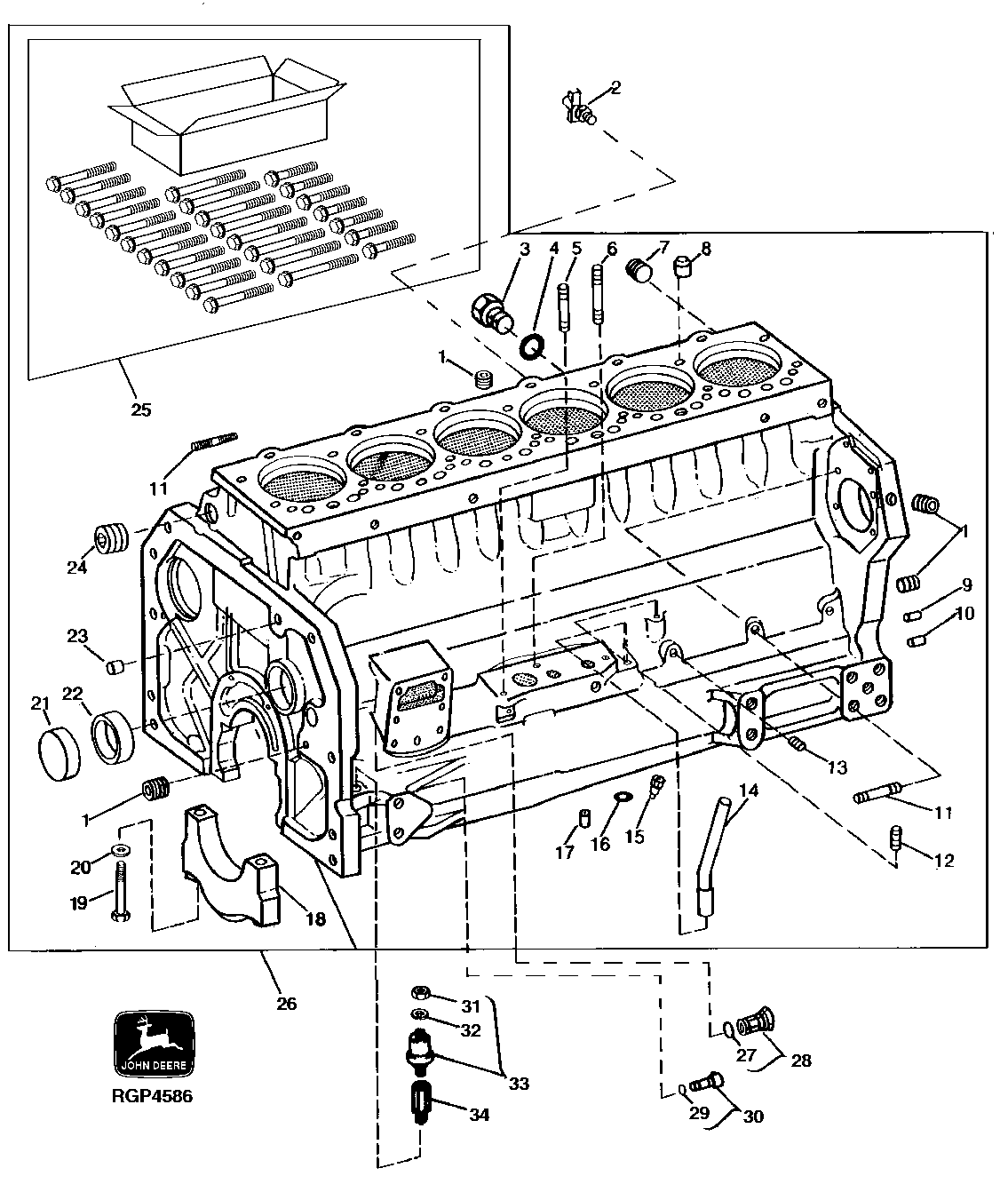
To time engine to TDC there's hole in block(parts key # 30 is plug) on RH side to insert a pin where block & clutch housing are mated. On purging air from fuel there should be a handle on lift pump on RH side to operate to pump fuel into fuel filters and air out.
 

Attachments

  • RGP4586________UN16OCT95.gif
    RGP4586________UN16OCT95.gif
    47.4 KB · Views: 381
/ 4050 question
  • Thread Starter
#33  
Worked today on the tractor and it is back up and going. Seems to be a lot stronger but it was getting late when I finished and still had some feeding to do. I will put it to the test tomorrow to see if the slow cranking has been fixed. Thanks for all the input txjim. That drawing made getting it timed a lot easier.
 

Marketplace Items

2020 Dodge Charger Sedan (A59231)
2020 Dodge Charger...
Giyi Mini Ex Attachment Set (A60463)
Giyi Mini Ex...
2013 Haulotte 4527A (A57148)
2013 Haulotte...
500 BBL FRAC TANK (A58214)
500 BBL FRAC TANK...
UNVERFERTH 330 - 19-INCH EXTENSION KIT FOR RIP-STRIP TOOLBAR PART # 63186G (A55315)
UNVERFERTH 330 -...
2015 Dodge Journey Van (A59231)
2015 Dodge Journey...
 
Top