JD 4400 Power Steering/3PH Problems

/ JD 4400 Power Steering/3PH Problems #1  

DDiamond

New member
Joined
May 27, 2010
Messages
7
Location
Keaau Hawaii
Tractor
2000 John Deere 4400
HI,

My 2000 4400 has weak power steering at lower RPMs. Its ok at higher RPMs.
I've read that there has been a lot of power steering problems with this model of tractor. I was wondering if any of you have had any success in fixing this problem and could share some insights with me.

A second problem I am having is the 3PH will not maintain its level, but slowly lowers during use. even with the valve fully closed it will still lower. Also upon reaching it's full lift, the engine begins to work really hard until i raise the FEL or lower the 3PH. I recently cleaned the pressure relief valve which improved the power of my FEL. This seems to be when the engine laboring began, but my memory isn't clear on that. It also makes some buzzing squealing sounds sometimes.

I Checked the rockshaft control valve filter to find that it was blown out. I ordered a replacement only to find that the whole unit has been upgraded to a canister type filter that requires new hydraulic lines. I have been running it without this filter until I can get the new parts. I am thinking that I may need to get a new RCV as well.

To clarify a little, I got the tractor used with 650 hours on it in june 2009. I changed the fluids and filters at that point. In using the tractor over the last year I have noticed that the Power steering was weak and have had problems lifting heavy loads (Bucket heaping full of sand) with the FEL. As I don't always have time to work on it I have been slowly troubleshooting these problems since I got it. One thing I did to troubleshoot these problems was check the RCV filter. I found that it was blown out. So it being plugged was not the problem. I checked the RCV and found no debris inside. I recently found this website and have learned a lot about my tractor since. But still no definite responses to the power steering problem or the 3PH problem. I was able to resolve the loader problem by cleaning the PRV, which seems to have worsened the problems that I mentioned about the 3PH. Before I cleaned the pressure relief valve the 3PH would raise to its highest point normally, sometimes with a little squeal at the end. Now when it raises it reaches the top and then bogs the engine down. It continues to have the slowly lowering problem. Any help would be greatly appreciated!
 
/ JD 4400 Power Steering/3PH Problems #2  
What RPM are you usually at? Shouldn't be any less then 1500 RPM for any tasks. If you are running at 1500 or more, I'd suggest you change your hydraulic fluid. It may have been years since it was changed. By this time, you may have dirt throughout the system. If that 4400 is hydrostatic, the previous owner may have really cooked the fluids...so, for yourown sake, change the fluids.
I've been on TBN for about 10-11 years now and haven't read of too many problems with the 4xxx series machines (including power steering except for occasional leaking front axles.. The early 4x10 tractors had problems with thir electronic controls for a while until Deere sorted them out.
 
/ JD 4400 Power Steering/3PH Problems #3  
Welcome to TBN DD:D

My 2000 4400 has weak power steering at lower RPMs. Its ok at higher RPMs.
I've read that there has been a lot of power steering problems with this model of tractor. I was wondering if any of you have had any success in fixing this problem and could share some insights with me.

I have been around a while, and have not read where there is/was "a lot" of PS problems. The 4400's are pretty tough machines. Like Roy wrote, the PS at idle may be lacking-but most if not all CUT's are like that. You need to get the RPM's up to get some hydraulic flow going.

A second problem I am having is the 3PH will not maintain its level, but slowly lowers during use. even with the valve fully closed it will still lower. Also upon reaching it's full lift, the engine begins to work really hard until i raise the FEL or lower the 3PH. I recently cleaned the pressure relief valve which improved the power of my FEL. This seems to be when the engine laboring began, but my memory isn't clear on that. It also makes some buzzing squealing sounds sometimes.

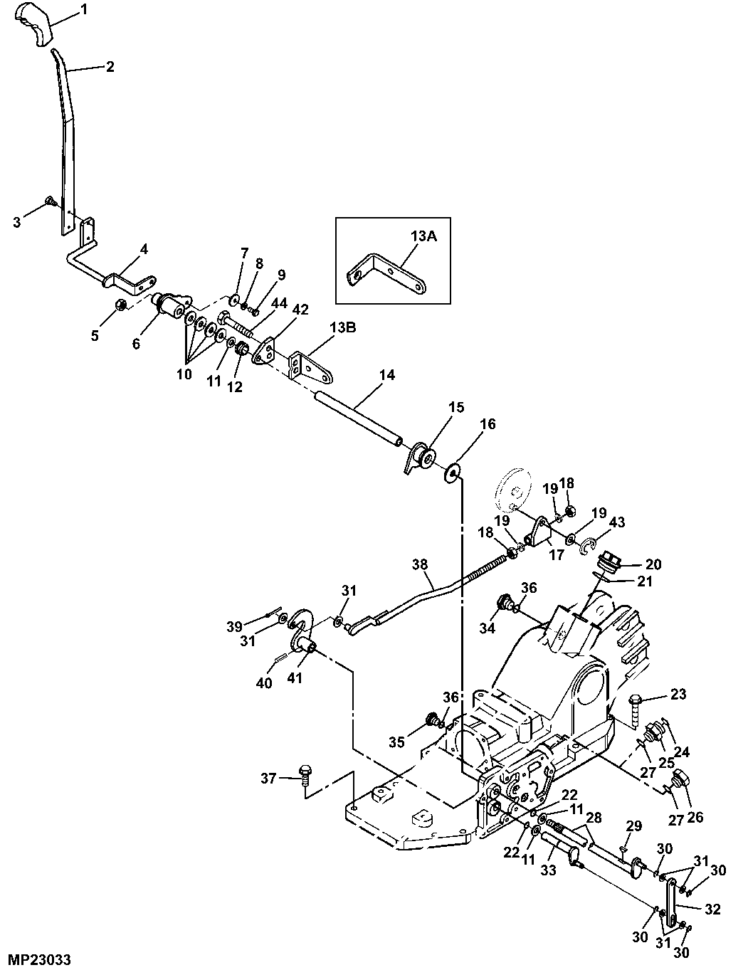
I suggest you get the Technical manual for your machine. The CD's are excellent and cost about $75. There is a feedback rod (part # 38 in the picture below) that may need to be adjusted from the sound of your symptoms. If the 3PH is constantly trying to "position" itself, then it may be robbing flow from the system causing the loader to feel weak. What loader do you have-the 420 or 430?

I Checked the rockshaft control valve filter to find that it was blown out. I ordered a replacement only to find that the whole unit has been upgraded to a canister type filter that requires new hydraulic lines. I have been running it without this filter until I can get the new parts. I am thinking that I may need to get a new RCV as well.

Yeah, the filter was upgraded because of some problems. I would suggest you take your serial # to a dealer and get a history on it.
 

Attachments

  • 4400.gif
    4400.gif
    23.9 KB · Views: 3,490
/ JD 4400 Power Steering/3PH Problems
  • Thread Starter
#4  
Yes I have changed the fluid and filter twice. Second time screen was still clean. Power steering is definitely lacking. Even at 1500 RPM is is still very slow and hard to turn. Loader weakness is no longer an issue, but to answer your question I have the 300x loader. What I'm most concerned about is the 3PH bogging down the engine. It reaches its highest point then the RPMs drop and you can see that the engine is working really hard. Power steering is less of a concern but I would like to fix it. It is easy to turn at high RPM but slower than normal. I have driven other tractors that turn faster at idle than mine does at full RPM. This tractor is a sync-reverser. Engine runs like a champ.
 
/ JD 4400 Power Steering/3PH Problems #5  
Your 3PH might be out of adjustment such that a mechanical limit is reached before the position control cuts out. This would put you on the PRV all the time at max height and isn't good.

My 4300 has plenty of steering power even at idle with a full bucket.

I highly recommend getting a service manual.
 
/ JD 4400 Power Steering/3PH Problems #6  
I'm suggesting you take it to a Deere dealer and let them fix it.
 
/ JD 4400 Power Steering/3PH Problems #7  
Do the adjustment procedure on the 3 ph as kennyd suggests, as well as jpinca. I had the same issue, and it is easy to fix.

No power steering issues here (4300), but you can do some pressure checks of the system and learn where there is any failure or problem with a pump. Separate pump for the power steering.

I also suggest the CD. It will be well worth the money if you are in to fixing things yourself, or trouble shooting yourself. And it sounds like you have been there. :)

When the screen blows out, sometimes the screen material would mess up the control valve spools, and require some repair work. Just may not be a problem, but at least be aware of the possibility.

Also not aware of any Power Steering problems with the 4000 series that includes the 4400.

Review kennyd's previous posts, and you will find a ton of good info that he has posted. He knows his stuff, bar none.
 
/ JD 4400 Power Steering/3PH Problems
  • Thread Starter
#8  
Aloha and Thanks to all for the warm welcome and great advice. I will get the service manual for this machine, and and perform that 3PH adjustment you mentioned. As for the power steering, I was wondering if any of you know if there is a pressure relief valve for that that system somewhere? The steering is slow and difficult even when I lift the front wheels off of the ground with the FEL. Oh that brings to mind my loader. Do any of you use the 300x loader? If so does it ever bind on you? Anyways just curious. Thank you all so much for your help! I really appreciate it. Its great to be able to talk to people who know a thing or two!
 
/ JD 4400 Power Steering/3PH Problems #9  
Aloha and Thanks to all for the warm welcome and great advice. I will get the service manual for this machine, and and perform that 3PH adjustment you mentioned. As for the power steering, I was wondering if any of you know if there is a pressure relief valve for that that system somewhere? The steering is slow and difficult even when I lift the front wheels off of the ground with the FEL. Oh that brings to mind my loader. Do any of you use the 300x loader? If so does it ever bind on you? Anyways just curious. Thank you all so much for your help! I really appreciate it. Its great to be able to talk to people who know a thing or two!

Since you mention the steering being hard while the front wheels are off the ground...suggest you look for something mechanical as well as the hydraulics. You may have the linkage or the tierods binding.
 
/ JD 4400 Power Steering/3PH Problems #11  
DDiamond, the 300x loader didn't come with the 4400 tractor originally. If you bought a 4400 back in 1998-2002, you'd get a 420 or 430 loader.
Did you install this loader? Or was installed by the previously owner of the tractor? IIRC, the 300x was built for the 790 series and others of that size and HP. The 300cx was the replacement for the larger 430 loader.
Now I'm wondering if that loader was installed and plumbed correctly.
 
/ JD 4400 Power Steering/3PH Problems
  • Thread Starter
#12  
By bind I mean that one side lifts before the other side and causes the loader to twist and bind up. Only once in a while though. The 300x seems to be a strong loader. I love how easy it is to remove from the tractor. I'm quite sure that it is installed correctly. Really fast and strong loader. The loader is a 2007 model.
 
/ JD 4400 Power Steering/3PH Problems #13  
If it doesn't lift evenly, then you either have some blockage in an hyd. line, or you have a joint or two seizing up. Might take some detective work to isolate that problem.
 
/ JD 4400 Power Steering/3PH Problems
  • Thread Starter
#14  
Yeah thats what I was thinking. I will dig into it after I get the Service Manual. Thanks so much everyone for your input. I will report on my findings. Aloha.
 
/ JD 4400 Power Steering/3PH Problems #15  
If it doesn't lift evenly, then you either have some blockage in an hyd. line, or you have a joint or two seizing up.

Or a cylinder that is leaking/bypassing internally-that is not uncommon.
 
/ JD 4400 Power Steering/3PH Problems #16  
I think kennyd's oil pressure check rig (kit) would be worth its weight here.
Possibly start checking oil pressures at different points to verify they are up where they should be.
 
/ JD 4400 Power Steering/3PH Problems
  • Thread Starter
#17  
Yeah, I intend on making something to test pressure. Yesterday I got on the tractor and watch the FEL go up and down and it appeared that the right side stops before the left. So I think it could be that there is something in the bottom of the right cylinder that is causing it to stop before before it fully closes, or the right and left rams are different lengths for some reason, or that the left simply lags behind the right. I would say that they are off by about 1/2"-1". I did not install the loader, but the guy I bought it from who was the second owner said that the rams where upside down when he got it but that everthing else was correct. So once I get all these things figured out I will report back. Thanks for all your help!
 
/ JD 4400 Power Steering/3PH Problems #18  
I am having the same trouble with my 4300. What did you ever figure out?
 
/ JD 4400 Power Steering/3PH Problems #19  
quad
The last time DDiamond was active was some 4 years ago. You might send him a PM to get a response.
 
/ JD 4400 Power Steering/3PH Problems #20  
Hi there, I just wandered if you ever found out why the power steering was heavy on your company tractor. I have the same issues with my 4400 fitted with the 300cx loader. Very annoying how heavy it is! Thanks Julian
 
 
Top