JD 790 torque specs

/ JD 790 torque specs #1  

2549

Member
Joined
Aug 12, 2011
Messages
26
Tractor
JD790 2WD
I've got a JD 790, 3TNE82A-EJK, that I'm fixing to pull and work the exhaust stack. Does anyone have the torque spec for the three bolts on the flange where it comes out the side panel?
 
/ JD 790 torque specs #2  
What are the markings on the bolt heads?

Is this the muffler stack pipe bolted to the muffler?

Are they shown here?
 

Attachments

  • 790_muffler_stack.JPG
    790_muffler_stack.JPG
    67.8 KB · Views: 550
Last edited:
/ JD 790 torque specs #3  
The tech book only gives spec on non standard fasteners such as head, rod and main bearing bolts. All others fall into their 'standard' chart.

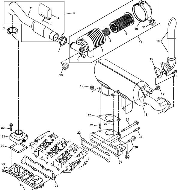
Are these the bolts you're referring to ?
 

Attachments

  • torq.jpg
    torq.jpg
    295.6 KB · Views: 89,784
  • parts.jpg
    parts.jpg
    127.6 KB · Views: 939
/ JD 790 torque specs #4  
Using Willl's chart, and the part number given for bolt no. 15 in the jdparts diagram that I found for the EJK engine, the bolt is metric thread 8 MM, class 10.9. So 40 and 30 for metric and SAE.
 
/ JD 790 torque specs
  • Thread Starter
#5  
It ended up being a 12 mm bolt and the head was stamped "7". No luck anyways, though. That elbow is built up a little thicker and I didn't have the clearance with the sockets I had.

I guess I could use this as an excuse to buy a set of crows feet and a smaller torque wrench! Never let an opportunity to buy tools pass you by.

The tractor is stored on land the next county over and I didn't want to pack up my whole garage on the way over. Thanks for the pics and chart. I'll definitely save them when I get back home.

Thanks for the assist.
 
/ JD 790 torque specs #6  
2549,

Just went through the same thing with a bolt head mark of "7" on a JD790 (see pic) here's what I found........The JD Parts Catalog called out a M8 X 25, Class 10.9 Flange Bolt for my application. Metric Bolt Torque Chart you would think the torque should be should be Lubricated 23.5 lb-ft and Dry 29.5 ft-lb but hold on, the bolt head mark "7" indicates the bolt meets Japanese Industrial Standards (JIS) of which I found yet another chart (attached) on this site indicating a torque range of 17.4 ft-lb to 20.2 ft-lb.

I sent an email to Yanmar asking for clarrification and they said to contact JD since that engine was made for JD applications, send an email to JD asking for clarrification and they said to inquire at my local JD Dealers and hence a response from my local service department: "Correct torque is 26 ft lbs". :confused2:
 

Attachments

  • JD 19M7867.JPG
    JD 19M7867.JPG
    396 KB · Views: 616
  • BoltTorquesFor_7Tand9T_Bolts.pdf
    153.1 KB · Views: 393
  • Metric Bolt and Cap Screw Torque Values.pdf
    192.4 KB · Views: 1,307
 
Top