John Deere Technical Manual Issue

/ John Deere Technical Manual Issue #1  

texstrk426

Member
Joined
Mar 31, 2013
Messages
49
Location
Tioga, TX
Tractor
John Deere 5105
I have owned my John Deere 5105 for years and now am having a starting problem. Thanks to this forum and some other sources I have put together some information to help me diagnose the problem. I was looking for a schematic diagram of the starting system and learned that it is only available from John Deere as a technical publication for $410!:eek: That is more than the price of a service call from my dealer plus some. Evidently John Deere intends to operate their publications department as a profit center not as a service to their customers. I don't appreciate being treated like this by the company I spent well over $22K buying this unit new from a dealer. I suspect that others have the same complaint on their John Deere tractor publications too. However, I do not expect John Deere to change their policy on this matter. This is a poor way to treat customers.
 
/ John Deere Technical Manual Issue #2  
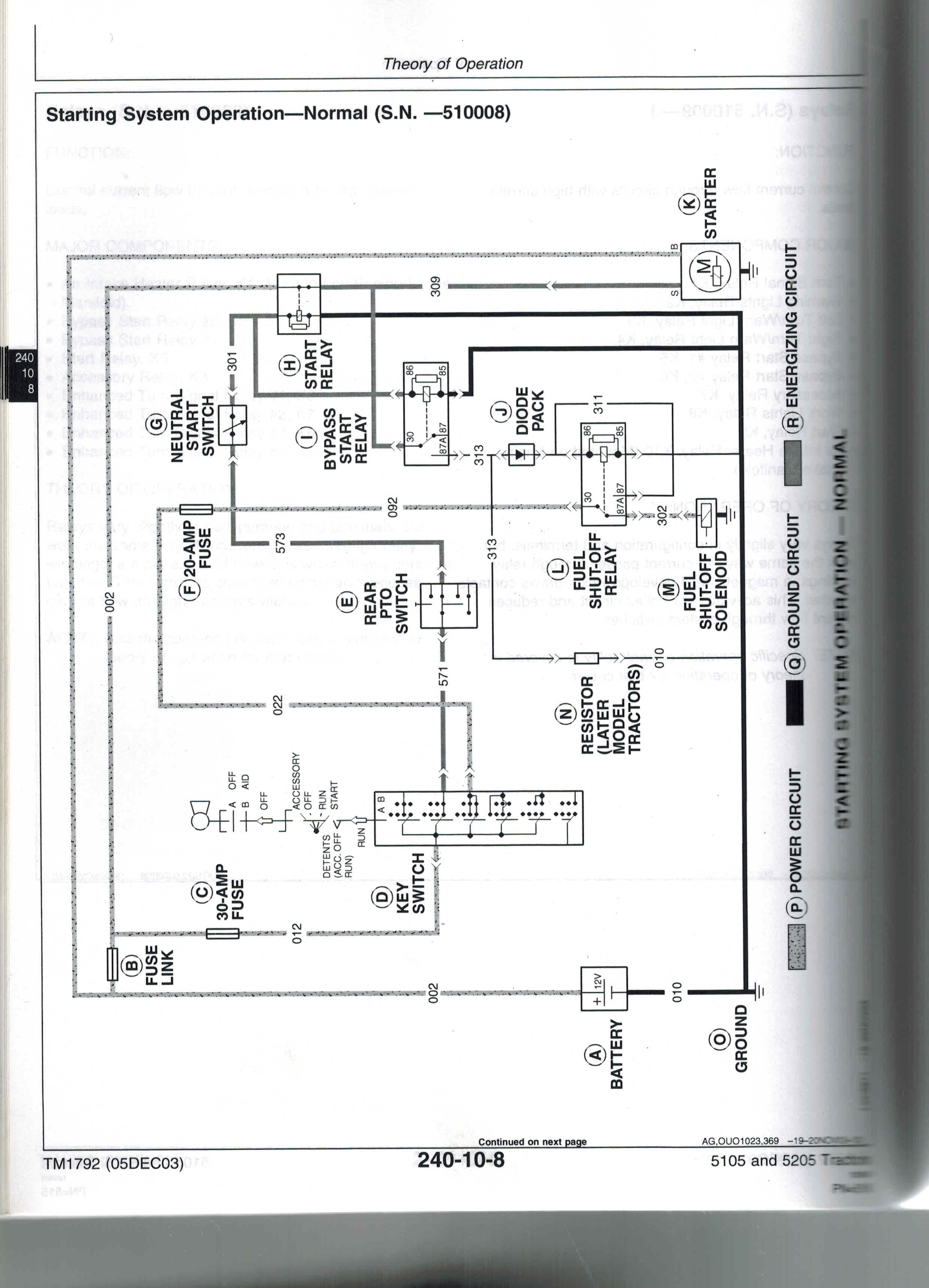
JD Starter13092017_0000.jpg
Is this what you need? What is the serial number of your tractor?
 
/ John Deere Technical Manual Issue
  • Thread Starter
#3  
View attachment 521571
Is this what you need? What is the serial number of your tractor?

Quebecguy;

Yes indeed that is what I was looking for. I wound up listening for the injector solenoid click when the key is turned on and hear it consistently. I took the cowl assembly apart far enough to see the key switch and the turn signal switch. I removed the turn signal knob and light switch knob and then took them loose from the cowl panel. There was a large mouse nest on top of the bracket the steering column is fastened to. I cleaned all of that out and repaired some wires (unused ones) that went to a pigtail connector set branch. I found no other wires damaged by the mice. I went through the fuel bleed procedure and finally managed to get the tractor to start. It seems labored and when I tried to use it with the mowing attachment it could not handle the load and began to struggle even keeping a decent RPM with the throttle all the way to the floor. I turned off the mower and PTO and limped back to the barn and left it outside in case I need to work on it again. It is close enough to the barn that I can run my compressor air hose to it or an electric extension cord.

There was black smoke when I first started it, but it cleared after a bit. I left it running while I went in the house and back before making the trial run with the mower. By the time I finished about a 75ft. stretch mowing it was struggling to maintain RPM. After I reached the barn about another 200ft. away the radiator had gotten quite hot to the touch - don't know it if is excessive or not.

I had just replaced first the battery (it was dead after 11 years of service). Then fuel was added. It had worked well a day before doing some mowing. I started it and mowed a considerable area and began to notice that the tractor seemed to be struggling and sounded like it had a knock or like it was under severe load and about to quit running. That was when I had stopped it to let it cool down. Later it would not start. I pulled the fuel filter RE60021 and noticed considerable crud in the bottom, so I bought a new one at the dealer. After installation of the filter it would not start. I finally located all the troubleshooting of starting problems and suspected fuel system needed to be bled, so I did that today and that was when I managed to get it to start again. Then the power and RPM issue came back as noted in my first paragraph.

Any ideas?
 
/ John Deere Technical Manual Issue #4  
JD Starter 213092017_0000.jpg

Sorry, if your tractor is like mine that first diagram is incomplete. I've attached a second one showing the Cold Advance Solenoid circuit. That has nothing to do with your current problem though. Did you change the other fuel filter? Part Number RE220719 is located between the tank and the RE60021 filter. On my tractor it is found near the rear of the valve cover.
 
/ John Deere Technical Manual Issue
  • Thread Starter
#5  
Quebecguy;

Thanks for that extra information. I will have to drive into town to get the part, RE220719, but it is certainly worth a try. I did notice that the RE60021 filter is listed as "final fuel filter". There may be another filter in the fuel tank too. I need to check.
 
/ John Deere Technical Manual Issue #6  
I think there are only two fuel filters. The RE220719 is in line between the tank and the other filter.
 
/ John Deere Technical Manual Issue
  • Thread Starter
#7  
I will check later on the location of the filter. The valve cover currently has a larger collection of dust and debris on it and so locating the filter in question will be problematic. Fortunately I parked the tractor near the barn and can use my air compressor to blow most of the debris away in order to locate it. Right now it is too hot to go out and do that.

Thanks very much!
 
/ John Deere Technical Manual Issue #8  
$400 is a not-inconsiderable amount of money. However you generally get that 'back' the first time you use it and save the cost of a dealer site visit. From there onwards it's an investment paying you interest.

Also you can save $200 and buy the CD Rom disc version which is all the same info and you can print the pages as you need them and save your book from getting grubby in the workshop. CD's are half the price of books and are burned to order. I believe the Manuals are printed and bound to order also which is why they are pricey. ;)

CD's are convenient and space-saving but I still like having pages to turn in my fingers.

However, there is no section in the manual dealing with "rodent control". That's 'housekeeping' and comes in the 'Life manual' your parents 'gave' you.

The little in-line strainer filter near the fuel tank outlet does most of the filtering and you can usually replace it 3 times before you need to change the main filter at the engine. The Parts Catalogue will show them both and it's on-line for free. No in-tank strainer from memory because the outlet is at the bottom corner and the shape of the tank precludes an upwards suction pipe.

I think if you pay for the manual you will value it and look after it. There are numerous threads on here with the comment "I lost the manual that came with my tractor" or words to that effect. Free manuals, perceived as having little/no value and easily misplaced. I guarantee that having paid $400 for a book you will know where it is, every day you own it. :)

Checked your air filter housing for mice?
 
/ John Deere Technical Manual Issue
  • Thread Starter
#9  
Spanner;
As it turned out I just received a call from a technician from my dealer where I had tentatively scheduled a service call. I described the symptoms to him and what I had done (which included disconnecting the air cleaner while it was struggling to stay running) and between the two of us I have decided to undertake checking the outflow of the tank. I strongly suspect the first filter at the output of the tank is stopped up with crud. This all started after I had allowed the fuel to get down to just under 1/4 of a tank on the gauge and the tank was refilled. There must have been sediment in the bottom of the tank that got stirred up. Another factor was that I had been mowing on some very rough terrain that sloshed the fuel around in the tank when it was low.

Since I have two empty fuel containers I can use those to catch any fuel that comes out of the tank. The RE60021 filter is labeled as being the last fuel filter, so there is one more. I do have my Operator's Manual and I always save all papers associated with maintenance. I had to replace the fuel gauge sending unit a couple of years ago. There is a slight leak at the spot where the gauge sending unit was installed. I am going to try cleaning out the tank and get a new first filter. I may go ahead and get a new section of fuel line too and put all new parts in and re-bleed the fuel lines at the final fuel filter and the injector pump one more time. I think it will solve the problem. I will report back on the results. I will be working the issue Thursday and Friday. I am not as fast as I used to be at 74, so it takes me longer to do anything I undertake. I still like to do my own repairs.

Thanks for the mention of the CD version of the tractor technical manual. I used to always buy service manuals for all my cars except for my last one which is a 2007 Azera and too difficult for me to work on due to my physical limitations now. It goes to the dealer for service. I cannot stay bent over the low engine compartment to work on it anymore. The tractor is different. I can stand up and work on it or lie down underneath without too much difficulty.

Forums like this are a real help to those of us who do not work on our tractors frequently. For the most part this tractor has been pretty trouble free, so I can't complain about that aspect of ownership. It has been an excellent quality product. Life in the country would not be very friendly without it.
 
/ John Deere Technical Manual Issue #10  
Try selectmanuals.com for a tech manual $29.95.

There is a vent hose, behind the tank that could be plugged. Quick test is to loosen the fuel tank cap.

If you have not already found this JD site, you can look up the RE220719 Strainer to see where it is at.

John Deere - Parts Catalog
 
/ John Deere Technical Manual Issue
  • Thread Starter
#11  
JD5210;

Thanks for that link to selectmanuals.com! I just ordered a copy of the technical manual for my 5105. In my work life I was a EE and know the importance of accurate information. I still had the print-out of the fuel tank assembly view and its parts list from the time I bought a new fuel tank sending unit. The parts ordering feature of John Deere's website allows printing of the same information as I already had plus everything else that Deere lists on their tractors.

The manual will provide detailed information on any system I need to check. Thanks a lot!
 
/ John Deere Technical Manual Issue #12  
I strongly suspect the first filter at the output of the tank is stopped up with crud. /QUOTE]

Although JD Parts shows that filter as being near the output of the tank, on my tractor it is located at the rear of the engine near the valve cover. That is where it was when I bought the tractor new. I am curious to hear where it is located on your tractor. I don't think there is any mention of this filter in the Owners/Operators manual.
 
/ John Deere Technical Manual Issue
  • Thread Starter
#13  
I will let you know. Tomorrow I plan to turn on my air compressor and blow away all the dirt and dust in the engine compartment area. There is a major build-up on the valve cover area. Once I can get a good view of it I should be able to see the filter if it is in that area. If not, then perhaps it is near the fuel tank.
 
/ John Deere Technical Manual Issue #14  
Spanner;
As it turned out I just received a call from a technician from my dealer where I had tentatively scheduled a service call. I described the symptoms to him and what I had done (which included disconnecting the air cleaner while it was struggling to stay running) and between the two of us I have decided to undertake checking the outflow of the tank. I strongly suspect the first filter at the output of the tank is stopped up with crud. This all started after I had allowed the fuel to get down to just under 1/4 of a tank on the gauge and the tank was refilled. There must have been sediment in the bottom of the tank that got stirred up. Another factor was that I had been mowing on some very rough terrain that sloshed the fuel around in the tank when it was low.
That little strainer filter gets missed many times because most techs just work on what they can see in the engine bay. Crimp the hose before you take it off and you can drain fuel into your containers in a controlled manner. If you have a paper or stocking gauze to use in a funnel you might be interested in what comes with the diesel.

Since I have two empty fuel containers I can use those to catch any fuel that comes out of the tank. The RE60021 filter is labeled as being the last fuel filter, so there is one more. I do have my Operator's Manual and I always save all papers associated with maintenance. I had to replace the fuel gauge sending unit a couple of years ago. There is a slight leak at the spot where the gauge sending unit was installed. I am going to try cleaning out the tank and get a new first filter. I may go ahead and get a new section of fuel line too and put all new parts in and re-bleed the fuel lines at the final fuel filter and the injector pump one more time. I think it will solve the problem. I will report back on the results. I will be working the issue Thursday and Friday. I am not as fast as I used to be at 74, so it takes me longer to do anything I undertake. I still like to do my own repairs.
74!! :eek: You're doing great. Stay active! :cool:
The RE60021 is labeled "Final Filter" only because it is often fitted in tandem with a water seperator and side-by-side. So to make it easy for Techs to be sure they go in the correct order (The filter heads are similar) one is labeled "Water Seperator" and the other is "Final Filter". You only have the one. The primary 'filter' is that strainer.

Thanks for the mention of the CD version of the tractor technical manual. I used to always buy service manuals for all my cars except for my last one which is a 2007 Azera and too difficult for me to work on due to my physical limitations now. It goes to the dealer for service. I cannot stay bent over the low engine compartment to work on it anymore. The tractor is different. I can stand up and work on it or lie down underneath without too much difficulty.
I hear you on the bending low thing. I avoid working on cars if I can.

Forums like this are a real help to those of us who do not work on our tractors frequently. For the most part this tractor has been pretty trouble free, so I can't complain about that aspect of ownership. It has been an excellent quality product. Life in the country would not be very friendly without it.

They're a nice tractor, good size and easy to work around.
Your fuel tank should look like this (No cab?) and the strainer is #29:
 

Attachments

  • Fuel Tank LVP4777________UN29OCT03.gif
    Fuel Tank LVP4777________UN29OCT03.gif
    30.2 KB · Views: 257
/ John Deere Technical Manual Issue #15  
I strongly suspect the first filter at the output of the tank is stopped up with crud.

Although JD Parts shows that filter as being near the output of the tank, on my tractor it is located at the rear of the engine near the valve cover. That is where it was when I bought the tractor new. I am curious to hear where it is located on your tractor. I don't think there is any mention of this filter in the Owners/Operators manual.

Can you post a pic of this filter you have pls?
 
/ John Deere Technical Manual Issue
  • Thread Starter
#16  
Quebecguy;
I believe you are right about the location of the primary filter. I don't think it would be underneath the tractor due to the possibility of brush and weeds raking against it and damaging it. I have to occasionally replace some of the cable ties that secure hydraulic lines to the tractor frame or the arms of the front end loader to help keep them protected. One day I will have to get hydraulic lines replaced. They are still all original from the purchase date of the tractor. Fortunately the tractor remains in the barn when not being used, so sunlight exposure and weathering is reduced.

I certainly have enough brush to deal with here. We have Mesquite trees which come up like weeds and I have to keep them cut down so that they don't get out of control. Once they get of sufficient size I can go back and using the front end loader and a chain wrapped around the base pull them up roots and all. Then a little salt and some diesel on the spot kills the rest of the roots. One of my neighbors has cattle and every few years has to have a bull dozier come out and scrape the Mesquite trees up and into a pile for burning. Otherwise they suck up too much moisture from the soil and diminish the amount of grass for the cattle. Mesquite trees can send down roots to at least 100ft. or more to reach a permanent source of water.
 
/ John Deere Technical Manual Issue
  • Thread Starter
#17  
On the issue of posting images, what are the resolution and overall size restrictions for images on the forum? I looked for FAQ information and did not see a link to that type of information.
 
/ John Deere Technical Manual Issue #19  
/ John Deere Technical Manual Issue
  • Thread Starter
#20  
beenthere;
That ought to get the job done.:dance1: So far the mowing attachment I have has taken care of the trees I have had to deal with (John Deere version of BrushHog). However I will keep it in mind.

Quebecguy;
As it turned out, my 5105 does not even have an extra filter between the fuel tank and the RE60021 filter!:duh: Perhaps the assembly line ran out and hooked it direct. There is a single piece fuel hose all the way from the tank to the filter at the cut-off valve to the RE60021 filter. It has never been replaced since I bought the tractor from the dealer and has never been in the shop for repairs either.

I removed the 11mm bolts that hold the cowl top/side partitions to gain easier access to the area where the hose meets the RE60021 filter input. Otherwise even dealing with the aircraft type clamp on the hose there would have been impossible with the tools I have. Now the rest of the job will be much easier. I think I will get the extra fuel filter and put it in-line ahead of the RE60021 filter. It certainly can't hurt to have more filtering.
 

Marketplace Items

JOST FIFTH WHEEL PLATE (A64276)
JOST FIFTH WHEEL...
Case IH MXU 135 (A64911)
Case IH MXU 135...
FIXED FIFTH WHEEL ATTACHMENT (A67714)
FIXED FIFTH WHEEL...
17'W x 5'H Push Blade (A64911)
17'W x 5'H Push...
2005 FORD F150 CREW CAB PICKUP TRUCK (A66091)
2005 FORD F150...
PORTA POTTY (A67714)
PORTA POTTY (A67714)
 
Top