Gaowlpoop
Bronze Member
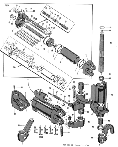
I have a MF 50 that the power steering has come apart on. The problem is that the power steering hydrolic cylinder has come loose. The pin that holders the ram in the anchor block has sheared.
1. I need to know the proper names for the pin and the anchor block.
2. Where is a good source for parts.
3. How do I get the old broken pin out.


The anchor block (marked as item 38 I think) just to the left of the cylinder and the pine (marked as item 39) is just above the top of the anchor block.
By the way, when the thing came apart it wiped out the radiator as well.
1. I need to know the proper names for the pin and the anchor block.
2. Where is a good source for parts.
3. How do I get the old broken pin out.


The anchor block (marked as item 38 I think) just to the left of the cylinder and the pine (marked as item 39) is just above the top of the anchor block.
By the way, when the thing came apart it wiped out the radiator as well.
Last edited: