Need Suggestions for 45 HP

   / Need Suggestions for 45 HP #61  
What do you consider old?
I have an 18 year old Massey and parts are same day or overnight. AGCO has been excellent for me.

30 years old, for the one I had.
 
   / Need Suggestions for 45 HP #62  
Thanks all. Not to sound too naive, but I wish manufacturers would standardize on their parts more. What I mean is I need a tachometer assy (which includes the hour meter and warning lights in the same assy) and, for my tractor model, there are three different part numbers, depending on the tractor's features/options, and that's different from other models by the same mfg. Something in that tach assy is shorted, and it is bringing down the tractor's supply voltage to below what is necessary to charge the battery. It started when the regulator inside the alternator went bad. I searched forever for an alternator (discontinued, of course) and finally found one I could use. But the bad regulator allowed the votages to go way high, like 25-35v, which fried something downstream, which I traced to that tach assy. Now I can't find that. Sorry, just ranting at this point. I do appreciate the feedback on Mahindra and eric's suggestion about Kubota.

Any recommendation on a quick connect / skid steer attach grapple with full upper and lower jaws?
i bought a generic 63mm tacho hourmeter combo meter, it has programable tach input for the pulses that come from your W port on the alternator. these will vary due to the pulley sizes between the engine and your tacho.
 
   / Need Suggestions for 45 HP
  • Thread Starter
#63  
i bought a generic 63mm tacho hourmeter combo meter, it has programable tach input for the pulses that come from your W port on the alternator. these will vary due to the pulley sizes between the engine and your tacho.
Did you get the pulse info from your tractor's data sheet or did you measure it on the W port (and with what)? The alternator is not original, and I would assume a different mfg/model might alter the equation too.
 
   / Need Suggestions for 45 HP #64  
great article and I agree that turbos offer more performance for little cost upfront, but the sections about what to look for and service considerations just back up my points. This all leads me back to my stated position of "if I can get the tractor frame size and hp i need without the turbo, I will" again this is not to say that I would pass on a tractor just because it is equipped with a turbo, but in the case of the 5145 vs 5155 i do not need the extra 10 hp and passed on a 55 that my dealer had on the lot to wait for a 45 and at the time the dealer could not tell me exactly when he would have a 45. If i was working at 5000 ft elevation or was planning on pulling a batwing mower / big disk etc then the 55 makes more sense. I have the same opinion about turbo diesel trucks, if I was going to pull a heavy trailer a lot of the time or at high elevations TD is a great engine in a truck. For driving back and forth to work with just me for 80% of the miles and pulling a trailer for short trips at mostly sea level I do not want the additional issues that come with the TD.
 
   / Need Suggestions for 45 HP #65  
Did you get the pulse info from your tractor's data sheet or did you measure it on the W port (and with what)? The alternator is not original, and I would assume a different mfg/model might alter the equation too.
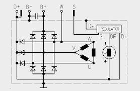
i had the tractors manual, but you could calibrate the one you put it on with a strobe. do you have a W connection on the alternator? it connects to a winding before the rectifier and sends out an AC signal. you can measure the W signal with a multi meter with hertz setting. you could prolly do the math with a spreadsheet and determine the frequency as well. differing alternators shouldn't really have a different output on the W signal as they generally just take the pulse of one of the 3 phase AC windings, this will be same at gived revs of the alternator BUT obviously input pully diameter will change the ratio to the engines revs.

fwiw this is the tach/hourmeter i got.


and here is an alternator schematic showing the W connection,

1653607970181.png



strobe you can check the engines revs , Non-Contact Digital Laser Photo Tachometer RPM Tach Tester Meter Speed Gauge | eBay
 
Last edited:
   / Need Suggestions for 45 HP
  • Thread Starter
#66  
i had the tractors manual, but you could calibrate the one you put it on with a strobe. do you have a W connection on the alternator? it connects to a winding before the rectifier and sends out an AC signal. you can measure the W signal with a multi meter with hertz setting. you could prolly do the math with a spreadsheet and determine the frequency as well. differing alternators shouldn't really have a different output on the W signal as they generally just take the pulse of one of the 3 phase AC windings, this will be same at gived revs of the alternator BUT obviously input pully diameter will change the ratio to the engines revs.

fwiw this is the tach/hourmeter i got.


and here is an alternator schematic showing the W connection,

View attachment 747775


strobe you can check the engines revs , Non-Contact Digital Laser Photo Tachometer RPM Tach Tester Meter Speed Gauge | eBay
Yes, I do have a W terminal, and I have a frequency counter somewhere, if I can find it after moving several times. Thanks for the wealth of info.
 
   / Need Suggestions for 45 HP #67  
Yes, I do have a W terminal, and I have a frequency counter somewhere, if I can find it after moving several times. Thanks for the wealth of info.
no problem, and a share your frustrations looking for kit after moving, been at new place just on 12 months and still unpacking .
 

Marketplace Items

2001 International 4000 DT 466E (A60462)
2001 International...
2012 Dixie Chopper Magnum 2460 60in Zero Turn Commercial Mower (A59228)
2012 Dixie Chopper...
Preliminary Listing / Full Catalog Coming Soon! (A53317)
Preliminary...
2018 CATERPILLAR 259D SKID STEER (A60429)
2018 CATERPILLAR...
2020 CATERPILLAR 303.5E2 CR EXCAVATOR (A60429)
2020 CATERPILLAR...
2019 Ford F-350 4x4 Crew Cab Pickup Truck (A59230)
2019 Ford F-350...
 
Top