Weak Loader Curl Possible Solution For the Max28

/ Weak Loader Curl Possible Solution For the Max28 #1  

mike69440

Elite Member
Joined
Jun 2, 2005
Messages
3,377
Location
Central NH (God's Country)
Tractor
2005 L39 Kubota, 2020 Polaris 570 Sportsman, 2006 RTV 900, 2019 RTV1100C, 1997 Komatsu PC75UU2E w/ Thumb & Blade, 2013 Mahindra Max28XL Shuttle plus many attachments
There is a possible solution for the weak curl of the Loader.

First off, the 1400Lb Lift at the pins just is not honest.

The Loader manual states that the 1402 Lbs lift at the pins is developed at 2175 PSI System Pressure, 100 PSI more than what the relief valve is actually set at. I read that other people ford the relief at only1,800 psi

That no big deal as the little thing will lift approx. 1,200 Lbs. at the pins and that is better than other tractors of its size. For instance, a JD tractor the same size as the MaX28 has 35mm lift cylinders on the JD 130 loader, while the Max28 & Max 26 has lift 45mm cylinders.

But the weak part of the loader is the scrawny 35 mm Bore, 25 Mm Rod x 425 Stroke (650 retracted /1075mm extended) length bucket cylinders.
Stuff the bucket into a pile and most situations it does not have the beans to curl out a scoop of material. The Loader with a QA must even be weaker.

The loader was designed that way for a few reasons. If you are aggressive, you could bend the loader and tip the tractor, prying with the outside edge of the bucket.
The ML205 loader is not really sturdy. and should not be used as a battering ram.

However, if you are reasonable, stronger curl cylinders would boost machine capability greatly.

I looked really hard for a pair of cylinders. None to be found with the correct stroke or extended length, pin size . etc.

1.5" bore would be nice, a, 34% increase in force. 40mm is even better 40mm bore would provide 66% more oomph!.

The Loader on the new 1526 just could save the day.

While it has just a bit more lift capability than the Max28, it cones with 40 mm bucket cylinders that have a 453 mm stroke, (644 retracted /1097mm extended) length bucket cylinders
Mahindra PN is KMW31502148.

The 644mm retracted length of the 1526's loader cylinder is a close match for the 650mm of the 35mm cylinder, but a positive stop would need to be added to the loader arms and bucket to prevent excessive extension.
My L39 Kubota has positive stops. I would have to fabricate and weld them to the Ml205 loader.

The tube ends would need to be trimmed, but that is not a difficult job.

As long as corner edge of the bucket is not used as a pry bar with reckless abandon, especially while driving the tractor forward, the loader should handle the increased power, loading. and stress.
 
Last edited:
/ Weak Loader Curl Possible Solution For the Max28 #2  
Left us "all curious", did you move forward with your fix? You sound like you have done the homework and are on the threshold of jumping in; on the upgrade. If you do this please post the results as there are many of us who will follow suit.
 
/ Weak Loader Curl Possible Solution For the Max28 #3  
Curious too!
 
/ Weak Loader Curl Possible Solution For the Max28 #4  
3x !!!
 
/ Weak Loader Curl Possible Solution For the Max28
  • Thread Starter
#5  
Left us "all curious", did you move forward with your fix? You sound like you have done the homework and are on the threshold of jumping in; on the upgrade. If you do this please post the results as there are many of us who will follow suit.

Nope I have not done anything yet. I want to first get a welder, probably a MIG machine, before I tackle this. Thanks for asking. I'm a bit cash strapped right now.

I finally did some electric work in equipment building, installing extra ights and 220V plug for a welder. With my L39, a stronger loader on the Max is not urgent, but will be nice to have when i'm in the woods building trails, etc, and working around the property, where my wife would kill me if I trambled across with my heavier equipment. "Hey, don't worry, it will grow back"
 
/ Weak Loader Curl Possible Solution For the Max28
  • Thread Starter
#6  
Nope I have not done anything yet. I want to first get a welder, probably a MIG machine, before I tackle this. Thanks for asking. I'm a bit cash strapped right now.

I finally did some electric work in equipment building, installing extra ights and 220V plug for a welder. With my L39, a stronger loader on the Max is not urgent, but will be nice to have when i'm in the woods building trails, etc, and working around the property, where my wife would kill me if I trambled across with my heavier equipment. "Hey, don't worry, it will grow back"

My To Do list includes getting a welder so i can do a lot of these mods myself. I have Motorcycles to fix, Iron gates to make, other projectes utc etc, and I want to be able to design and make a nice set of travel stops for the loader armsto limit the bucket travel.
 
/ Weak Loader Curl Possible Solution For the Max28
  • Thread Starter
#7  
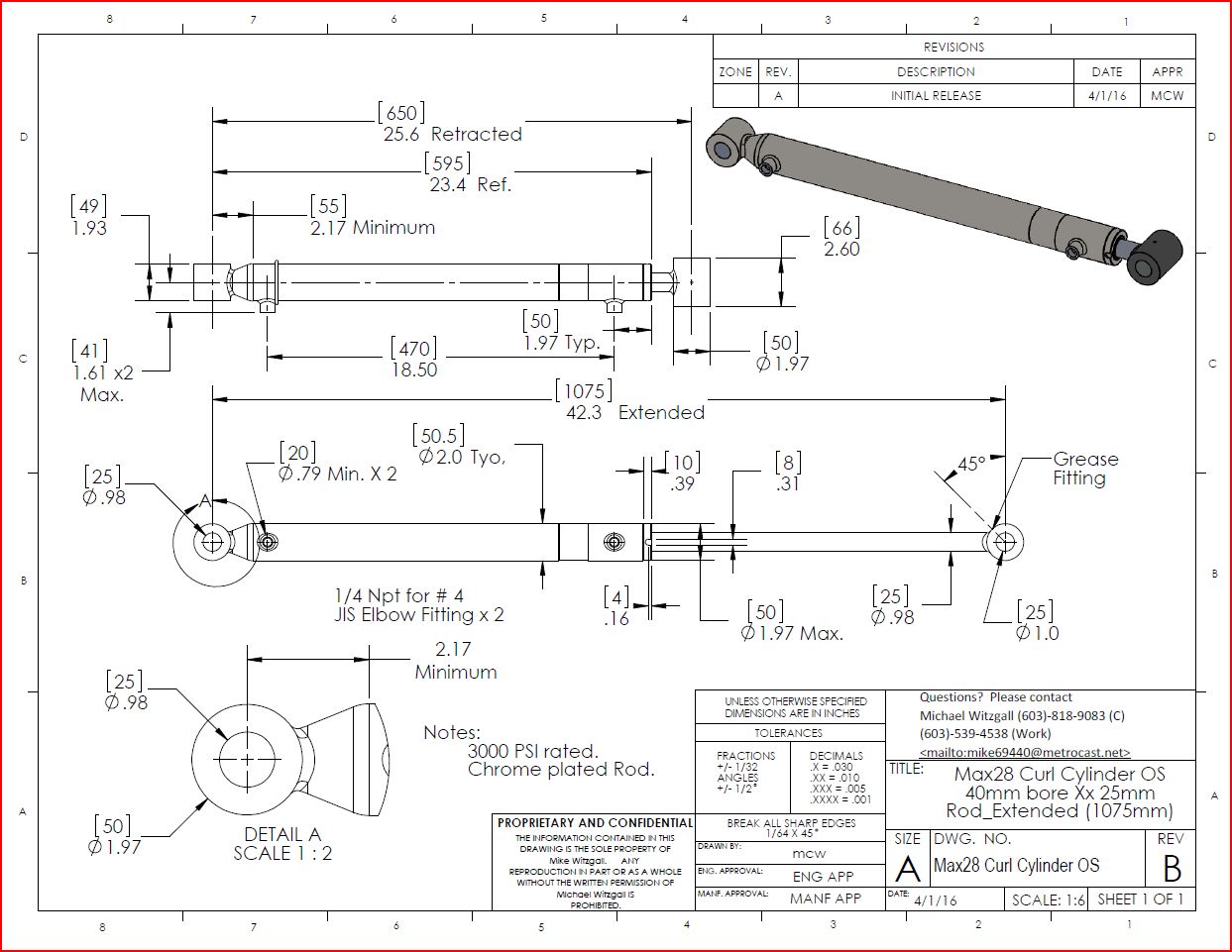
Up Sized Hydraulic for Weak Loader Curl back Force on Max28.

I'm looking a my options to obtain exact fit interchangeable up sized hydraulic cylinders for my tractor's loaders.

These will have to be custom built due to port location, that they are metric sized, and have non standard weird piston stroke and retracted lengths, as well as having metric pin bores.
The replacement DA Hydraulic Cylinders need to be 3000 # welded cylinders.

I have my two tractors that primarily want to increase the curl force on the attachment (Bucket attachment) cylinders. I would not mind also boosting the Lift a bit also.

Attached ismy spreadsheet on the info for the OEM cylinders and the up-rated version, It's just as an example.

I'm making CAD models and details dimension prints also.

I have a few leads as to where I can source these, but want to first get an idea of the potential quantity.

PM me if interested in doing a group buy or you just want a copy of the worksheet in Excel format.
 

Attachments

  • Loader Clyinder Size & Force.pdf
    14.2 KB · Views: 488
  • P1030752.JPG
    P1030752.JPG
    2.4 MB · Views: 832
  • P1030504 (1280x960).jpg
    P1030504 (1280x960).jpg
    853.4 KB · Views: 671
Last edited:
/ Weak Loader Curl Possible Solution For the Max28 #8  
Will the hydro pump be able to keep up with the increased cyl size? They might just be too slow operating.
 
/ Weak Loader Curl Possible Solution For the Max28
  • Thread Starter
#9  
Will the hydro pump be able to keep up with the increased cyl size? They might just be too slow operating.

The Max28 loader speed might not be as fast as some Kubota's, but is faster than some Kioti's.

I may leave the lift cylinder as is as just address the weaker curl cylinders.

Also I will not be prying stumps and such with the edge of the bucket. I have an Excavator for that.
 
/ Weak Loader Curl Possible Solution For the Max28
  • Thread Starter
#10  
Re: Weak Loader Curl Possible Solution For the Max28 (Drawings attached)

If anyone wants i can PM you a spreadshead to caculate how much changinging cylinder size will effect capacity.

I can consider haveing Cylinders for othe loaders done also.

Attached are some cylinder drawings for the upsized Max28 with Ml205 loader.
 

Attachments

  • Max28 Lift_OS 4-2-16.JPG
    Max28 Lift_OS 4-2-16.JPG
    174.6 KB · Views: 931
  • Max28 Curl OS _4-2-16.JPG
    Max28 Curl OS _4-2-16.JPG
    178.2 KB · Views: 831
/ Weak Loader Curl Possible Solution For the Max28
  • Thread Starter
#11  
Re: Weak Loader Curl, used My max today to mve a few rocks.

It was cold today.

I was planning to blow out the outside faucets around the house because tonight it is supposed to be in the teens. I managed to blow the faucets in the front of the house that got some sun, but in was in the twenties all day and the 2 faucets in the rear of the house are frozen solid. Happy spring, everyone. It was 65 F Christmas day? Go figure.

One of the first things we (actually my wife) did about 8 years ago before we built the house at Brezzy Rdge Farm was she wife built 3 rows of terraced rock walls about 100 long for one of her gardens. Not all of the area got used for garden so she told me to get rid of the trees and brush so she could reclaim the whole area.
http://www.tractorbynet.com/forums/...weekend.html?highlight=busy+wife+this+weekend

Today I used my excavator trying best I could not to destroy her walls (somewhat a fail) by plucking the trees and brush using the hydraulic thumb. Darn roots took hold so even pulling vertically I still disturbed some rock wall, needing to rebuild about a 12 section. As my wife is not so keen on wall building so much any more, I was instructed to build some rock stairs into the garden while I was repairing the wall.

Wall builders know that fixing a damaged wall actually involves tearing the wall down and starting over. So I took the wall apart and piled the rock, the small stuff by hand, all the while being careful not to put myself in a wheelchair with my herniated back. Needing more rock, and not wanting to push myself like days of old, I took the Max28 rather than the L39 for a ride down my graveled walking trail to one of my rock piles for a few rocks.

I have a pressure gage on the loader, which gives a good idea how close you are to the maximum capacity of the loader. I removed my old Fisher commercial duty plow from the L39 the other day and used the Max28 to carry and put the plow to storage. To lift the plow, chains over the front of the bucket required over 1800 PSI on the gage, as an example.
I point this out that the attached photos of the more than full bucket was less than 1500 PSI on the loader pressure gage. I was at 2/3 capacity of the loader max lift. I figure my plow goes a good 850 lbs with all the extra metal welded to it over the years, so that pile of rock I guestimate at about 750 lbs. it is a small 54 wide, 6 cubic ft Bucket.

So the max really does not need larger lift cylinders for lifting and moving stuff, thought the bucket curl cylinders struggle. Traveling with that pile of rocks you notice how the steering struggles unless you are on firm ground. And that the whole loader frame is way more flexing and bouncy than the integrated frame of the L39 is even with the L39 carrying 3x the weight.

The only reason I would go with 2 lift (50mm) lift cylinders is that using the max28 last week to spread 10 tons of poop into the area I plowed, it struggled to break the manure out of the pile. In any case the 35MM OEM bucket curl cylinders are pretty lame, and I intend on upsizing to a 40mm bore bucket cylinder.
 

Attachments

  • P1030756.JPG
    P1030756.JPG
    4 MB · Views: 726
  • P1030754.JPG
    P1030754.JPG
    4.5 MB · Views: 913
  • P1030757.JPG
    P1030757.JPG
    3.1 MB · Views: 583
  • Loader Clyinder Size & Force.pdf
    14.8 KB · Views: 761
  • P1030750.JPG
    P1030750.JPG
    3.4 MB · Views: 688
  • P1030488.jpg
    P1030488.jpg
    631.6 KB · Views: 598
  • P1030500.JPG
    P1030500.JPG
    2.9 MB · Views: 734
/ Weak Loader Curl Possible Solution For the Max28 #12  
Very interesting info in your PDF! Thanks for the research!
 
/ Weak Loader Curl Possible Solution For the Max28
  • Thread Starter
#13  
Round and round I go but this is turning out to be relatively easy for my idea Max28 cylinder upgrade, as apposed to what I'm faced with the Kubota L39
The 1526L Loader on the new 1526 does the day

While it has just a bit more lift capability than the Max28, it comes with 40 mm bucket cylinders that have a 453 mm stroke, (644 retracted /1097mm extended) length bucket cylinders
Mahindra PN is KMW31502148.

The good news is the cylinder lists for $185ea.
Pop it apart, and add a SKF metric bearing locknut as a retract stroke limiter and make some extension stroke limiters on a lathe and add a pair of O-ring to hold them in place in the bore at the gland to control extension, and it will be an exact fit drop in. Easy and relatively cheap and the tractor will do most anything an Smaller L series Kubota could do, but have a smaller more nimble footprint.

For now I think being able to lift +1000 lbs. is fine, as long as I get some more bucket break out force. If I really want 2" lift cylinders on the Max, I can add them later.
 
Last edited:
/ Weak Loader Curl Possible Solution For the Max28 #14  
Round and round I go but this is turning out to be relatively easy for my idea Max28 cylinder upgrade, as apposed to what I'm faced with the Kubota L39
The 1526L Loader on the new 1526 does the day

While it has just a bit more lift capability than the Max28, it cones with 40 mm bucket cylinders that have a 453 mm stroke, (644 retracted /1097mm extended) length bucket cylinders
Mahindra PN is KMW31502148.

The good news is the clyinder lists for $185ea.
Pop it apart, and add a SKF metric bearing locknout as a retract stroke limiter amd make some extension stroke limiters on a lathe and add a pair of O-ring to hold them in place in the bore at the gland to controll extension, and it will be an exact fit drop in. Easy and realtively cheap and the tractor will do most anythng an Smaller L series Kubota could do, but have a smaller more nimble footprint.

For now I think being able to lift +1000 lbs is fine, as long as I get some more bucket break out force. If I really want 2" lift cylinders on the Max, I can add them later.

Just remember the tractor has a small footprint on the ground. My neighbor's Max 28 has similar (maybe better) lift specs than my L3200, but we both discovered that's no substitute for size. We were lifting two ends of a large log with our tractors and the Max looked like it was about to fold over sideways, everything from the loader arms on down to the tires. Except in a few controlled situations, I think the Max's loader is too strong for such a small machine. The paper specs are not practical in the real world.
 
/ Weak Loader Curl Possible Solution For the Max28
  • Thread Starter
#15  
Just remember the tractor has a small footprint on the ground. My neighbor's Max 28 has similar (maybe better) lift specs than my L3200, but we both discovered that's no substitute for size. We were lifting two ends of a large log with our tractors and the Max looked like it was about to fold over sideways, everything from the loader arms on down to the tires. Except in a few controlled situations, I think the Max's loader is too strong for such a small machine. The paper specs are not practical in the real world.

The L3200 Loader is stronger in many ways than the Max. It might have same lift capacity, but curl is better. The Kubota loader is stiffer tan less jouncy on the frame, and the loader control is a lot more precise.

The L tractor (or other mid size compact) is bigger, wider and heavier being more stable. Day to day heavier work the L beats the Max28.

I would only use the extra like doing pallet work in tight spots and heavy lifting using the center of the bucket, always keeping load near the ground. Here the smaller Max will go places a larger machine just can't but has the ability of a larger machine.

The Max28 is small enough to get in our barn and work in the confines of our small gardens and paddocks but is not a toy.

PS: Note that 1400Lb lift rating has a caveat in the fine print stating the rating is based on a pressure about 100 Psi over what the machine is set at the factory. Still, even with 500 lbs. plus of counter weight, I pucker just at the thought of lifting 1000 lbs. full height.
I'm going to add another 100-120 lbs. to the counter weight block just for that reason.

I do appreciate that the Max. has a 3 pt. hitch that is 90% of my neighbors new nice L3901, but looks 2/3 the size. Also my L39 that is not much bigger than the L3901, and could probably pick up the L3901.
 
/ Weak Loader Curl Possible Solution For the Max28
  • Thread Starter
#16  
Ordered pair KMW31502148 cylinders: Weak Loader Curl Possible Solution For the Max28

Round and round I go but this is turning out to be relatively easy for my idea Max28 cylinder upgrade, as apposed to what I'm faced with the Kubota L39
The 1526L Loader on the new 1526 does the day

While it has just a bit more lift capability than the Max28, it comes with 40 mm bucket cylinders that have a 453 mm stroke, (644 retracted /1097mm extended) length bucket cylinders
Mahindra PN is .

The good news is the clyinder lists for $185ea.
Pop it apart, and add a SKF metric bearing locknout as a retract stroke limiter amd make some extension stroke limiters on a lathe and add a pair of O-ring to hold them in place in the bore at the gland to control extension, and it will be an exact fit drop in. Easy and realtively cheap and the tractor will do most anythng an Smaller L series Kubota could do, but have a smaller more nimble footprint.

For now I think being able to lift +1000 lbs is fine, as long as I get some more bucket break out force. If I really want 2" lift cylinders on the Max, I can add them later.

Today I ordered a pair of KMW31502148 bucket curl cylinders that go to the 1526 Loader.

Could anyone tell me if the Pins are 25mm or 1" used on the 1526L?

The ML205 Loader uses 25mm.

Thanks.
 
/ Weak Loader Curl Possible Solution For the Max28 #17  
Sounds like you are moving forward.

I, like you would like a bit more breakout force or curl with the bucket. I am in no way dissatisfied with my Max 28, however feel that it could use a bit more Oomph when loading from a pile of whatever. No doubt it has already impressed me with its capabilities for its size and small footprint. It was a right choice for me and I personally have no regrets. With that said, I am unafraid like you to make improvements to an already capable machine. Please post with or without pictures; of your upgrade and the results!

I understand that this is not what was engineered by the MFG, and understand its potential ramifications. But if you pull this off with good results- I will follow suit. Personally, I feel that you are on target with this modification and not overdoing the cylinder size. Thanks for following through with your research keeping us involved.

Hope that you relay cylinder PN#, hose fitting issues and any other drawbacks that I am sure you will overcome. Perhaps someone has the service manual for reference for your 'pin dilemma'.
 
/ Weak Loader Curl Possible Solution For the Max28
  • Thread Starter
#18  
Sounds like you are moving forward.

I, like you would like a bit more breakout force or curl with the bucket. I am in no way dissatisfied with my Max 28, however feel that it could use a bit more Oomph when loading from a pile of whatever. No doubt it has already impressed me with its capabilities for its size and small footprint. It was a right choice for me and I personally have no regrets. With that said, I am unafraid like you to make improvements to an already capable machine. Please post with or without pictures; of your upgrade and the results!

I understand that this is not what was engineered by the MFG, and understand its potential ramifications. But if you pull this off with good results- I will follow suit. Personally, I feel that you are on target with this modification and not overdoing the cylinder size. Thanks for following through with your research keeping us involved.

Hope that you relay cylinder PN#, hose fitting issues and any other drawbacks that I am sure you will overcome. Perhaps someone has the service manual for reference for your 'pin dilemma'.

I suppose on the pin size an extra 1/64 inch of slop would be no big deal if the pin holes are an inch vs.25mm. My old Komatsu probably has a good 1/8" slop. And my 10 year old L39 has worn pins also so I am used to free play.

I may have to machine the crosstubes a little narrower on the mill at work, and I will try the cylinders out before deciding if I want to limit the retract 6mm or not. I would kind of like having a bit more rollback angle, if there is no interference.

I expect that the hydraulic lines will hook right up.

I hope the glands are not torqued to 1000 ft-lbs so I can unscrew them so I can add the 17mm wide extend limiter.

I will do the +100 hour service once the new larger bucket curl cylinders are in place, so any crap in the oil is flushed out.

If I can curl a load out of a pile when I drive the bucket in deep, the stock lift cylinders will have no problem lifting whatever can fit in the tiny bucket.

1000 Lbs bucket capacity for this little tractor is enough, the lift cylinders will stay OEM as I do not need to have a tip over.

The small footprint of the Max lets it squeeze in places like the cow shed, and barn isles with enough room to work, It is perfect for cleaning paddocks etc. I sure does fight above its weight handling implements meant for a real CUT with its rugged 3 pt. hitch and decent power. Even bucket work, it is often easier just to use the Max on the smaller easy stuff. My wife even lets in on the lawn!

I sure do not miss the manual steering and crash box transmission on my old little Kubota, even if it was a good little tractor.
 

Attachments

  • P1030754.JPG
    P1030754.JPG
    4.5 MB · Views: 410
  • P1030780.JPG
    P1030780.JPG
    3.1 MB · Views: 458
Last edited:
/ Weak Loader Curl Possible Solution For the Max28 #19  
I too; have yet to hit the 100hr service interval. Makes sense to do it at just before the service as well. I have the filter ready for when it rolls that mark! The tolerances that you describe seem insignificant as far as the pin diameters. bucket rollback could pose a possible problem however as these buckets don't swing way back as some other loaders do. I look forward to your popping out a load of dirt as you have described (if it does it, 'I am sold')

Never owned a Kubota like the one you had but they sure looked tough and reliable- I like their simplicity..... One of the reasons why I chose the Max series.
 
/ Weak Loader Curl Possible Solution For the Max28
  • Thread Starter
#20  
Tomorrow I Pick up the 1526L 40mm bore cylinders for my little Mahindra Max 28
Also I found these guys in Maine, The first people willing to work with me regarding hydraulic cylinder fabrication for my L39 Kubota.

Most likely on the L39 I'll end up with 60mm Lift cylinders vs stock 55 and 70mm Curl Cylinders vs stock 60mm size.
Kubota now sells replacement upgraded 65mm curl cylinders for the L39 at $900 apiece. Way too much for me, but I am told they are premium cylinders.
For anyone in new England looking for hydraulic shop that will bother to speak with you try:

Component Repair & Supply
Component Repair and Supply | Hydraulic Sales and Service
Josh Stultz
General Manager
Mailing Address:
PO Box 781
Gorham, ME
04038
Shop Address:
59 Sanford Dr, Unit #4
Gorham, ME USA04038
Tel: 207 856-2103
 

Marketplace Items

Bainbridge,Georgia (A65640)
Bainbridge,Georgia...
2021 BOBCAT E50 R2 SERIES EXCAVATOR (A63276)
2021 BOBCAT E50 R2...
Bobcat Severe Duty Forks and Frame Skid Steer Attachment (A64553)
Bobcat Severe Duty...
2018 John Deere 5125R Tractor (A64047)
2018 John Deere...
2013 Caterpillar Warren Power Systems WCW204MH 20KW Towable Light Tower (A64194)
2013 Caterpillar...
2006 CASE 430 SKID STEER (A65053)
2006 CASE 430 SKID...
 
Top