any toro groundsmaster fans on here?

   / any toro groundsmaster fans on here? #441  
Turby

I figured the 455hrs was the other unit. He has a gas unit as well, correct?... a 345 with the Ford 4cyl?
 
   / any toro groundsmaster fans on here? #442  
looking for some ideas, my 325D runs strong, no unusual noise or smoke, problem its a dog cranking for a couple mins to get it running, when cranking there is noticeable water dripping from exhaust, very little smoke when cranking, when it fires up its a great mower

no smoke could be lack of fuel? the system is bled of any air but the drips of water baffles me, its not from the rad as the drips have no antifreeze smell

could there be water in fuel, one thing i have not checked the tank
 
   / any toro groundsmaster fans on here? #444  
There is a water drain valve (#11) on the bottom of the fuel filter (#10):

30788 Electric Fuel Pump and Filters.jpeg



Open it and see if any water comes out.

.
 
   / any toro groundsmaster fans on here? #445  
Xfaxman...
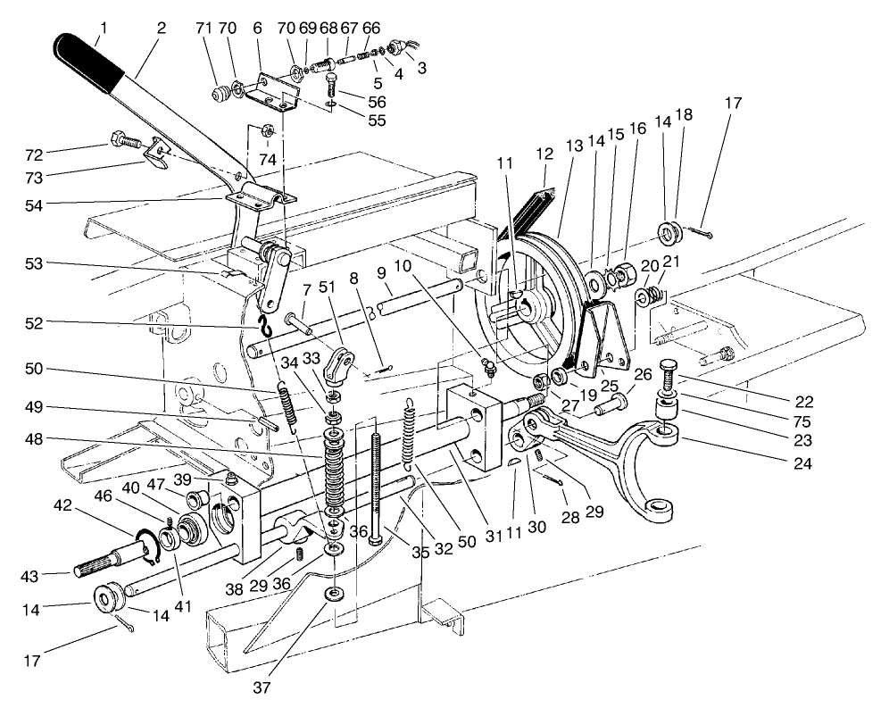
The alternator belt broke with me last night finishing up mowing on my 325d...
I've looked underneath the unit trying to figure out what part of the drive line to disconnect to replace the belt...
I've looked online and viewed several diagrams but still not clear on how to do it...
Do you have any advise?
Thanks in advance...
 
   / any toro groundsmaster fans on here? #446  
Follow the procedure in the service manual to remove the PTO belt. Start with the rubber couplings and the "drive coupling" to the transmission:

d PTO pulley 10 inches.gif
D S hub pto pulley 5.25 inches.JPG


ds.JPG
 
   / any toro groundsmaster fans on here? #447  
   / any toro groundsmaster fans on here? #448  
   / any toro groundsmaster fans on here? #449  
That is what I was thinking. I ordered the belt from STI. At $20 plus shipping I may just go with the linked belt option. Thanks for the help guys. I really appreciate it.
 
   / any toro groundsmaster fans on here? #450  

Tractor & Equipment Auctions

2022 Coras Predator Steel End Dump Trailer (A56435)
2022 Coras...
48ft all aluminum feather light wedge trailer (A56435)
48ft all aluminum...
PEMBERTON LR129-1123 RAKE ATTACHMENT (A56129)
PEMBERTON...
2009 PETERBILT 340 FLATTOP SLEEPER (A58214)
2009 PETERBILT 340...
2017 Kawasaki Mule 4010 4x4 Rescue Utility Cart (A56857)
2017 Kawasaki Mule...
500 BBL FRAC TANK (A58214)
500 BBL FRAC TANK...
 
Top