I agree 100% . I’ve been trying to get people here to understand that a consumer grade generator should never be operatedMost I'd plates on the Gen will quote an output at 20C and 40C. At 20C is the 100% duty cycle, the 40C is the max and is NOT 100% duty cycle. Most gas 3600 rpm gensets will run too hot, most contractors who run them a lot keep a box Fan on them for more cooling. If you can't keep your hand on it, it is too hot.
My Generac exl7000 just failed after 18 years
Having done monthly exercise at close to 50% load religiously, regular oil changes, and sheltered from weather, I am disappointed. It's putting out 170v on the 120v outlets and 340v on the 240v plug. Took out several surge protectors and an HVAC transformer.
I agree with the high load / low duty cycle comments about non commercial fenders, which is why I got the 7k. Replaced with a Winco 15kw PTO generator, which now powers one complete panel.
Sounds like the voltage regulator has failed.My Generac exl7000 just failed after 18 years
Having done monthly exercise at close to 50% load religiously, regular oil changes, and sheltered from weather, I am disappointed. It's putting out 170v on the 120v outlets and 340v on the 240v plug. Took out several surge protectors and an HVAC transformer.
I agree with the high load / low duty cycle comments about non commercial generators, which is why I got the 7k. Replaced with a Winco 15kw PTO generator, which now powers one complete panel.
Sounds like the voltage regulator has failed.
Aaron Z
I agree, if it's not the AVR, it's probably the sensing input to the AVR.Check for voltage at the AVR sensing terminals if it has separate power supply and sensing inputs. Sounds like the regulator is not seeing output voltage and trying to compensate.
Check for voltage at the AVR sensing terminals if it has separate power supply and sensing inputs. Sounds like the regulator is not seeing output voltage and trying to compensate.

Yes, check 2&6. I would also check 1&4.Thank you both (Aaron Z) for the info.
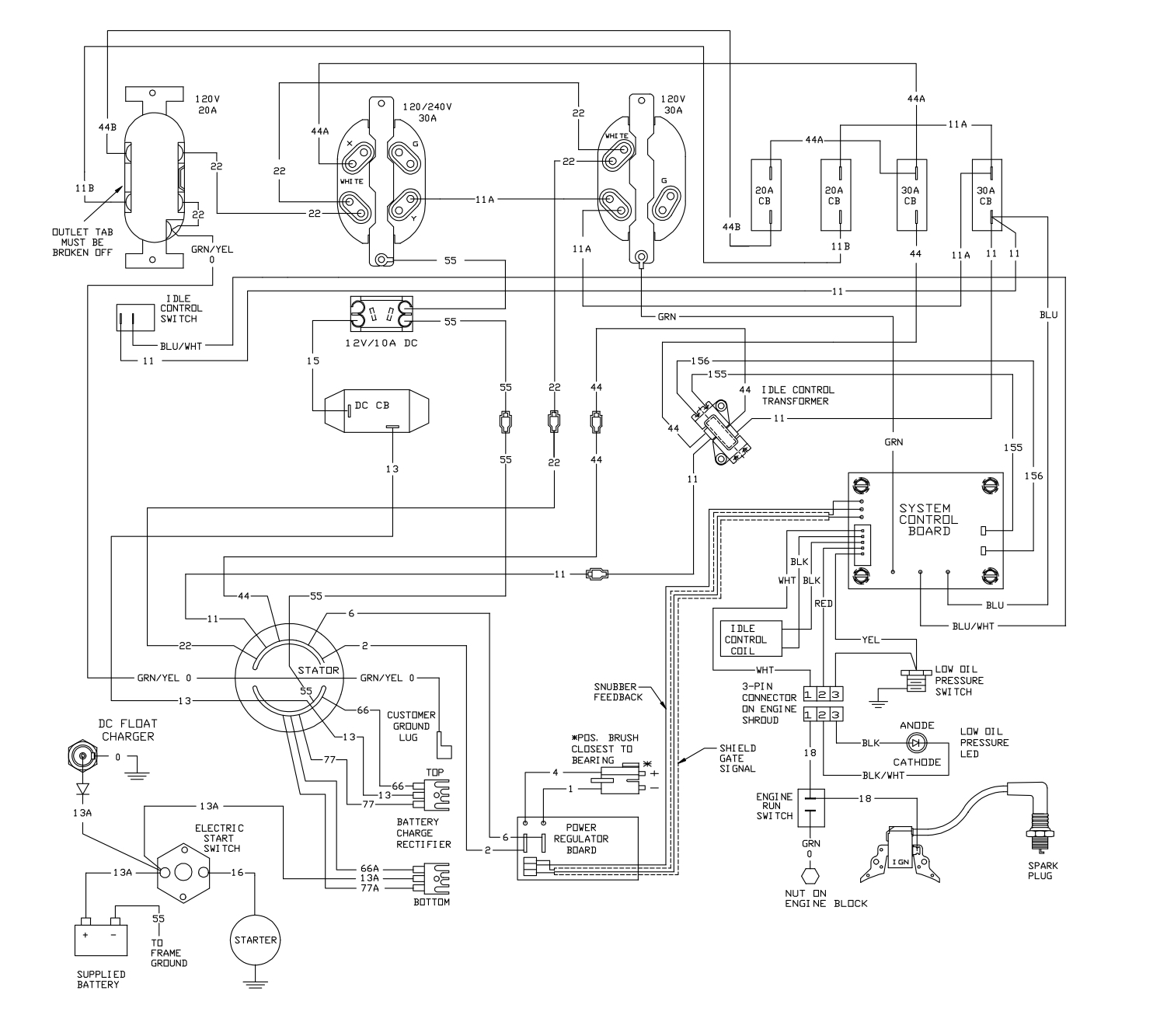
This is probably out of my league, but in the diagram below do I check for voltage on #2 and #6 wires?
Of note, I did find a bad crimp on one of those wires where it connects to the regulator. The connector was repaired though.
IView attachment 640546
My Generac exl7000 just failed after 18 years
Having done monthly exercise at close to 50% load religiously, regular oil changes, and sheltered from weather, I am disappointed. It's putting out 170v on the 120v outlets and 340v on the 240v plug. Took out several surge protectors and an HVAC transformer.
I agree with the high load / low duty cycle comments about non commercial generators, which is why I got the 7k. Replaced with a Winco 15kw PTO generator, which now powers one complete panel.
On Sunday, I was out with my brother and dad building the new greenhouse. At around 10 the generator started for its weekly run. Normally it is a smooth instant start, but this time is turned over for several seconds and wouldn't hold a smooth rpm for another 10 or so seconds. Went to check it out, and noticed the temp gauge wasn't even registering (<100F). Turns out, after 10 years, the coolant heater must have died (shorted) in the last week sometime (popped the GFCI). Ordered a new HotStart 1000W 120-140F and installed yesterday. Working like a charm after fixing a few leaks from the dry rotted hoses.
On Sunday, I was out with my brother and dad building the new greenhouse. At around 10 the generator started for its weekly run. Normally it is a smooth instant start, but this time is turned over for several seconds and wouldn't hold a smooth rpm for another 10 or so seconds. Went to check it out, and noticed the temp gauge wasn't even registering (<100F). Turns out, after 10 years, the coolant heater must have died (shorted) in the last week sometime (popped the GFCI). Ordered a new HotStart 1000W 120-140F and installed yesterday. Working like a charm after fixing a few leaks from the dry rotted hoses.